电脑桌面
添加小米粒文库到电脑桌面
安装后可以在桌面快捷访问

装配式建筑吊装流程

装配式建筑吊装流程_第1页
1/25
装配式建筑吊装流程_第2页
2/25
装配式建筑吊装流程_第3页
3/25
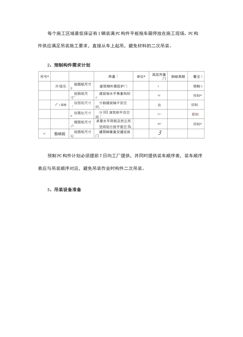
装配式建筑施工吊装方案流程解读预制装配式混凝土结构的施工主要包括预制构件制作、预制构件运输与堆放、预制构件安装与连接三个施工阶段。预制构件的吊装贯穿了装配式结构三个阶段的整个施工过程,是施工过程的中心环节。吊装方案包括物资准备、劳动力准备、场地布置、施工组织设计、测量放线、吊装作业、质量保证措施等方面。物资准备1、预制构件准备在开工前应将 PC 构件需求计划及运输相关事宜协商好如:装车顺序、车载数量,吊装进度计划、装车所需时间、从构件厂到施工现场所需时间、需求计划、到货周期等;每个施工区域最低保证有 I 辆装满 PC 构件平板拖车箱停放在施工现场,PC 构件供应满足吊装施工要求,直接从车上起吊,避免材料的二次吊装。2、预制构件需求计划吊号*用谨「单位*爲层用童门到岐周朗番注 3外墙乐按图紙尺寸Q崖筑物外圉臣护门a预制 Q按囲纸尺寸"建就愉水平尊重构却4'40预制*广 1 话绘按图抵尺寸「分割建就轴平面空间,-血顼制・按團址尺寸R分 HI 漳筑樹平百空闻「01^箭制.搜图纸尺寸卢承曼水平荷戟及把立而空闾划分庞平面空 Ik80^预制*6^翳梯跖按图纸尺寸心建筑呦垂直交通设施门3艾预制 PC 构件计划必须提前 7 日向工厂提供,并同时提供装车顺序表,装车顺序表应与吊装顺序对应,避免吊装作业时构件二次吊装。3、吊装设备准备某工程采用中联重科生产的 6517B-10 型塔吊,塔吊臂长 30 米,全部覆盖施工区域;30 米处最大起重重量为 6 吨,PC 构件最重为 5.5 吨,塔吊满足工程吊装需4、加工工具、吊装材料准备加工工具有:钢梁、斜支撑、夕卜墙板加固件、一字连接件(1、2)、墙板定位件、L 连接件;做工具及材料:塑料垫块、吊爪、水泥自攻螺丝。1 则规格甲-位卿列跖卫期1M1O*751500=M8/615A22,W=2:"㈡机&21M£L色'30k.:■!弭盟;53W150rf!莎丘1eudIQ=塔匕业-1W<570*70*20.10,.5,个灯州珂桥匚店恆政3p 天苗—笊 11;2.di'20彳-ioA7白籽 2』.网玳辎绯,3M 氏4相二塔吊歡 v15/thifiR.科於细歸.4MKa=塔用盘从FHfl*.亦:溼卩卜,6Mt<2S-汕驕稅两町遗士■■■4la><9-字建携忡彌型孔—」「:-.>4曲10T215\11MW-3D1二俺独 s12?.7T16j7pi'-^-aT/i133:±品减 d□T165HS8711■期CF3 阳 339tj=申卜社打L*la札臓于50'*fl-昭牯 T7

1、当您付费下载文档后,您只拥有了使用权限,并不意味着购买了版权,文档只能用于自身使用,不得用于其他商业用途(如 [转卖]进行直接盈利或[编辑后售卖]进行间接盈利)。
2、本站所有内容均由合作方或网友上传,本站不对文档的完整性、权威性及其观点立场正确性做任何保证或承诺!文档内容仅供研究参考,付费前请自行鉴别。
3、如文档内容存在违规,或者侵犯商业秘密、侵犯著作权等,请点击“违规举报”。

碎片内容

装配式建筑吊装流程

您可能关注的文档

确认删除?
微信客服
  • 扫码咨询
会员Q群
  • 会员专属群点击这里加入QQ群