电脑桌面
添加小米粒文库到电脑桌面
安装后可以在桌面快捷访问

《输变电工程建设标准强制性条文实施管理规程》第7部分:输电线路工程施工

《输变电工程建设标准强制性条文实施管理规程》第7部分:输电线路工程施工_第1页
1/11
《输变电工程建设标准强制性条文实施管理规程》第7部分:输电线路工程施工_第2页
2/11
《输变电工程建设标准强制性条文实施管理规程》第7部分:输电线路工程施工_第3页
3/11
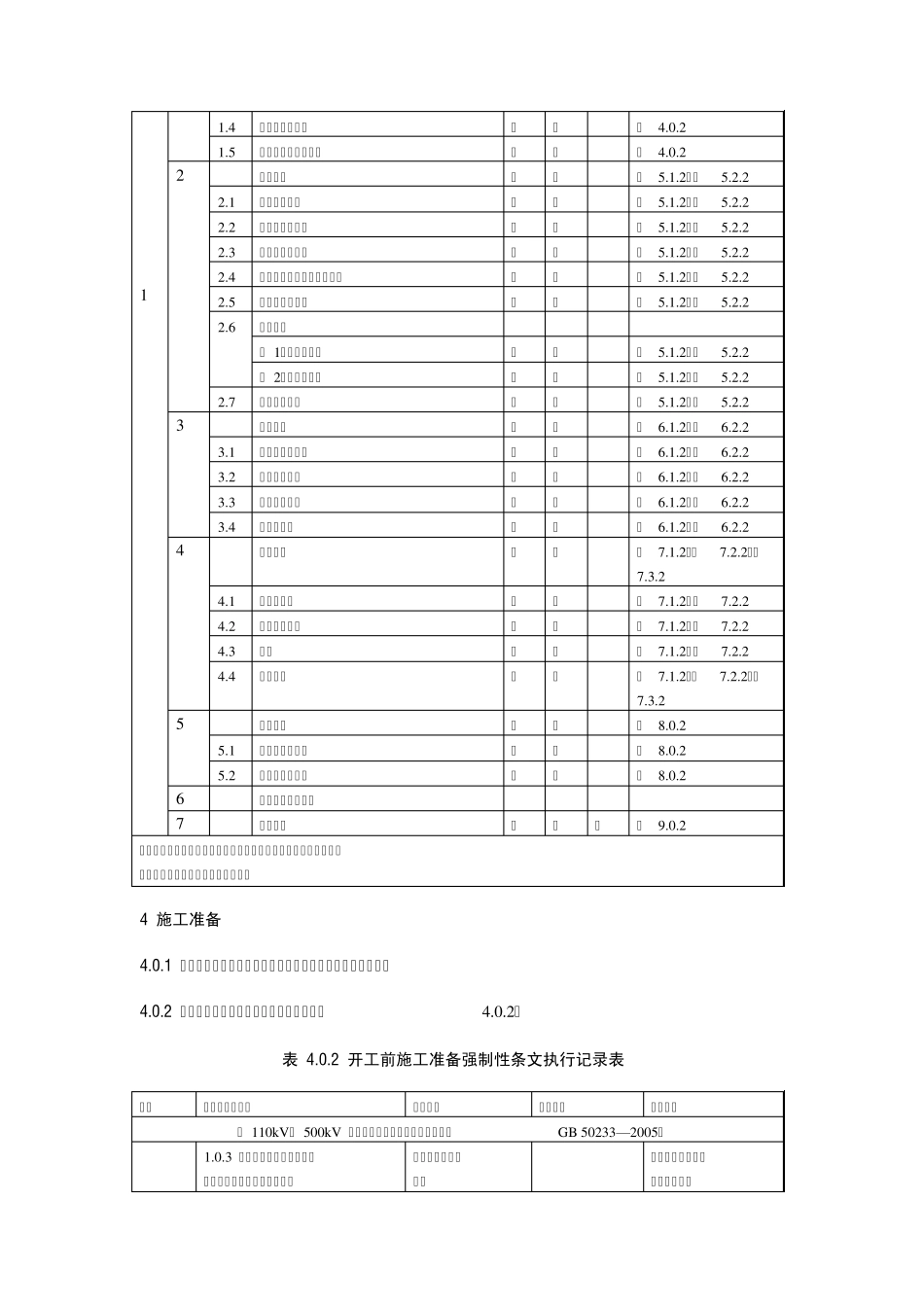
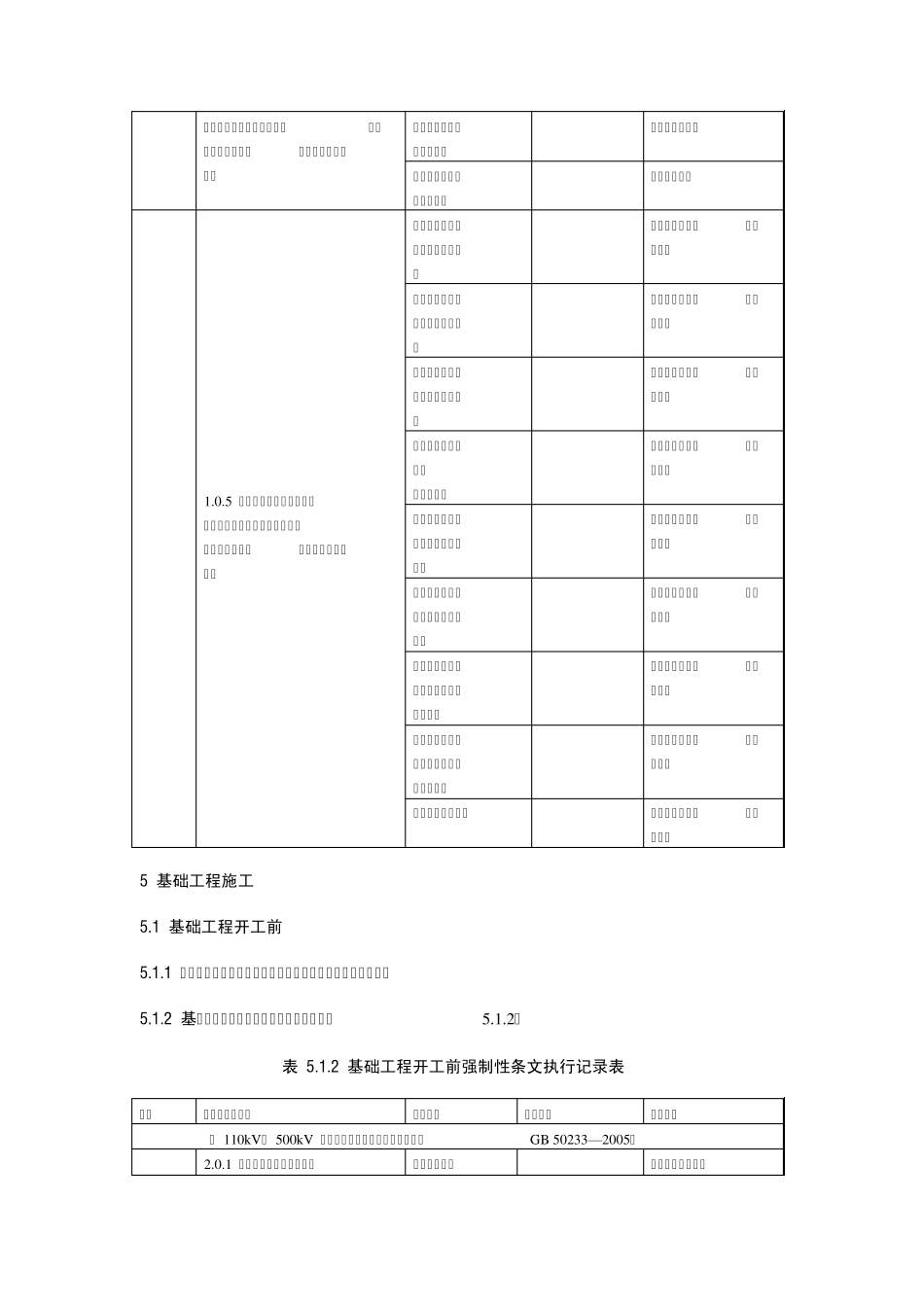
输变电工程建设标准强制性条文实施管理规程 第 7 部分:输电线路工程施工 1 范围 1 .0 .1 为加强国家电网公司输变电工程建设过程控制,强化质量责任,规范质量行为,确保输变电工程建设严格执行强制性条文,保证工程质量及电网安全,根据法律、法规及相关规定,制定本规程。 1 .0 .2 本规程适用于国家电网公司输变电工程建设的质量管理,各建设、勘察、设计、施工、调试、监理、试验和检测等单位均应遵照执行。 1 .0 .3 本规程所称强制性条文,包括国家现行有效的工程建设标准强制性条文(以下简称强制性条文),且适用于最新版本,应及时更新替代、补充新增内容。 2 规范性引用文件 下列文件中的条款通过本规程的引用而成为本规程的条款。其最新版本适用于本规程。 GB 50168— 2006 电气装置安装工程 电缆线路施工及验收规范 GB 50169— 2006 电气装置安装工程 接地装置施工及验收规范 GB 50173-1992 电气装置安装工程 35kV 及以下架空电力线路施工及验收规范 GB 50233—2005 110kV~ 500kV 架空送电线路施工及验收规范 3 强制性条文执行计划 3 .0 .1 工程项目开工前,施工单位应编制《输电线路工程施工强制性条文执行计划表》,报监理单位审 核后,建设单位批准执行,保证工程项目执行强制性条文的完整性。 3 .0 .2 输电线路工程施工质量强制性条文执行计划见表 3.0.2。 表 3 .0 .2 输电线路工程施工强制性条文执行计划表 工 程 名 称 工 程 名 称 责 任 单 位 强制性条文 执行表号 单 位 分 部 分 项 施 工 单 位 监 理 单 位 建 设 单 位 ***至 *****kV 输电线路工程(或施 工标段) ○ ○ ● 1 土石方工程 ○ ● 表 4.0.2 1.1 路径复测 ● ○ 表 4.0.2 1.2 拉线基础坑分坑 ● ○ 表 4.0.2 1.3 掏挖式基础坑分坑 ● ○ 表 4.0.2 1 1.4 普通基础坑分坑 ● ○ 表 4.0.2 1.5 施工基面及电气开方 ● ○ 表 4.0.2 2 基础工程 ○ ● 表 5.1.2、表 5.2.2 2.1 现浇铁塔基础 ● ○ 表 5.1.2、表 5.2.2 2.2 现浇拉线塔基础 ● ○ 表 5.1.2、表 5.2.2 2.3 预制装配式基础 ● ○ 表 5.1.2、表 5.2.2 2.4 混凝土杆预制基础(三盘) ● ○ 表 5.1.2、表 5.2.2 2.5 岩石、掏挖基础 ● ○ 表 5.1.2、表 5.2.2 2.6 桩式基础 ( 1)灌注桩基础 ● ○ 表 5.1.2、表 5...

1、当您付费下载文档后,您只拥有了使用权限,并不意味着购买了版权,文档只能用于自身使用,不得用于其他商业用途(如 [转卖]进行直接盈利或[编辑后售卖]进行间接盈利)。
2、本站所有内容均由合作方或网友上传,本站不对文档的完整性、权威性及其观点立场正确性做任何保证或承诺!文档内容仅供研究参考,付费前请自行鉴别。
3、如文档内容存在违规,或者侵犯商业秘密、侵犯著作权等,请点击“违规举报”。

碎片内容

《输变电工程建设标准强制性条文实施管理规程》第7部分:输电线路工程施工

您可能关注的文档

确认删除?
VIP
微信客服
  • 扫码咨询
会员Q群
  • 会员专属群点击这里加入QQ群
客服邮箱
回到顶部