电脑桌面
添加小米粒文库到电脑桌面
安装后可以在桌面快捷访问

整理水电暖施工方案

整理水电暖施工方案_第1页
1/15
整理水电暖施工方案_第2页
2/15
整理水电暖施工方案_第3页
3/15
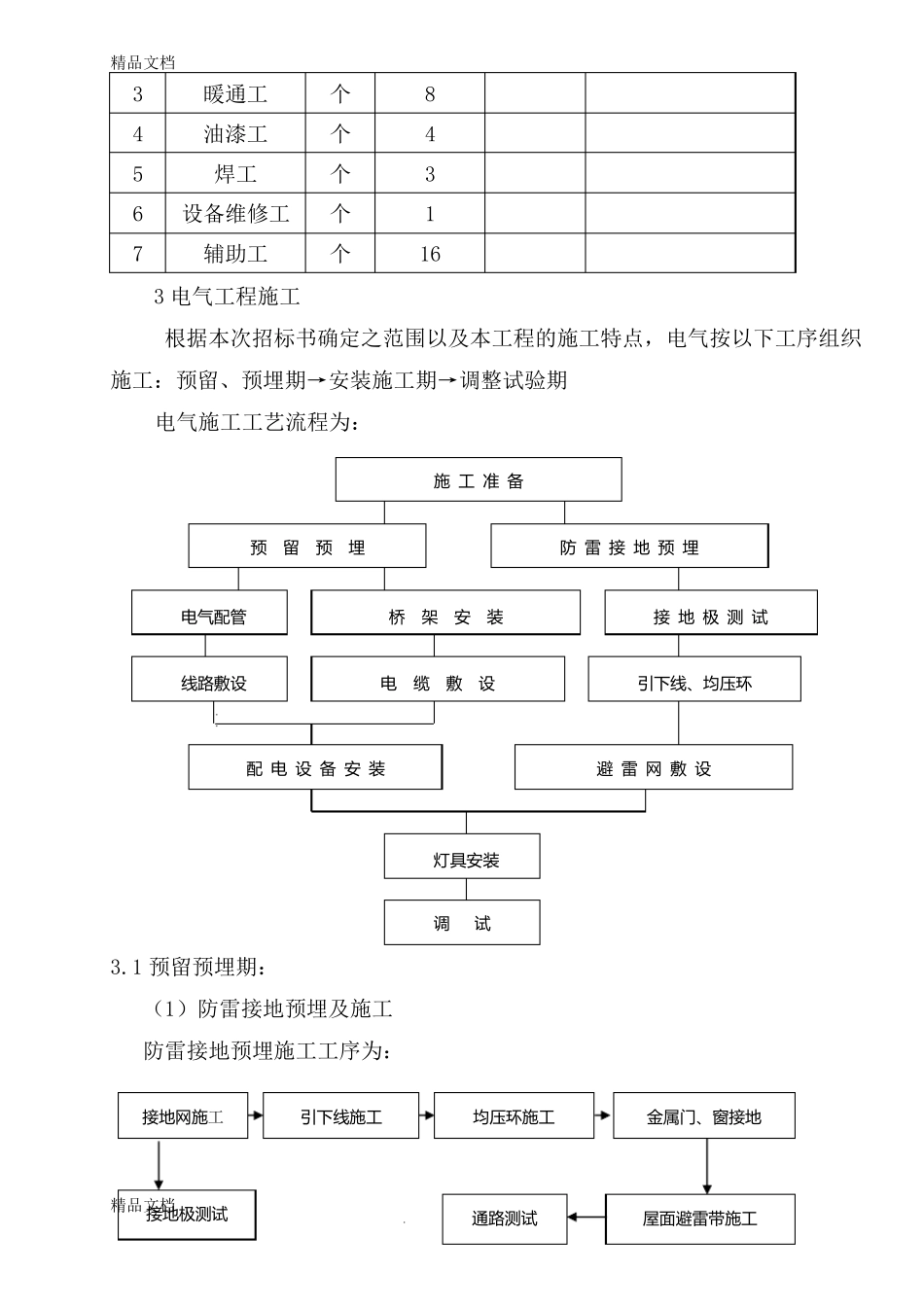
精品文档水、电、暖通安装工程施工方案1 安装工程设计概况根据招标文件和施工图纸设计要求,本工程水电安装内容主要包括强电、弱电、生活给排水、及通风管道安装。1.1 电气工程设计内容:本电气工程设计包括低压配电系统、照明(含应急照明)系统、动力设备配电及控制系统、防雷接地系统、电视电话系统、火灾自动报警系统。住宅室内布线均采用穿阻燃 PVC 管暗敷;整个低压系统采用三相五线制供电到各用电处。防雷与保护接地系统拟利用结构钢筋作共用接地体,系统接地之总电阻不大于 1 欧姆。火灾自动报警弱电系统中设有手动报警按纽和广播对讲系统以及感烟、感温探测器等;有线电视主要为线路敷设。1.2 给排水设计内容:本工程给排水设计包括生活给水系统、消防给水系统以及排水、雨水系统。给水水源由由市政给水管网引来,在地下室设有消防水池、生活水池及水泵房,屋顶设高位水箱。室内生活给水由屋顶高位水箱供给,室内生活给水管水表前部份采用热浸镀锌钢管焊接,水表后部份采用PP-R 塑料粘接管。 2 安装工程施工准备 2.1 主要施工机具、设备需用计划序号设备名称123456789精品文档规格型号AX-4-300型BX6-300型BX6-500型S3S-150SISI-200561型568型J12-6-Φ101t单位 数量台台台台台把把把台112222454备注直流电焊机交流电焊机交流电焊机手提砂轮机手提砂轮机冲击电钻冲击电钻手枪电钻手动葫芦精品文档序号设备名称101112手动葫芦切割机卷扬机规格型号5tJ3-B-3505t20-125mm20-110mm单位 数量台台台台台台台套台222111163备注用于PP-R给水管导线连接13电动试压泵14手动试压泵15台式焊接机16电子焊接机17机械压接钳18砂轮切割机 2.2 主要施工及测量器具:序号12345名称水平仪接地电阻仪兆欧表兆欧表灌水试验装置6万用表78压力表钳型电流表0~1.6MPa0~300A;0~500A块1块块规格ZC-8ZC-3-500VZC-3-1000VΦ75~Φ160等单位 数量台只只只套备注1管道标高控制1测接地电阻2绝缘测试1绝缘测试222 2.3 劳动力需用计划一览表:序号工种名称12精品文档单位使用数量总工日个个1616备注管道工电工精品文档34567暖通工油漆工焊工设备维修工辅助工个个个个个843116 3 电气工程施工根据本次招标书确定之范围以及本工程的施工特点,电气按以下工序组织施工:预留、预埋期→安装施工期→调整试验期电气施工工艺流程为:3.1 预留预埋期:(1)防雷接地预埋及施工防雷接地预埋施工工序为:接地网施工引下线施工均压环施工金属门...

1、当您付费下载文档后,您只拥有了使用权限,并不意味着购买了版权,文档只能用于自身使用,不得用于其他商业用途(如 [转卖]进行直接盈利或[编辑后售卖]进行间接盈利)。
2、本站所有内容均由合作方或网友上传,本站不对文档的完整性、权威性及其观点立场正确性做任何保证或承诺!文档内容仅供研究参考,付费前请自行鉴别。
3、如文档内容存在违规,或者侵犯商业秘密、侵犯著作权等,请点击“违规举报”。

碎片内容

整理水电暖施工方案

爱的疯狂+ 关注
实名认证
内容提供者

该用户很懒,什么也没介绍

确认删除?
VIP
微信客服
  • 扫码咨询
会员Q群
  • 会员专属群点击这里加入QQ群
客服邮箱
回到顶部