电脑桌面
添加小米粒文库到电脑桌面
安装后可以在桌面快捷访问

新旧表面粗糙度与光洁度对照表-

新旧表面粗糙度与光洁度对照表-_第1页
1/9
新旧表面粗糙度与光洁度对照表-_第2页
2/9
新旧表面粗糙度与光洁度对照表-_第3页
3/9
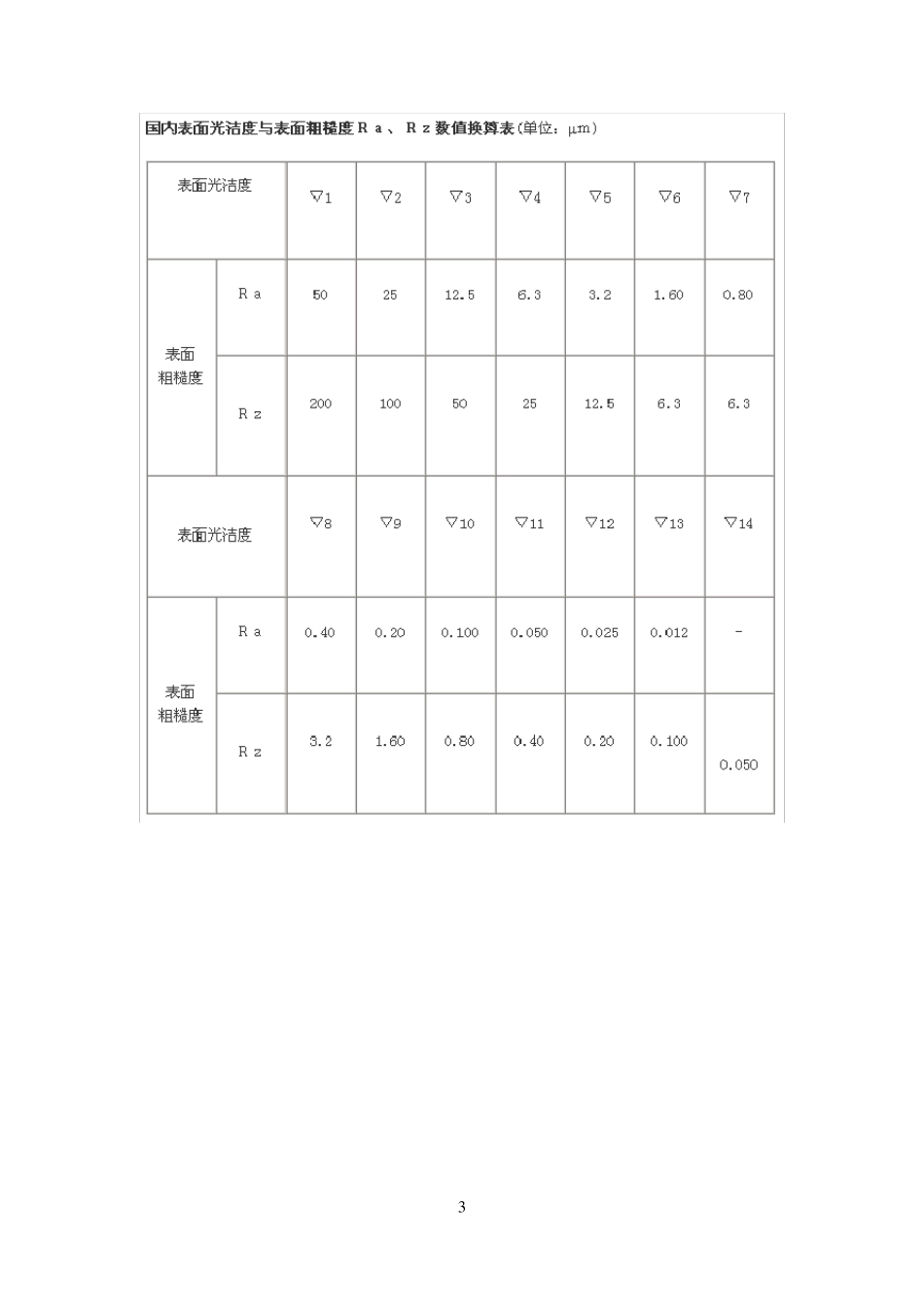
新旧表 面 粗 糙参考资料1、表面粗糙度与光洁度对照表2、国内表面光洁度与粗糙度数值换算表3、表面粗糙度国际标准加工方法4、表面粗糙度代号标注示例5、表面粗糙度在图样上的注法6、表面粗糙在不同的加工方法中的参考应用度表面粗糙度与光洁度对照表轮廓的平均算术偏差(Ra):通过零件的表面轮廓作一中线 m ,将一定长度的轮廓分成两部分,使中线两侧轮廓线与中线之间所包含的面积相等,不平度平均高度(Rz):就是在基本测量长度范围内,从平行于中线的任意线起,自被测轮廓上五个最高点至五个最低点的平均距离,轮廓最大高度 Ry:就是在取样长度内,轮廓峰顶线和轮廓谷底线之间的距离。234轮廓的平均算术偏差(Ra):通过零件的表面轮廓作一中线 m ,将一定长度的轮廓分成两部分,使中线两侧轮廓线与中线之间所包含的面积相等,不平度平均高度(Rz):就是在基本测量长度范围内,从平行于中线的任意线起,自被测轮廓上五个最高点至五个最低点的平均距离,轮廓最大高度 Ry:就是在取样长度内,轮廓峰顶线和轮廓谷底线之间的距离。5表面粗糙度符号意义符号基本符号,单独使用没有意义。基本符号上加一短横,表示表面粗糙度是用去除材料的方法获得,例如:车、铣、钻、磨、剪切、腐蚀、电火花加工等。基本符号上加一小圆,表示表面粗糙度是用不去除材料的方法获得,例如:铸、鍛、冲压变形、热轧、冷轧、粉末冶金等。或者是用于保持原供应状况的表面(包括保持上道工序的状况)表面粗糙度高度参数 Ra 值的标注意义用任何方法获得的表面.Ra 的最大允许值为微米符号用去除材料方法获得的表面.Ra 的最大允许值为微米用不去除材料方法获得的表面.Ra 的最大允许值为微米用去除材料方法获得的表面.Ra 的最大允许值(Ramax)为微米,最小允许值(Ramin)为微米67表面粗糙在不同的加工方法中的参考应用详细资料加工方法车外圆镗内孔刨平铣端铣磨外圆平磨研磨车外园双组式磨外园镗内孔双组式磨内孔手研电火花线切割电火花抛光铸造钢铁砂型抛喷丸喷砂单组式单组式、、、、、、、、、、10、、、、、、规格组合式Ra 值 um、、、、、、、、、、、、、、、、、、、、、、、、、、、单组式 、、、、、单组式单组式、、、、、、、、、25、50、100、800、1600、、、、、、、25、50、100、、、、、2589

1、当您付费下载文档后,您只拥有了使用权限,并不意味着购买了版权,文档只能用于自身使用,不得用于其他商业用途(如 [转卖]进行直接盈利或[编辑后售卖]进行间接盈利)。
2、本站所有内容均由合作方或网友上传,本站不对文档的完整性、权威性及其观点立场正确性做任何保证或承诺!文档内容仅供研究参考,付费前请自行鉴别。
3、如文档内容存在违规,或者侵犯商业秘密、侵犯著作权等,请点击“违规举报”。

碎片内容

新旧表面粗糙度与光洁度对照表-

确认删除?
VIP
微信客服
  • 扫码咨询
会员Q群
  • 会员专属群点击这里加入QQ群
客服邮箱
回到顶部