电脑桌面
添加小米粒文库到电脑桌面
安装后可以在桌面快捷访问

施工二次结构砌筑施工工艺标准

施工二次结构砌筑施工工艺标准_第1页
1/15
施工二次结构砌筑施工工艺标准_第2页
2/15
施工二次结构砌筑施工工艺标准_第3页
3/15
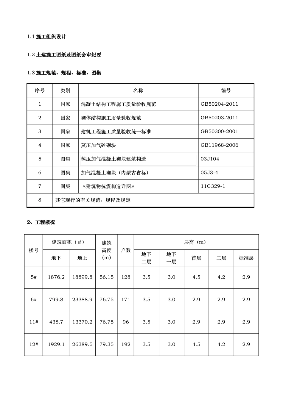
目录1、编制依据................................................................................... - 1 -2、工程概况................................................................................... - 2 -3、施工安排................................................................................... - 3 -4、施工准备................................................................................... - 4 -5、施工方法、技术措施 ................................................................... - 6 -1.1 施工组织设计1.2 土建施工图纸及图纸会审纪要1.3 施工规范、规程、标准、图集序号12345678类别国家国家国家国家图集图集图集名称混凝土结构工程施工质量验收规范砌体结构施工质量验收规范建筑工程施工质量验收统一标准蒸压加气砼砌块蒸压加气混凝土砌块建筑构造加气混凝土砌块(内蒙古省标)《建筑物抗震构造详图》编号GB50204-2011GB50203-2011GB50300-2001GB11968-200603J10405J3-411G329-1其它现行的有关规范、规程及规定2、工程概况建筑面积(㎡)楼号地下地上建筑高度(m)层高(m)户数地下二层3.5地下一层3.0首层二层标准层5#1876.218899.856.151284.54.22.96#799.823388.976.751713.53.02.92.92.911#438.713370.276.75963.53.02.92.92.912#1929.126389.579.351923.53.04.54.22.9砌体原材料要求水平圈梁加气块种类及强度砂浆种类及强度各楼层墙底部材料、种类及高度各楼层墙顶部材料、种类及高度位置或标高砼强度厚度配筋情况间距内墙 A3.5、外墙 A5;干密度等级 B06M7.5 专用砂浆外墙、卫生间等遇水部位采用 C25 素混凝土翻高 200mm斜砌普通砖(离梁板≤10mm 采用发泡剂)高度超过 4m 的墙体中部C25180mm×墙宽4C10,A6@200≤4mC254C12,A6@2002A6@500过梁尺寸及配筋详见结通-01(六、填充墙第 2 条)构造柱过梁砼强度配筋与墙体拉结筋门洞过梁均预制剪力墙与填充墙的拉结筋设置应沿高度每 500 预埋 2A6 通长。3、施工安排3.1 施工组织及职责分工分工项目项目部砌筑总负责人项目部材料采购负责人项目部材料保管负责人项目部安全及防护负责人项目部专职质检员项目部专职试验员分包队砌筑总负责人分包队专职质检员模板支拆钢筋绑扎砼浇筑姓名叶海军胡斌杰严洪堂胡震州王向锋倪小栋黎光富黎光富罗招得黄太贵黎光富职责负责砌筑施工的总体协调和生产安排负责砌体工...

1、当您付费下载文档后,您只拥有了使用权限,并不意味着购买了版权,文档只能用于自身使用,不得用于其他商业用途(如 [转卖]进行直接盈利或[编辑后售卖]进行间接盈利)。
2、本站所有内容均由合作方或网友上传,本站不对文档的完整性、权威性及其观点立场正确性做任何保证或承诺!文档内容仅供研究参考,付费前请自行鉴别。
3、如文档内容存在违规,或者侵犯商业秘密、侵犯著作权等,请点击“违规举报”。

碎片内容

施工二次结构砌筑施工工艺标准

确认删除?
VIP
微信客服
  • 扫码咨询
会员Q群
  • 会员专属群点击这里加入QQ群
客服邮箱
回到顶部