电脑桌面
添加小米粒文库到电脑桌面
安装后可以在桌面快捷访问

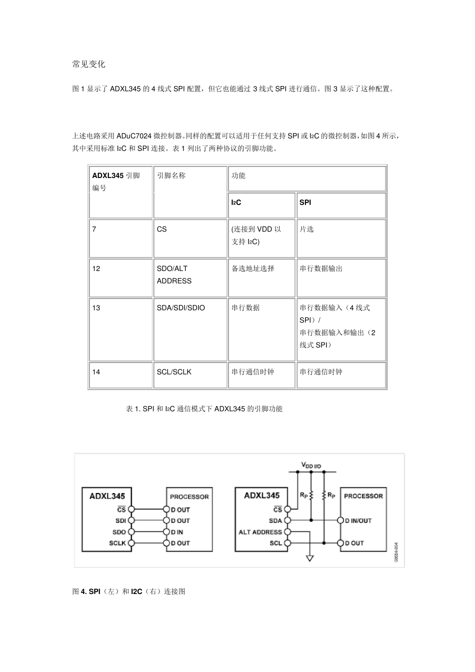
三轴数字加速度传感器ADXL345技术资料

三轴数字加速度传感器ADXL345技术资料_第1页
1/8
三轴数字加速度传感器ADXL345技术资料_第2页
2/8
三轴数字加速度传感器ADXL345技术资料_第3页
3/8
概 述 : ADXL345 是 一 款 小 而 薄 的 超 低 功 耗3 轴 加 速 度 计 , 分 辨 率 高 (13 位 ), 测 量 范 围 达 ± 16g。 数 字 输 出 数 据为 16 位 二 进 制 补 码 格 式 , 可 通 过 SPI(3 线 或 4 线 )或 I2C 数 字 接 口 访 问 。 ADXL345 非 常 适 合 移 动 设 备 应用 。 它 可 以 在 倾 斜 检 测 应 用 中 测 量 静 态 重 力 加 速 度 , 还 可 以 测 量 运 动 或 冲 击 导 致 的 动 态 加 速 度 。 其 高 分 辨率 (3.9mg/LSB), 能 够 测 量 不 到 1.0°的 倾 斜 角 度 变 化 。 该 器 件 提 供 多 种 特 殊 检 测 功 能 。 活 动 和 非 活 动 检 测 功 能 通 过 比 较 任 意 轴 上 的 加 速 度 与 用 户 设 置 的 阈 值 来 检 测 有 无 运 动 发 生 。 敲 击 检 测 功 能可 以 检 测 任 意 方 向 的 单 振 和 双 振 动 作 。 自 由 落 体 检 测 功 能 可 以 检 测 器 件 是 否 正 在 掉 落 。 这些功 能 可 以 独立映射到 两个中 断输 出 引脚中 的 一 个。正 在 申请专利的 集成式 存储器 管理系统采用 一 个32 级先进 先出 (FIFO)缓冲 器 , 可 用 于存储数 据 , 从而 将主机处理器 负荷降至最低 , 并降低 整体 系统功 耗 。 低 功 耗 模式 支持基于运 动 的 智能 电源管理, 从而 以 极低 的 功 耗 进 行阈 值 感测 和 运 动 加 速 度 测 量 。 ADXL345 采用 3 mm × 5 mm × 1 mm, 14 引脚小 型超 薄 塑料封装。 对比 常 用 的 飞思卡尔的 MMZ7260 三轴 加 速 度 传感器 , ADXL345, 具有 测 量 精度 高 、可 以 通 过 SPI 或 I2C直接 和 单 片机通 讯等优点。 特 性: 超 低 功 耗 : VS= 2.5 V 时(典型值 ), 测 量 模式 下低 至23uA, 待机模式 下为 0.1μA 功 耗 随带宽自 动 按比 例变 化 用 户 可 选的 分 辨 率 10 位 固定分 辨 率 全分 辨 率 , 分 辨 率 随g 范 围 提 高 而 提 高 , ±16g 时高 达 13 位 (在 所有 g 范 围 内保持4 mg/LSB 的 比 例系数 ) 正 在 申...

1、当您付费下载文档后,您只拥有了使用权限,并不意味着购买了版权,文档只能用于自身使用,不得用于其他商业用途(如 [转卖]进行直接盈利或[编辑后售卖]进行间接盈利)。
2、本站所有内容均由合作方或网友上传,本站不对文档的完整性、权威性及其观点立场正确性做任何保证或承诺!文档内容仅供研究参考,付费前请自行鉴别。
3、如文档内容存在违规,或者侵犯商业秘密、侵犯著作权等,请点击“违规举报”。

碎片内容

三轴数字加速度传感器ADXL345技术资料

您可能关注的文档

小辰8+ 关注
实名认证
内容提供者

出售各种资料和文档

确认删除?
VIP
微信客服
  • 扫码咨询
会员Q群
  • 会员专属群点击这里加入QQ群
客服邮箱
回到顶部