电脑桌面
添加小米粒文库到电脑桌面
安装后可以在桌面快捷访问

不锈钢管道安装施工方案

不锈钢管道安装施工方案_第1页
1/18
不锈钢管道安装施工方案_第2页
2/18
不锈钢管道安装施工方案_第3页
3/18
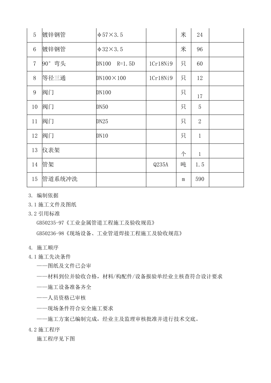
不锈钢管道安装施工方案 目 录 1. 编制说明 ............................................................ 2. 工程内容 ............................................................ 2.1 本方案涉及的工作范围 ............................................. 2.2 主要安装工程量 ................................................... 3. 编制依据 ............................................................ 3.1 施工文件及图纸 ................................................... 3.2 引用标准 ......................................................... 4. 施工顺序 ............................................................ 4.1 施工先决条件 ..................................................... 4.2 施工程序 ......................................................... 4.3 详细描述 ......................................................... 4.3.5.1 焊缝返修 ..................................................... 5. 施工设备及机具计划 .................................................. 5.1 施工设备 ......................................................... 5.2 施工机具 ......................................................... 6.施工进度安排 ......................................................... 7.施工劳动力计划 ....................................................... 8.施工技术措施 ......................................................... 8.1 管材、管件及在线部件的验收 ....................................... 8.2 安装过程中系统承压部件的质量控制 ................................. 9.质量标准 ............................................................. 9.1 外观检测 ......................................................... 9.2 检验记录 ......................................................... 10. 安全技术措施 ....................................................... 10.1 一般规则 ........................................................ 10.2 工具及设备的使用 ................................................ 10.3 高处作业 ............

1、当您付费下载文档后,您只拥有了使用权限,并不意味着购买了版权,文档只能用于自身使用,不得用于其他商业用途(如 [转卖]进行直接盈利或[编辑后售卖]进行间接盈利)。
2、本站所有内容均由合作方或网友上传,本站不对文档的完整性、权威性及其观点立场正确性做任何保证或承诺!文档内容仅供研究参考,付费前请自行鉴别。
3、如文档内容存在违规,或者侵犯商业秘密、侵犯著作权等,请点击“违规举报”。

碎片内容

不锈钢管道安装施工方案

您可能关注的文档

确认删除?
VIP
微信客服
  • 扫码咨询
会员Q群
  • 会员专属群点击这里加入QQ群
客服邮箱
回到顶部