电脑桌面
添加小米粒文库到电脑桌面
安装后可以在桌面快捷访问

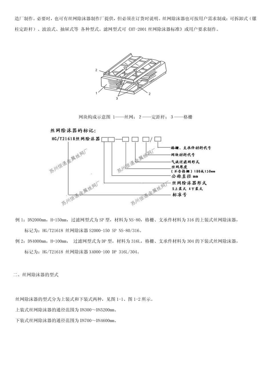
丝网除沫器详细介绍

丝网除沫器详细介绍_第1页
1/13
丝网除沫器详细介绍_第2页
2/13
丝网除沫器详细介绍_第3页
3/13
丝 网 除 沫 器 丝 网 除 沫 器 , 又 名 丝 网 除 雾 器 、 丝 网 捕 沫 器 、 除 沫 器 。 主 要 用 于 分 离 直 径 大 于 3μm ~ 5μm 的 液 滴 。 当 带 有 雾 沫 的 气 体以 一 定 的 速 度 上 升 , 通 过 格 栅 中 间 的 过 滤 丝 网 时 , 由 于 雾 沫 上 升 的 惯 性 作 用 , 使 得 雾 沫 与 细 丝 碰 撞 而 粘 附 在 细 丝 的 表 面 上 。细 丝 表 面 上 的 雾 沫 进 一 步 扩 散 及 雾 沫 本 身 的 重 力 沉 降 , 使 雾 沫 形 成 较 大 的 液 滴 沿 着 细 丝 流 至 它 的 交 织 处 。 由 于 细 丝 的 可 湿 性 、液 体 的 表 面 张 力 及 细 丝 的 毛 细 管 作 用 , 使 得 液 滴 越 来 越 大 , 直 至 其 自 身 的 重 力 超 过 气 体 上 升 的 浮 力 和 液 体 表 面 张 力 的 合 力 时 ,就 被 分 离 而 下 落 。 只 要 操 作 气 速 等 条 件 选 择 得 当 , 气 体 通 过 丝 网 除 沫 器 后 , 其 除 沫 效 率 可 达 到 99%以 上 , 可 以 达 到 完 全 去 除雾 沫 的 目 的 。 丝 网 除 沫 器 用 常 材 料 : 一 、 不 锈 钢 : 304、 304L、 321、 316Ti、 316L 、 RS-2、 NS-80、 317L、 904L、 310S 。 二 、 钛 及 钛 合 金 : TA2、 TA1。 三 、 镍 及 镍 合 金 :纯镍 N6、 Ni200、 Ni201;哈氏合 金 (Hastelloy)C-276、 四、 B-2;英科乃尔(Inconel)601、 625;因科镍 铬(Incoloy)825;Alloy800、 800H ;蒙乃尔(Monel)400。 五、 超 级双相钢 : 2507(S32750) 2507(UNS S32750)。 六、 工程塑料 : 聚丙烯(PP )、 聚乙烯(PE)、 聚氯乙烯(PVC)、 聚四氟乙烯PTFE(F4)、 聚全 氟乙丙烯FEP(F46)、 聚偏氟乙烯PVDF(F2)。 七、 玻璃纤维、 棉、 化学纤维 。 八、 铁丝 、 铜丝 等 。 HG/T21618-1998 丝 网 除 沫 器 抽屉式丝 网 除 沫 器 波浪型丝 网 除 沫 器 HG/T21618-1998 丝 网 除 沫 器 标准介绍 《HG/T21618-1998 丝 网 除 沫 器 》标准是在 原化工部标准HG5-1404-81、 HG5-1405-81...

1、当您付费下载文档后,您只拥有了使用权限,并不意味着购买了版权,文档只能用于自身使用,不得用于其他商业用途(如 [转卖]进行直接盈利或[编辑后售卖]进行间接盈利)。
2、本站所有内容均由合作方或网友上传,本站不对文档的完整性、权威性及其观点立场正确性做任何保证或承诺!文档内容仅供研究参考,付费前请自行鉴别。
3、如文档内容存在违规,或者侵犯商业秘密、侵犯著作权等,请点击“违规举报”。

碎片内容

丝网除沫器详细介绍

确认删除?
VIP
微信客服
  • 扫码咨询
会员Q群
  • 会员专属群点击这里加入QQ群
客服邮箱
回到顶部