电脑桌面
添加小米粒文库到电脑桌面
安装后可以在桌面快捷访问

仓库5S管理实施方案

仓库5S管理实施方案_第1页
1/6
仓库5S管理实施方案_第2页
2/6
仓库5S管理实施方案_第3页
3/6
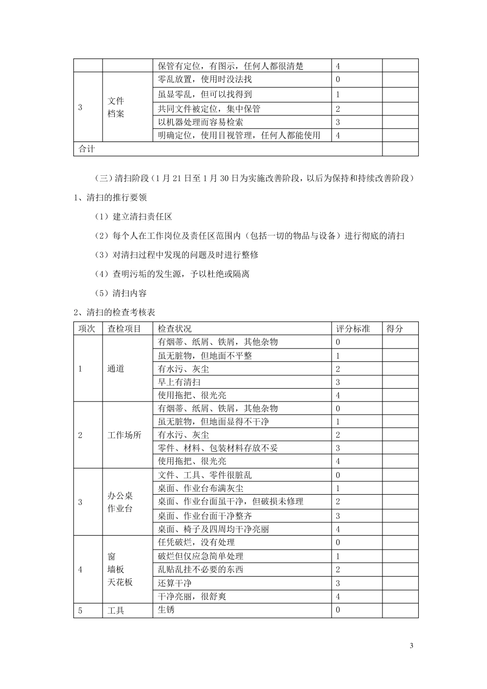
1 仓库的5s 管理实施方案(试用一个月) 为保证仓库5S 活动的顺利有效实施,结合实际,特制定本方案。 一、5S 推行的方针目标: (一)叫响三句话: 1、把最简单做的事情做好就不简单,把最容易做的事情做好就不容易; 2、每天的事情每天做,自己的事情自己做; 3、做正确的事,正确地做事。 (二)实现一个目标: 强化仓库基础管理,提升仓库的管理品质 二、5S 推行的准备阶段 (一)首先表达实行5S 仓库管理活动的决心; (二)建立5S 仓库管理活动的组织、策划、实施、检查、考评等。 三、5S 的实施评价阶段 (一)整理阶段(1 月1 日至1 月10 日为实施阶段,以后为保持和循环改善阶段) 1、整理的推行要领 (1)对工作场所(范围)进行全面检查,包括看得到和看不到的地方; (2)制定“要”和“不要”的判别基准; (3)按照基准清除不要的物品; (4)制定非必需品的处理方法,并按此方法清理非必需品; (5)每日自我检查,循环整理。 2、整理的范围: (1)办公桌椅、文件夹柜、抽屉等的整理; (2)电子文件夹的整理; (3)仓库、货架、储物间等的整理。 3、整理的检查考核表 项 次 查检项 目 检查状 况 评分 标准 得分 1 通 道 有很 多 东 西 ,或 脏 乱 0 虽 能 通 行,但 要避 开 ,不能 正常 通 行 1 摆 放 的物品超 出 通 道 2 超 出 通 道 ,但 有警 示 牌 3 畅 通 ,整洁 4 2 2 工作场所 一个月以上未用的物品杂乱堆放 0 角落放置不必要的东西 1 放半个月以后要用的东西,且紊乱 2 一周内要用,且整理好 3 3 日内使用,且整理很好 4 3 办公桌 不使用的物品杂乱堆放 0 半个月才用一次的也有 1 一周内要用,但过量 2 当日使用,但杂乱 3 桌面及抽屉内之物品均为当日使用,且整齐 4 4 仓库 塞满东西,人不易行走 0 东西杂乱摆放 1 有定位规定,但没被严格遵守 2 有定位,有管理,但进出不方便 3 杂乱存放不使用的物品 0 料架破旧,缺乏整理 1 摆放不使用的物品,但较整齐 2 料架上的物品整齐摆放 3 摆放物为近日用,很整齐 4 (二) 整顿阶段(1 月11 至1 月20 日为实施阶段,以后为保持和持续改善阶段) 1、整顿的推行要领 (1)彻底地进行整理 (2)确定放置场所 (3)规定摆放方法 (4)进行标识 2、整顿的要求 一目了然,取用快捷。 3、整顿的检查考核表 项次 查检项目...

1、当您付费下载文档后,您只拥有了使用权限,并不意味着购买了版权,文档只能用于自身使用,不得用于其他商业用途(如 [转卖]进行直接盈利或[编辑后售卖]进行间接盈利)。
2、本站所有内容均由合作方或网友上传,本站不对文档的完整性、权威性及其观点立场正确性做任何保证或承诺!文档内容仅供研究参考,付费前请自行鉴别。
3、如文档内容存在违规,或者侵犯商业秘密、侵犯著作权等,请点击“违规举报”。

碎片内容

仓库5S管理实施方案

确认删除?
VIP
微信客服
  • 扫码咨询
会员Q群
  • 会员专属群点击这里加入QQ群
客服邮箱
回到顶部