电脑桌面
添加小米粒文库到电脑桌面
安装后可以在桌面快捷访问

仓库常用灭火器

仓库常用灭火器_第1页
1/17
仓库常用灭火器_第2页
2/17
仓库常用灭火器_第3页
3/17
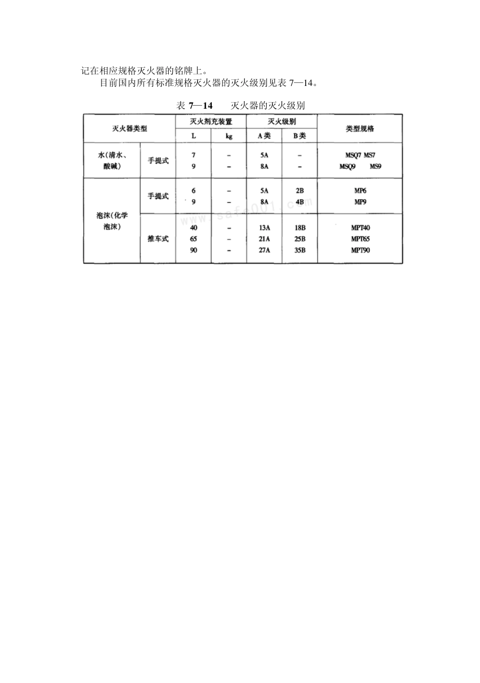
仓库常用灭火器 灭火器是扑救初起火灾最常用的灭火器材,在仓库中尤其以手提式和推车式灭火器使用普遍,使用面广。目前,我国生产灭火器的厂家已达数百家,能生产六大类 23 种各类灭火器,年产量达几百万具。 一、概述 (一)分类 我国通常采用按照充装灭火剂的种类、灭火器重量、加压方式三种分类方法进行分类。 1.按充装灭火剂种类分 (1)清水灭火器:灭火剂为水和少量添加剂; (2)酸碱灭火器:碳酸氢钠和硫酸铝; (3)化学泡沫灭火器:碳酸氢钠和硫酸铝; (4)轻水泡沫灭火器:氟碳表面活性剂和添加剂; (5)二氧化碳灭火器:CO 2; (6)干粉灭火器:碳酸氢钠或磷酸铵干粉灭火剂; (7)卤代烷灭火器:卤代烷 1211、1301、2402。 2.按灭火器的重量分 (1)手提式灭火器:总重在 28 公斤以下;容量在 10 公斤(升)左右。 (2)背负式灭火器:总重在 40 公斤以下;容量在 25 公斤以内。 (3)推车式灭火器:总重在 40 公斤以上;容量在 100 公斤(升)以内。 3.按加压方式分 (1)化学反应式:两种药剂混合,进行化学反应产生气体而加压。包括酸碱灭火器和化学泡沫灭火器。 (2)储气瓶式:气体储存在钢瓶内,当使用时,打开钢瓶使气体与灭火剂混合。包括清水灭火器、轻水泡沫灭火器和干粉灭火器。 (3)储压式:灭火器筒身内已充入气体,灭火剂与气体混装,经常处于加压状态,包括二氧化碳灭火器和卤代烷灭火器。 (二)标志 灭火器外表涂以红色油漆。 (三)灭火器类型规格编码 GBJ140—90 国家规范认可的国产各种标准类型规格灭火器的类型规格编号代码见表 7—13。 表 7—1 3 灭火器类型规格编码的字母含义 举例: MY4:M 代表灭火器;Y 代表7211 灭火剂;4 代表充装1211 灭火剂4Kg。 MF8:M 代表灭火器;F 代表干粉灭火剂;8 代表充装干粉8Kg。 MS7:M 代表灭火器;S 代表酸碱灭火剂;7 代表充装灭火剂7L。 (四)火灾种类的划分 仓库火灾种类应根据物质及其燃烧特性划分为以下几类: 1.A 类火灾:指含碳固体可燃烧物,如木材、棉、毛、麻、纸张等燃烧的火灾; 2.B 类火灾:指甲、乙、丙类液本,如汽油、煤油、柴油、甲醇、乙醚、丙酮等燃烧的火灾; 3.C 类火灾:指可燃气体,如煤气、天然气、甲烷、丙烷、乙炔、氢气等燃烧的火灾; 4.D 类火灾:指可然金属,如钾、钠、镁、钛、锆、锂、铝镁合金等燃烧的火灾; 5.带电火灾:指带电物体燃烧的火灾。 (五)灭火器的灭火级别 灭火器的灭火级...

1、当您付费下载文档后,您只拥有了使用权限,并不意味着购买了版权,文档只能用于自身使用,不得用于其他商业用途(如 [转卖]进行直接盈利或[编辑后售卖]进行间接盈利)。
2、本站所有内容均由合作方或网友上传,本站不对文档的完整性、权威性及其观点立场正确性做任何保证或承诺!文档内容仅供研究参考,付费前请自行鉴别。
3、如文档内容存在违规,或者侵犯商业秘密、侵犯著作权等,请点击“违规举报”。

碎片内容

仓库常用灭火器

确认删除?
VIP
微信客服
  • 扫码咨询
会员Q群
  • 会员专属群点击这里加入QQ群
客服邮箱
回到顶部