电脑桌面
添加小米粒文库到电脑桌面
安装后可以在桌面快捷访问

仪器设备管理总台账

仪器设备管理总台账_第1页
1/7
仪器设备管理总台账_第2页
2/7
仪器设备管理总台账_第3页
3/7
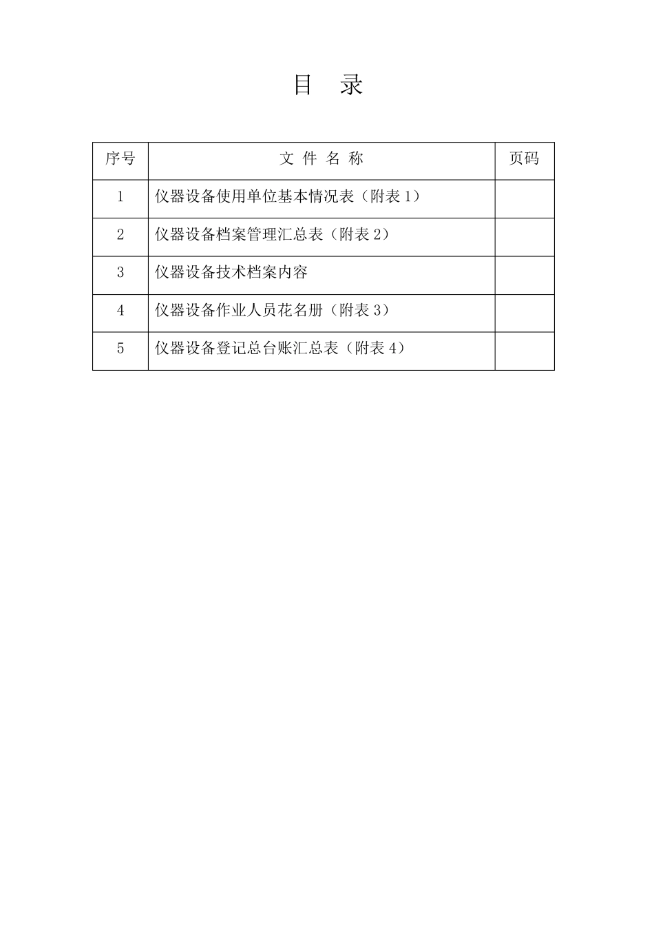
仪器设备管理总台帐 单位全称(盖章): 台帐建立日期: 台帐最后修改日期: 归档号: 目 录 序号 文 件 名 称 页码 1 仪器设备使用单位基本情况表(附表1) 2 仪器设备档案管理汇总表(附表2) 3 仪器设备技术档案内容 4 仪器设备作业人员花名册(附表3) 5 仪器设备登记总台账汇总表(附表4) 附表1: 仪器设备使用单位基本情况表 使用单位名称 企业性质 地 址 主要产品 法定代表人 联系电话 仪器设备台数 (台) 仪器设备操作人员 (人) 安全管理人员 联系电话 附表2: 仪器设备档案管理汇总表 序号 设备名称 设备型号 归档号 备注 仪器设备技术档案内容: ( 1) 仪 器 设 备 的 设 计 文 件 、制造单位、使用维护说明等文 件 以及安装技术文 件 和资料; ( 2) 仪 器 设 备 的 定期检验和定期自行检查记录; ( 包括设 备 检定或检验合格证书等) ( 3) 仪 器 设 备 的 日常使用状况记录; ( 4) 仪 器 设 备 说明书、电路图、装箱单、出厂合格证等出厂时的 原始资料; 附表3: 仪器设备作业人员花名册 设备作业 工种类别 姓名 性别 身份证号 仪器设备作业 人员证书编号 培训情况/有效期至 复审记录 附表4: 仪 器 设 备 登 记 总 台 账 单位名称: 地址: 序号 设备名称 型号 单位内部编号 制造单位名称 使用状态 检测责任所在单位 设备安装地址 出厂编号 下次检验日期 仪器设备管理人员 备注 填表人:_ _ _ _ _ _ _ 填表时间: _ _ _ _ _ _ _ _ _ _ 共 页,第 页

1、当您付费下载文档后,您只拥有了使用权限,并不意味着购买了版权,文档只能用于自身使用,不得用于其他商业用途(如 [转卖]进行直接盈利或[编辑后售卖]进行间接盈利)。
2、本站所有内容均由合作方或网友上传,本站不对文档的完整性、权威性及其观点立场正确性做任何保证或承诺!文档内容仅供研究参考,付费前请自行鉴别。
3、如文档内容存在违规,或者侵犯商业秘密、侵犯著作权等,请点击“违规举报”。

碎片内容

仪器设备管理总台账

小辰7+ 关注
实名认证
内容提供者

出售各种资料和文档

确认删除?
VIP
微信客服
  • 扫码咨询
会员Q群
  • 会员专属群点击这里加入QQ群
客服邮箱
回到顶部