电脑桌面
添加小米粒文库到电脑桌面
安装后可以在桌面快捷访问

基于PLC电梯控制系统设计的创新实验

基于PLC电梯控制系统设计的创新实验_第1页
1/5
基于PLC电梯控制系统设计的创新实验_第2页
2/5
基于PLC电梯控制系统设计的创新实验_第3页
3/5
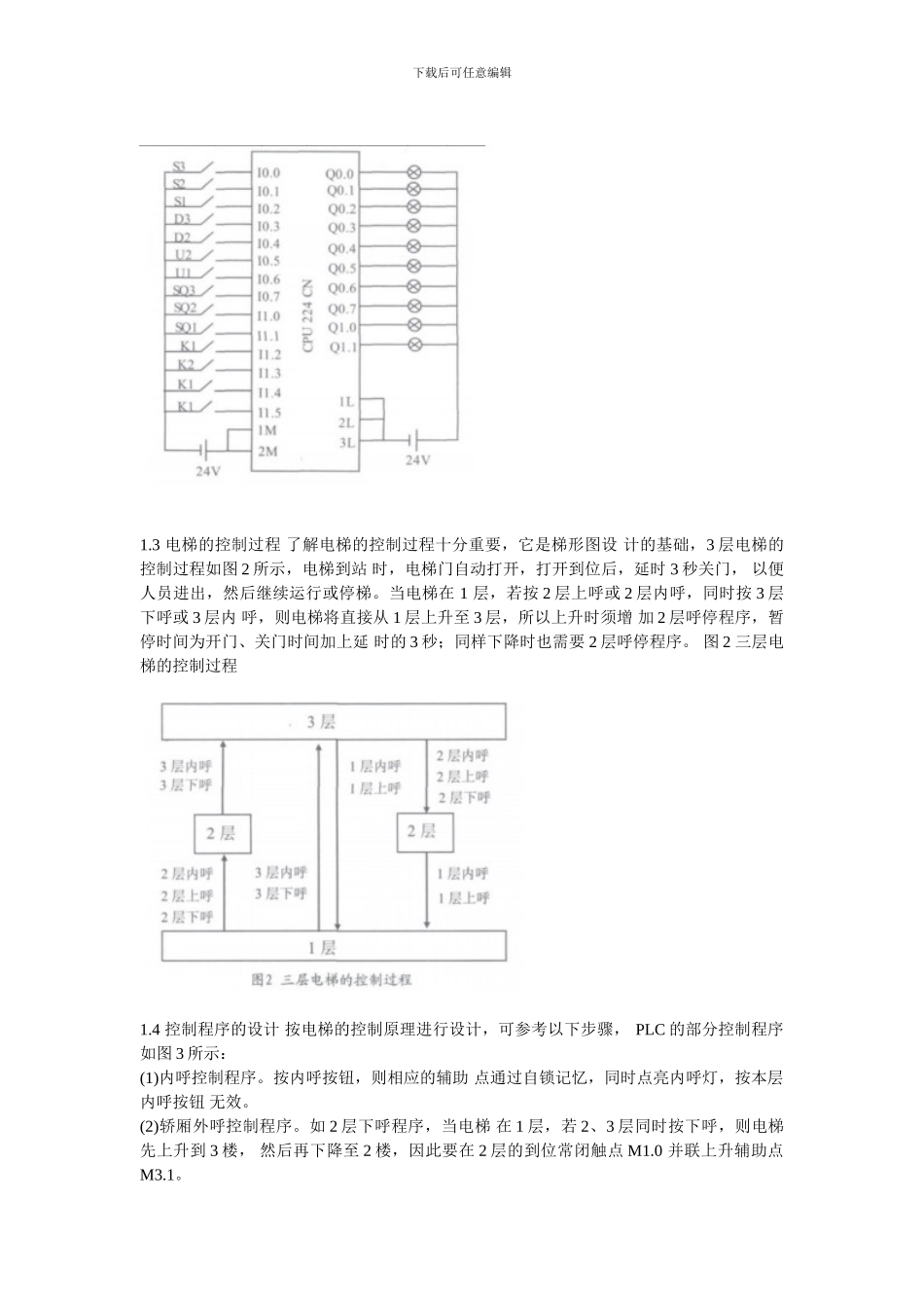
下载后可任意编辑基于 PLC 电梯控制系统设计的创新实验 许少衡 张廷锋 莫文贞 华南理工大学 广东广州 510640 摘 要:针对高校非电专业电工学的 PLC 创新实验,探讨了基于西门子 S7-200 型的 PLC 三层电梯控制系统的设计,从电梯的 控制需求、P L C 的选择、I/O 口的分配、梯形图的设计和调试等方面,介绍了创新实验的设计步骤及方法,引导学生自己设 计控制程序,并在电梯模型上验证程序的正确性,对培育学生的工程意识和创新精神有一定的帮助。 关键词:可编程控制器;三层电梯;创新实验 收稿日期:2010-10-07 作者简介:许少衡,硕士,工程师。 传统的电工学实验,因学时较少,可编程控制 器的实验以验证性实验为主,学生很少能作综合性、 设计性的实验。本文以 P L C 控制电梯的工程背景设计 创新实验,让学生了解电梯的控制过程,引导学生自 己设计控制程序,在实验箱上完成三层电梯控制的模 拟,最后在电梯模型上验证控制程序的正确性,对可 编程控制器综合性、设计性实验的设计进行了有益的 尝试。 1 三层电梯控制系统的设计 1.1 电梯的控制需求(1)电梯无司机驾驶,自动响应各楼层的上呼、 下呼信号和轿厢内呼信号;(2)电梯按先入为主的原则,自动确定运行方 向,对反方向的呼叫先记忆,当电梯完成全部顺向指 令后,再响应反方向的呼叫;(3)电梯到达顶层或底层时,自动停止,延时后 可改变方向继续运行; (4)电梯到站后自动平层开门,延时关门;(5)手动开、关门控制。1.2 PLC 的选择、I/O 口的分配和接线 本实验需要 P L C 具有 14 个输入点,10 个输出点, 因此可选用西门子 S7-200 系列 CPU 224 CN 可编程控制 器,I/O 口分配及辅助点定义见表1,P L C 的接线如图 1 所示。下载后可任意编辑1.3 电梯的控制过程 了解电梯的控制过程十分重要,它是梯形图设 计的基础,3 层电梯的控制过程如图 2 所示,电梯到站 时,电梯门自动打开,打开到位后,延时 3 秒关门, 以便人员进出,然后继续运行或停梯。当电梯在 1 层,若按 2 层上呼或 2 层内呼,同时按 3 层下呼或 3 层内 呼,则电梯将直接从 1 层上升至 3 层,所以上升时须增 加 2 层呼停程序,暂停时间为开门、关门时间加上延 时的 3 秒;同样下降时也需要 2 层呼停程序。 图 2 三层电梯的控制过程 1.4 控制程序的设计 按电梯的控制原理进行设计,可参考以下步骤, PLC ...

1、当您付费下载文档后,您只拥有了使用权限,并不意味着购买了版权,文档只能用于自身使用,不得用于其他商业用途(如 [转卖]进行直接盈利或[编辑后售卖]进行间接盈利)。
2、本站所有内容均由合作方或网友上传,本站不对文档的完整性、权威性及其观点立场正确性做任何保证或承诺!文档内容仅供研究参考,付费前请自行鉴别。
3、如文档内容存在违规,或者侵犯商业秘密、侵犯著作权等,请点击“违规举报”。

碎片内容

基于PLC电梯控制系统设计的创新实验

您可能关注的文档

文旅传媒+ 关注
实名认证
内容提供者

传播文化,成就未来

确认删除?
VIP
微信客服
  • 扫码咨询
会员Q群
  • 会员专属群点击这里加入QQ群
客服邮箱
回到顶部