电脑桌面
添加小米粒文库到电脑桌面
安装后可以在桌面快捷访问

企业安全生产标准化级别评定

企业安全生产标准化级别评定_第1页
1/18
企业安全生产标准化级别评定_第2页
2/18
企业安全生产标准化级别评定_第3页
3/18
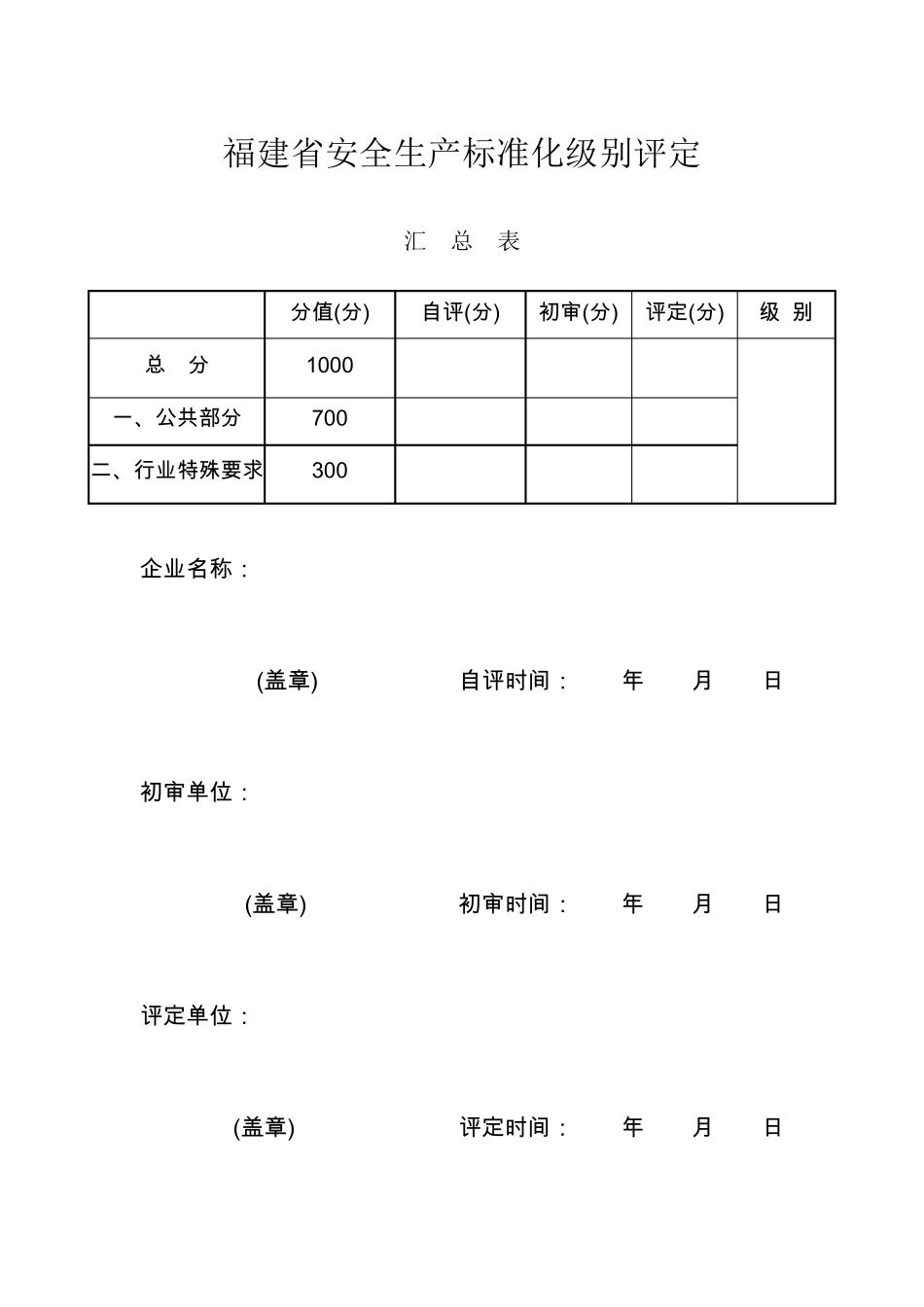
福建省安全生产标准化级别评定 汇 总 表 分 值 (分 ) 自 评 (分 ) 初 审 (分 ) 评 定 (分 ) 级 别 总 分 1000 一 、公共部分 700 二、行业特殊要求 300 企业名称: (盖章) 自 评 时间: 年 月 日 初 审 单位: (盖章) 初 审 时间: 年 月 日 评 定 单位: (盖章) 评 定 时间: 年 月 日 福建省安全生产标准化级别评定标准 一、公共部分(7 0 0 分) 包括:主体合法、组织保障、宣传教育、安全权益、规章制度、安全条件、隐患治理、事故管理、应急管理等九个方面。 类 别 评定项目 分值(分) 否 决 项 自评(分) 初审(分) 评定(分) 评分标准 (一) 主 体 合 法 ︵ 40 分 ︶ 1.证照齐全有效。 20 证照不齐的评为c 级或D 级。未取证的予以取缔。 2.生产经营活动符合批准范围。 10 超范围的扣10 分。 3.无违规转让、出租证照行为。 10 ○ 违规转让、出租证照的评为C 级或D 级。 小 计 40 (二) 组 织 保 障 ︵ 45 分 ︶ 1.按规定设置安全生产管理机构或配备安全生产管理人员。并按规定配备注册安全工程师。在班组配备专(兼)职安全员。 20 未设置机构或配备安管人员的评为C、D级。未按规定配备注册安全工程师的扣5分,班组未配备专(兼)职安全员的扣10分。 2.明确企业内部以主要负责人为核心的各级、各部门、各岗位安全职责,签订安全生产责任书。 20 未明确安全职责的少一项扣5 分;未签订安全生产责任书的少一级扣5 分,每少 1 人扣l 分。 3.工会组织或员工代表参与安全监督。 5 未落实的扣5 分,落实不到位的扣3 分。 小 计 45 类 别 评定项目 分值(分) 否 决 项 自评(分) 初审(分) 评定(分) 评分标准 (三) 宣 传 教 育 ︵ 75 分 ︶ 1.主要负责人、安全生产管理人员具备相应安全知识和管理能力,经培训合格后任职。 15 主要负责人或安全生产管理人员未取得相应资格证书的分别扣10 分。 2.特种作业人员和特种设备作业人员应按国家有关规定经专门的安全作业培训,取得特种作业和特种设备操作资格证书后方可上岗作业。 20 未持证上岗的评为C级,部分未持证上岗的扣10 分。 3.对新员工进行三级安全教育;对相关人员进行转岗、复工教育及全员安全技能教育。 10 未进行厂、车间、岗位三级教育,每少一级扣5 分,有人员缺漏或未进行转岗、复工及全员安全技能教育的扣5 分。 ...

1、当您付费下载文档后,您只拥有了使用权限,并不意味着购买了版权,文档只能用于自身使用,不得用于其他商业用途(如 [转卖]进行直接盈利或[编辑后售卖]进行间接盈利)。
2、本站所有内容均由合作方或网友上传,本站不对文档的完整性、权威性及其观点立场正确性做任何保证或承诺!文档内容仅供研究参考,付费前请自行鉴别。
3、如文档内容存在违规,或者侵犯商业秘密、侵犯著作权等,请点击“违规举报”。

碎片内容

企业安全生产标准化级别评定

确认删除?
VIP
微信客服
  • 扫码咨询
会员Q群
  • 会员专属群点击这里加入QQ群
客服邮箱
回到顶部