电脑桌面
添加小米粒文库到电脑桌面
安装后可以在桌面快捷访问

传送带的PLC控制

传送带的PLC控制_第1页
1/16
传送带的PLC控制_第2页
2/16
传送带的PLC控制_第3页
3/16
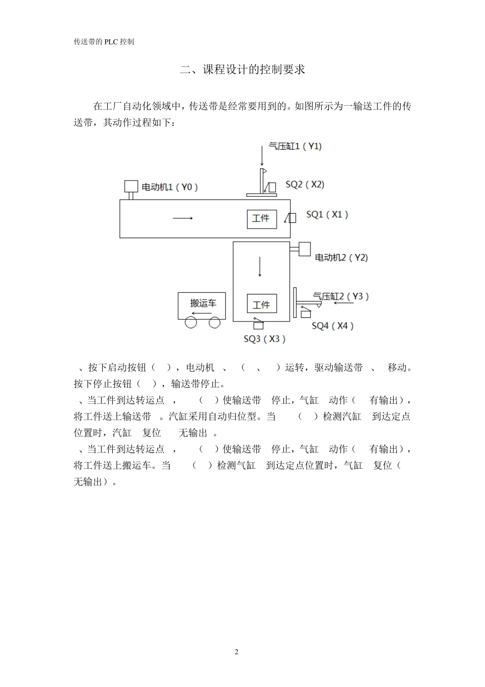
传送带的PLC 控制 1 传送带的PLC控制 一、课题背景 我国早期的矿产资源传送带输送工序主要是采用手工传送,后来随着科学技术的发展,人们逐渐采用机械化装箱。我国最早使用的传送带输送机主要是从外国进口的,20世纪 70年代中期,天津力生制药厂就曾经进口过意大利生产的全传送带输送机,但由于当时我国传送材料的质量及矿产资源制作工艺等都达不到机械传送的要求,使得传送带输送机一直无法正常使用。所以,全传送带输送机在我国的应用一直无法得到广泛的推进,以致我国矿产资源生产在很长的一段时间内不得不放弃传送带输送机而采用手工操作,使生产效率极端低下。20世纪80年代后,相关技术水平获得了飞速发展,传送材料的质量及箱子制作工艺等方面的技术有了明显的进步,全传送带输送机开始得到了应用与推广。也正是此时,矿产资源传送带输送机改变了国外矿产资源一统天下的局面,国产矿产资源传送带输送机开始面市并获得了广泛的应用。20世纪 90年代末期,一些生产量大的生产企业相机开始采用国产的全传送带输送机来代替手工传送,同时国内一些相关的企业也在研制与生产功能更加全面的全自动矿产资源传送带输送机。 目前,影响我国传送产业发展的主要问题是,矿产资源结构和产业布局不尽合理,中低档矿产资源和设备占较大比重;政府和企业研发资金投入不足,产业技术水平不高,性能要求高的传送带输送机设备和原辅料主要依赖进口;企业规模小,效益差,产业集中度低,竞争实力不强;法规不健全,标准水平滞后。这种状况,难以适应现代自动传送工业向高技术、国际化、规模化、环保化发展的需要,无法满足我国经济持续、健康、稳定、快速发展对传送工业的需要不能适应我国矿产资源参与国际大循环的需要。所以我国的传送带输送机应在质量发面、适应性发面、可靠性方面以及工作效率方面缩小我们与国外的差距,实现传送自动化。整体的自动化传送方案的解决,对自动化是一种全新的飞跃,随着这种趋势的发展,各行业都会加入其中,发挥它强大的功能。 传送带的PLC 控制 2 二、课程设计的控制要求 在工厂自动化领域中,传送带是经常要用到的。如图所示为一输送工件的传送带,其动作过程如下: 1、按下启动按钮(X0),电动机 1、2(Y0、Y2)运转,驱动输送带1、2移动。按下停止按钮(X5),输送带停止。 2、当工件到达转运点 A,SQ1(X1)使输送带1停止,气缸 1动作(Y1有输出),将工件送上输送带2。汽缸采用自动归位型。当 SQ2(X2...

1、当您付费下载文档后,您只拥有了使用权限,并不意味着购买了版权,文档只能用于自身使用,不得用于其他商业用途(如 [转卖]进行直接盈利或[编辑后售卖]进行间接盈利)。
2、本站所有内容均由合作方或网友上传,本站不对文档的完整性、权威性及其观点立场正确性做任何保证或承诺!文档内容仅供研究参考,付费前请自行鉴别。
3、如文档内容存在违规,或者侵犯商业秘密、侵犯著作权等,请点击“违规举报”。

碎片内容

传送带的PLC控制

确认删除?
VIP
微信客服
  • 扫码咨询
会员Q群
  • 会员专属群点击这里加入QQ群
客服邮箱
回到顶部