电脑桌面
添加小米粒文库到电脑桌面
安装后可以在桌面快捷访问

低压熔断器及其选择

低压熔断器及其选择_第1页
1/7
低压熔断器及其选择_第2页
2/7
低压熔断器及其选择_第3页
3/7
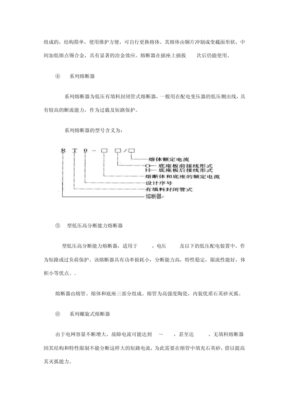
低压熔断器及其选择 低压熔断器及其选择 在城乡电网配电装置的短路故障和过负荷保护中,熔断器保护起着重要的作用。一方面就是低压线路发生短路时,其电流达到熔丝额定电流的1.3~2.1倍时,在一定的时间内熔丝受热熔断,自动切断短路电流,保护低压配电设备的安全。再就是配电变压器的出线工作电流等于配电变压器的额定电流时,熔丝起到配电变压器的过载保护作用。 (1)熔断器的性能 ①RClA型熔断器 RClA型瓷插式熔断器,主要作为室内交流380V及以下的低压回路短路和过负荷保护之用。该系列瓷插式熔断器主要由瓷盖、瓷底、触头和熔体四部分组成,其本身没有固定的熔体,对于熔量较大的熔断器,在灭弧室内还有编织的石棉,用来帮助灭弧。 ②RMl0系列熔断器 RMl0系列熔断器适用于交流50Hz、额定电压为 220V、380V的低压配电装置中,作短路和过负荷保护。 RMl0系列熔断器为无填料封闭管式熔断器,由熔断管、熔体及触座组成,具有结构简单、更换熔体方便等优点。 ③RM7系列熔断器 RM7系列熔断器。它是一种无填料封闭管式新系列熔断器,用于交流电压至 380V直流电压至 440V,电流至 600A的电力线路中,作导线、电缆及电气设备的短路和连续过载保护用。它可以取代 RMI、RM2、RM3、RMl0等系列老产品。它是由插座、可拆卸的熔断管及熔体组成的,结构简单,使用维护方便,可自行更换熔体。其熔体由铜片冲制成变截面形状,中间加低熔点锡合金,具有显著的冶金效应。熔断器在插座上插拔500次后仍能使用。 ④RTO系列熔断器 RTO系列熔断器为低压有填料封闭管式熔断器,一般用在配电变压器的低压侧出线,具有较高的断流能力,作为过载及短路保护。 RTO系列熔断器的型号含义为: ⑤NT型低压高分断能力熔断器 NT型低压高分断能力熔断器,适用于 50142,电压 660V及以下的低压配电装置中,作为短路或过负荷保护。该熔断器具有功率损耗小,分断能力高,特性稳定,限流性能好,体积小等优点。. 熔断器由熔管、熔体和底座三部分组成。熔管为高强度陶瓷,内装优质石英砂灭弧。 ⑥RLl系列螺旋式熔断器 由于电网容量不断增大,故障电流可能达到 20~50kA,甚至达 100kA。无填料熔断器因其结构和特性限制不能分断这样大的短路电流,为此需要在熔管中填充石英砂,借以提高其灭弧能力。 RLl系列螺旋式熔断器(俗称螺旋保险器),适用于交流 50~60Hz,电压至 500V,额定电流至 200A的电路中,作为过载及短路保护元件。 RLl系列熔断器由瓷制底...

1、当您付费下载文档后,您只拥有了使用权限,并不意味着购买了版权,文档只能用于自身使用,不得用于其他商业用途(如 [转卖]进行直接盈利或[编辑后售卖]进行间接盈利)。
2、本站所有内容均由合作方或网友上传,本站不对文档的完整性、权威性及其观点立场正确性做任何保证或承诺!文档内容仅供研究参考,付费前请自行鉴别。
3、如文档内容存在违规,或者侵犯商业秘密、侵犯著作权等,请点击“违规举报”。

碎片内容

低压熔断器及其选择

小辰2+ 关注
实名认证
内容提供者

出售各种资料和文档

确认删除?
VIP
微信客服
  • 扫码咨询
会员Q群
  • 会员专属群点击这里加入QQ群
客服邮箱
回到顶部