电脑桌面
添加小米粒文库到电脑桌面
安装后可以在桌面快捷访问

低压配电柜安装技术交底VIP专享

低压配电柜安装技术交底_第1页
1/7
低压配电柜安装技术交底_第2页
2/7
低压配电柜安装技术交底_第3页
3/7
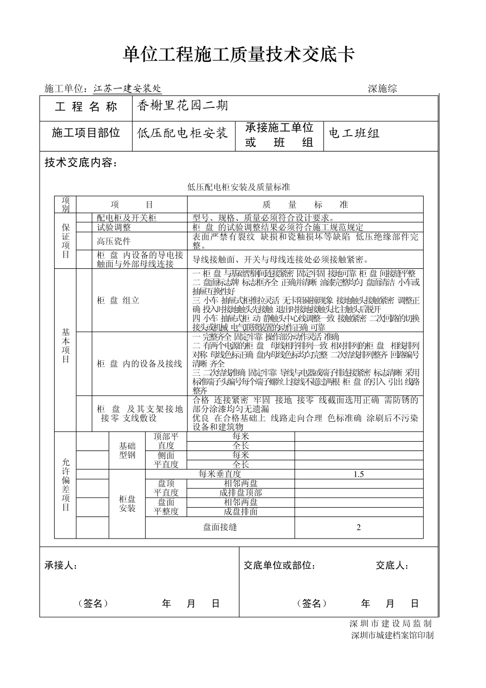
单位工程施工质量技术交底卡 施工单位:江苏一建安装处 深施综—8 工 程 名 称 香榭里花园二期 施工项目部位 低压配电柜安装 承接施工单位或 班 组 电工班组 技术交底内容: 香榭里花园二期配电房内的 25台低压配电柜已到货,由我处负责安装,在安装低压配电柜前,项目部就安装的技术要求及注意事项向施工班组作如下技术交底,请班组施工时严格遵照执行。 配电柜的底座根据图纸设计要求用 10#槽钢制作,固定底座用的底板,应由土建在施工基础或地平时预埋,安装时将底座槽钢与底板焊接好,底座槽钢应保持平整。本工程低压配电柜分两组,一组是正常配电系统,一组是应急配电系统。两段基础底座在安装时,中间应用-40×4m m 镀锌扁钢作电气连接。 配电柜固定采用螺栓固定,先将底座开大于螺栓直径孔,孔洞应与配电柜底座孔相吻合,然后将螺栓穿过底座及配电柜孔,以螺栓、垫片、螺母固定。柜盘应有良好可靠、牢固的接地装置,装有电器可开启的柜盘门,应以软导线与接地的金属构架可靠地接地,成套柜内应装有固定的专用接地汇流排。 抽屉式配电柜抽屉应灵活轻便、无卡阻、碰撞现象,抽屉应能互换,动触头与静触头的中心线应一致,触头接触应紧密。机械连锁或电气连锁装置动作正确可靠,断路分闸后,动触头才能分开。机械连锁和电气连锁动作应正确可靠,断路器分闸后,隔路器分闸后隔离触头才分开。抽屉与柜体的接地触头应接触紧密,当抽屉推入后,抽屉的接触触头应比主触头先接触,拉出程序相反。 成排柜安装应注意事项。成排配电柜(盘、屏)安装时,可把每个柜调整到大致水平的位置,然后再从左到右(或从右到左)精确地校正好第一个柜,再以第一个柜为标准依次校准其他各柜的安装位置。调整好的配电柜(盘、屏)面一致、整齐。柜与柜之间应用螺栓固定好,无明显缝隙。盘顶平直度与盘面平直度及垂直度等应符合“2-12成套配电柜(盘)及动力开关柜安装工程”分项工程质量检验评定标准表中“允许偏差项目”3-6分项的要求。然后用电焊或连接螺栓将配电柜底座固定在基础型钢上。电焊,每个柜焊缝不应小于四处,每处焊缝长度约 100mm左右。注意焊缝应在柜体内侧。柜下校正柜的垫铁,也应焊在基础型钢上。型钢上的螺栓连接孔,不准用氧气切割开孔。不允许基础型钢焊接处焊渣清理不净,除锈不净,油漆不均匀,有漏刷现象。 承接人: (签名) 年 月 日 交底单位或部位: 交底人: (签名) 年 月 日 深圳 市 建 设...

1、当您付费下载文档后,您只拥有了使用权限,并不意味着购买了版权,文档只能用于自身使用,不得用于其他商业用途(如 [转卖]进行直接盈利或[编辑后售卖]进行间接盈利)。
2、本站所有内容均由合作方或网友上传,本站不对文档的完整性、权威性及其观点立场正确性做任何保证或承诺!文档内容仅供研究参考,付费前请自行鉴别。
3、如文档内容存在违规,或者侵犯商业秘密、侵犯著作权等,请点击“违规举报”。

碎片内容

低压配电柜安装技术交底

确认删除?
VIP
微信客服
  • 扫码咨询
会员Q群
  • 会员专属群点击这里加入QQ群
客服邮箱
回到顶部