电脑桌面
添加小米粒文库到电脑桌面
安装后可以在桌面快捷访问

停备用热力设备防锈蚀保护制度

停备用热力设备防锈蚀保护制度_第1页
1/15
停备用热力设备防锈蚀保护制度_第2页
2/15
停备用热力设备防锈蚀保护制度_第3页
3/15
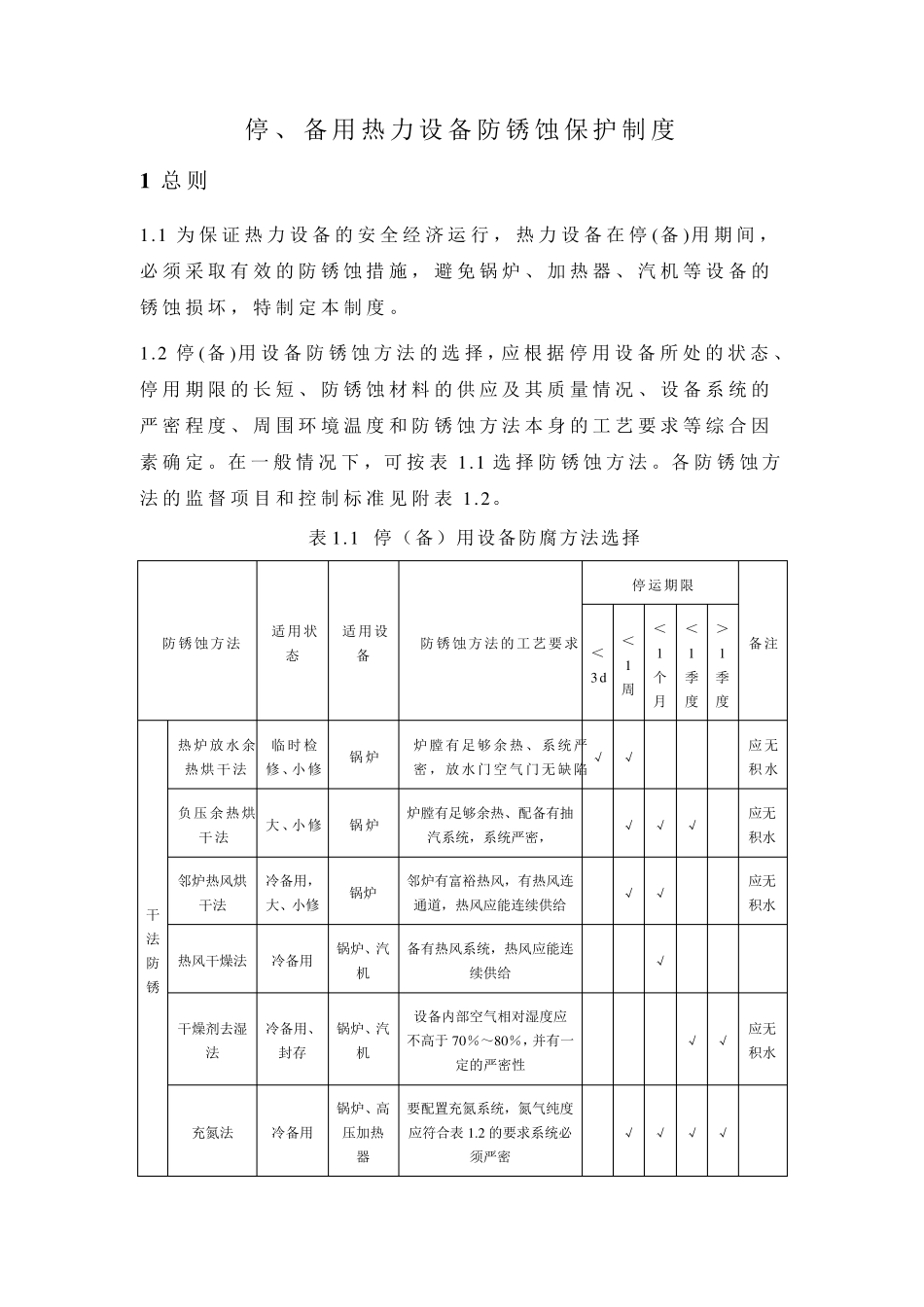
停 、 备 用 热 力 设 备 防 锈 蚀 保 护 制 度 1 总 则 1 .1 为 保 证 热 力 设 备 的 安 全 经 济 运 行 , 热 力 设 备 在 停 (备 )用 期 间 ,必 须 采 取 有 效 的 防 锈 蚀 措 施 , 避 免 锅 炉 、 加 热 器 、 汽 机 等 设 备 的锈 蚀 损 坏 , 特 制 定 本 制 度 。 1 .2 停 (备 )用 设 备 防 锈 蚀 方 法 的 选 择 ,应 根 据 停 用 设 备 所 处 的 状 态 、停 用 期 限 的 长 短 、 防 锈 蚀 材 料 的 供 应 及 其 质 量 情 况 、 设 备 系 统 的严 密 程 度 、 周 围 环 境 温 度 和 防 锈 蚀 方 法 本 身 的 工 艺 要 求 等 综 合 因素 确 定 。在 一 般 情 况 下 ,可 按 表 1 .1 选 择 防 锈 蚀 方 法 。各 防 锈 蚀 方法 的 监 督 项 目 和 控 制 标 准 见 附 表 1 .2 。 表 1 .1 停(备)用设备防腐方法选择 防锈蚀方法 适用状态 适用设备 防锈蚀方法的工艺要求 停运期限 备注 <3 d <1周 <1个月 <1季度 >1季度 干法防锈 热炉放水余热烘干法 临时检修、小修 锅炉 炉膛有足够余热、系统严密,放水门空气门无缺陷 √ √ 应无积水 负压余热烘干法 大、小修 锅炉 炉膛有足够余热、配备有抽汽系统,系统严密, √ √ √ 应无积水 邻炉热风烘干法 冷备用,大、小修 锅炉 邻炉有富裕热风,有热风连通道,热风应能连续供给 √ √ 应无积水 热风干燥法 冷备用 锅炉、汽机 备有热风系统,热风应能连续供给 √ 干燥剂去湿法 冷备用、封存 锅炉、汽机 设备内部空气相对湿度应不高于 7 0 %~8 0 %,并有一定的严密性 √ √ 应无积水 充氮法 冷备用 锅炉、高压加热器 要配置充氮系统,氮气纯度应符合表 1 .2 的要求系统必须严密 √ √ √ √ 防锈蚀方法 适用状态 适用设备 防锈蚀方法的工艺要求 停运期限 备注 <3d <1周 <1个月 <1季度 >1季度 气相缓蚀剂法 冷备用、封存 锅炉、高压加热器 要配置热风气化充气系统,系统应严密,锅炉、高压加热器应基本干燥 √ √ 应无积水 湿法防锈 氨水法 冷备用、封存 锅炉、高压加热器 要配置加药装置 √ 氨-联氨法 冷备用、封存 锅炉、高压加热器 要配置加药系统和废液处...

1、当您付费下载文档后,您只拥有了使用权限,并不意味着购买了版权,文档只能用于自身使用,不得用于其他商业用途(如 [转卖]进行直接盈利或[编辑后售卖]进行间接盈利)。
2、本站所有内容均由合作方或网友上传,本站不对文档的完整性、权威性及其观点立场正确性做任何保证或承诺!文档内容仅供研究参考,付费前请自行鉴别。
3、如文档内容存在违规,或者侵犯商业秘密、侵犯著作权等,请点击“违规举报”。

碎片内容

停备用热力设备防锈蚀保护制度

确认删除?
VIP
微信客服
  • 扫码咨询
会员Q群
  • 会员专属群点击这里加入QQ群
客服邮箱
回到顶部