电脑桌面
添加小米粒文库到电脑桌面
安装后可以在桌面快捷访问

光缆型号详情

光缆型号详情_第1页
1/6
光缆型号详情_第2页
2/6
光缆型号详情_第3页
3/6
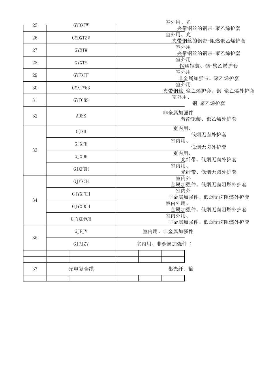
25GYDXTW室外用、光夹带钢丝的钢带-聚乙烯护套23GYDTA53室外用铝-聚乙烯内护套、钢-聚乙烯外护套24GYFDTA53室外用、非金铝-聚乙烯内护套、钢-聚乙烯外护套1222GYFDTZA室外用、油膏填充、铝-阻燃聚乙烯外护套室外用铝带纵包聚乙烯外护套GYTA光缆型号GYTY53GYTA53室外用聚乙烯双护套室外用铝-聚乙烯、聚乙烯双护套GYTS室外用聚乙烯外护套6GYFTA53室外用、油膏填充、钢带纵包、聚5GYTZA53室外用铝-聚乙烯、阻燃聚乙烯双护套34室外用、油膏8GYFTA10室外用、铝-聚乙烯外护套GYFTZA53室外用、油膏填充、钢带纵包、71314GYTA333室外用、油双层细圆钢丝铠装、聚乙烯外护套GYFTZA11室外用、铝-阻燃聚乙烯外护套室外用、油钢-聚乙烯内护套、细圆钢丝铠装、聚乙烯外护套GYTA53+339GYFTY室外用、聚乙烯外护套GYTA33室外用、油细圆钢丝铠装、聚乙烯外护套12GYTZA15GYTA54室外用、油钢-聚乙烯内护套、聚乙烯+尼龙外护套GYTA3416室外用、油细圆钢丝铠装、聚乙烯+尼龙外护套GYTS0417室外用、油聚乙烯+尼龙外护套18GYDTA室外用铝带-聚乙烯外护套21GYDTZA室外用铝-阻燃聚乙烯外护套室外用铝带-聚乙烯内护套、细圆钢丝铠装-聚乙烯外护套GYDTA331920GYFDTA室外用、油膏填充、铝-聚乙烯外护套光电复合缆37集光纤、输GJFJZY室内用、非金属加强件(3534GJFJV室内用、非金属加强件GJYXCHGJYXFCHGJYXDCHGJYXDFCH室内外金属加强件、低烟无卤阻燃外护套室内外非金属加强件、低烟无卤阻燃外护套室内外用、金属加强件、低烟无卤阻燃外护套室内外用、非金属加强件、低烟无卤阻燃外护套室内用、低烟无卤外护套室内用、低烟无卤外护套室内用、光纤带、低烟无卤外护套室内用、光纤带、低烟无卤外护套GJXHGJXFHGJXDHGJXFDH33非金属加强件芳纶铠装、聚乙烯外护套ADSS3231GYTC8S室外用、钢-聚乙烯护套30GYXTW53室外用夹带钢丝-聚乙烯护套、钢-聚乙烯外护套28GYXTS室外用钢丝铠装、钢-聚乙烯护套29GYFXTF室外用非金属加强带、聚乙烯护套26GYDXTZW室外用、光夹带钢丝的钢带-阻燃聚乙烯护套27GYXTW室外用夹带钢丝的钢带-聚乙烯护套25GYDXTW室外用、光夹带钢丝的钢带-聚乙烯护套用、光纤带、中心管式、油膏填充夹带钢丝的钢带-聚乙烯护套管道、架空、直埋室外用、光纤带、油膏填充铝-聚乙烯内护套、钢-聚乙烯外护套直埋、非金属加强件、光纤带、油膏填充铝-聚乙烯内护套、钢-聚乙烯外护套直埋、架空外用、非金属加强件、光纤带油膏填充、铝-阻燃聚乙烯外护套架空、有阻燃要求的场所描述应用...

1、当您付费下载文档后,您只拥有了使用权限,并不意味着购买了版权,文档只能用于自身使用,不得用于其他商业用途(如 [转卖]进行直接盈利或[编辑后售卖]进行间接盈利)。
2、本站所有内容均由合作方或网友上传,本站不对文档的完整性、权威性及其观点立场正确性做任何保证或承诺!文档内容仅供研究参考,付费前请自行鉴别。
3、如文档内容存在违规,或者侵犯商业秘密、侵犯著作权等,请点击“违规举报”。

碎片内容

光缆型号详情

确认删除?
VIP
微信客服
  • 扫码咨询
会员Q群
  • 会员专属群点击这里加入QQ群
客服邮箱
回到顶部