电脑桌面
添加小米粒文库到电脑桌面
安装后可以在桌面快捷访问

光缆线路工程施工规范

光缆线路工程施工规范_第1页
1/15
光缆线路工程施工规范_第2页
2/15
光缆线路工程施工规范_第3页
3/15
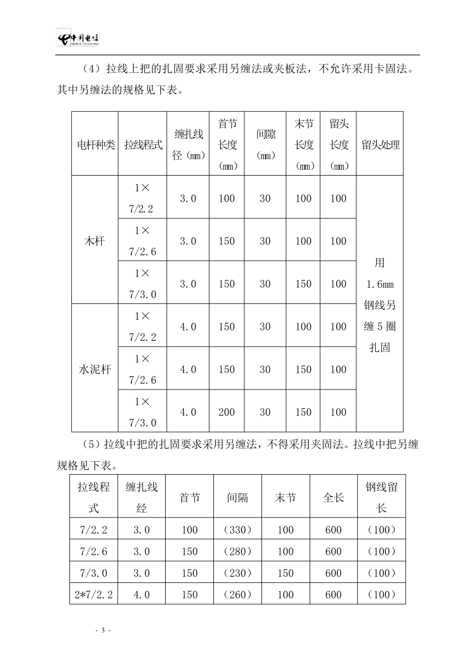
- 1 - 光缆线路工程施工规范 - 2 - 光缆线路工程施工技术要求 光缆线路施工要求 一、杆路部分 1、埋深要求 电杆洞深应符合下表的规定,洞深偏差应小于+50mm。 电杆类别 分 类 杆长(m) 洞深(m) 普通土 硬土 水田、泥地 石质 水泥杆 7 米 1.3 1.2 1.4 1.0 8 米 1.5 1.4 1.6 1.2 油杆 7 米 1.4 1.2 1.5 0.9 8 米 1.5 1.3 1.6 1 在杆路工程中应合理分配电杆,终端杆及角杆应选择粗电杆. 2、直线路由的电杆位置应在线路路由的中心线上,电杆中心线与路由中心线的左右偏差应不大于50mm,电杆本身应上、下垂直。终端杆竖直后应向拉线侧倾斜100—200 mm。 角杆的内移:木杆内移 200-400 mm;水泥杆内移 100-200 mm。 3、拉线: (1) 采用镀锌钢绞线,拉线程式要大于吊线程式一个规格。水泥杆拉线应加装绝缘子(即隔电子),隔电子距地面的垂直距离应在2 米以上。人行道上的拉线采用红白相间的拉线保护管保护。 (2) 油木杆的拉线不须加装绝缘子,但必须与吊线(包括护杆条、板)严格隔离。城市中人行道上的拉线采用红白相间的拉线保护管保护。 (3) 拉撑设备距高比应符合技术规定:拉线距高比为 1,不得小于0.75;撑杆距高比为 0.6,不得小于0.5。 - 3 - (4) 拉线上把的扎固要求采用另缠法或夹板法,不允许采用卡固法。其中另缠法的规格见下表。 (5)拉线中把的扎固要求采用另缠法,不得采用夹固法。拉线中把另缠规格见下表。 拉线程式 缠扎线经 首节 间隔 末节 全长 钢线留长 7/2.2 3.0 100 (330) 100 600 (100) 7/2.6 3.0 150 (280) 100 600 (100) 7/3.0 3.0 150 (230) 150 600 (100) 2*7/2.2 4.0 150 (260) 100 600 (100) 电杆种类 拉线程式 缠扎线 径(mm) 首节长度(mm) 间隙(mm) 末节长度(mm) 留头长度(mm) 留头处理 木杆 1×7/2.2 3.0 100 30 100 100 用1.6mm钢线另缠5 圈扎固 1×7/2.6 3.0 150 30 100 100 1×7/3.0 3.0 150 30 150 100 水泥杆 1×7/2.2 4.0 150 30 100 100 1×7/2.6 4.0 150 30 150 100 1×7/3.0 4.0 200 30 150 100 - 4 - 2×7/2.6 4.0 150 (210) 150 600 (100) 2×7/3.0 4.0 200 (310) 150 800 (100) (6)拉线地锚深度。 土 质 分类 坑深(m) 拉线程式(m) 普通土 硬土 水田、湿地 石质 7/2....

1、当您付费下载文档后,您只拥有了使用权限,并不意味着购买了版权,文档只能用于自身使用,不得用于其他商业用途(如 [转卖]进行直接盈利或[编辑后售卖]进行间接盈利)。
2、本站所有内容均由合作方或网友上传,本站不对文档的完整性、权威性及其观点立场正确性做任何保证或承诺!文档内容仅供研究参考,付费前请自行鉴别。
3、如文档内容存在违规,或者侵犯商业秘密、侵犯著作权等,请点击“违规举报”。

碎片内容

光缆线路工程施工规范

确认删除?
VIP
微信客服
  • 扫码咨询
会员Q群
  • 会员专属群点击这里加入QQ群
客服邮箱
回到顶部