电脑桌面
添加小米粒文库到电脑桌面
安装后可以在桌面快捷访问

带式运输机传动装置设计任务书

带式运输机传动装置设计任务书_第1页
1/18
带式运输机传动装置设计任务书_第2页
2/18
带式运输机传动装置设计任务书_第3页
3/18
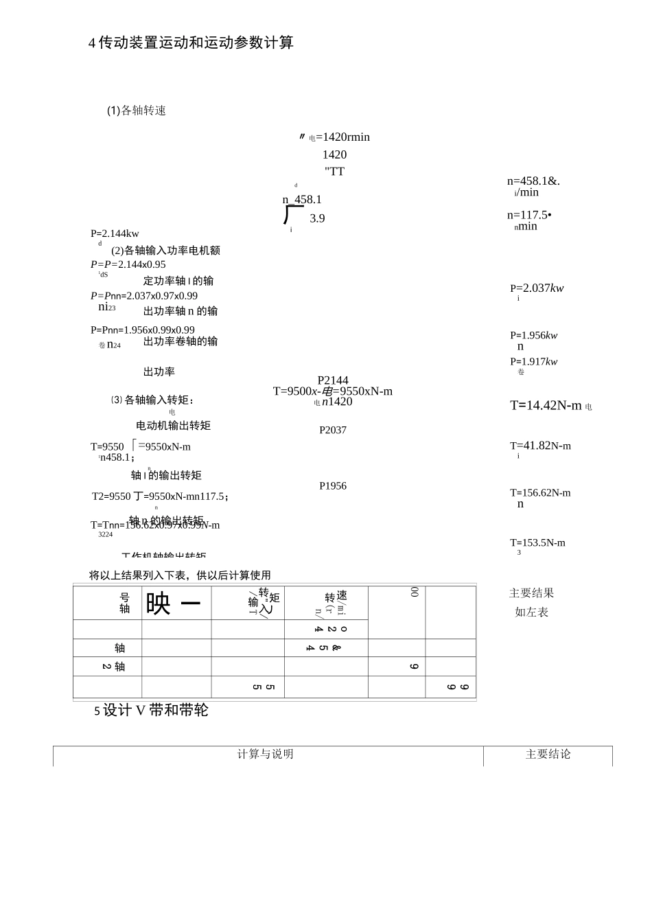
带式运输机传动装置设计任务书一. 课程设计书设计课题:设计一带式运输机传动装置.运输机连续单向运转,载荷平稳,空载起动,使用期限 8 年,减速器小批量生产,两班制工作,运输容许速度误差为±5%。表一数据编号运输机的工作拉力F/N运输带工作速度(m/s)卷筒直径(mm)26901.60260二. 设计要求1•减速器装配图一(A1)。2•绘制轴零件图(A4)、齿轮零件图(A3)各一,绘制箱体零件图(A1)。3.设计说明书一份。三. 设计步骤1.传动装置总体设计方案:计算与说明主要结论1).组成:传动装置由电机、减速器、工作机组成。2).特点:齿轮相对于轴承对称分布,故轴向载荷分布均匀,要求轴要满足一定的刚度。3) .确定传动方案:考虑到电机转速高,传动功率大,将 V 型带设置在高速级。2 电动机的选择计算与说明主要结论(1)电动机类型和结构形式的选择Y 系列三相交流异步电动机Y 系列三相交流异步电动机(2)确定电动机容量:工作机阻V 带传动的效率轴承效率齿轮传动的效率n1=0.95型号为 Y100L1-4F 二 1150N耳 2=0.99(球轴承稀油润滑)n3=0.97(齿轮为 8 级精度,稀油润滑)耳 4=0.99传动装置的总效率%na=nN22耳 3耳 4=0.95x0.992-0.97-0.99=0.894电动机的输出功率 P=二==2.144kwd耳 0.894a(3)电动机的选择因为电动机的额定功率 P>P,选择 Y 系列三相异步交流电动机型d号为 Y100L1-4其参数如下表电动机型号额定功率KW满载转速额定转矩同步转速殆 inY100L1-42.214202.215003 传动装置总传动比的确定及各级传动比的分配卷筒的速度兀 Dn/V=卷—=1.6卷60x1000 八卷筒的转速60x1000x1.6n—n 一 117.53 丫/・卷/min卷兀 D总传动比.n14401 一 m一一 121an117.53卷•初取i 一 3.1d.i12.1L 一亠一1i3.1i 一 3.91带式运输机效率耳二 0.96w工作机所需功率PWFv1150 x 1.60 1000%1000x0.96kw=1.917kw(2)各轴输入功率电机额定功率轴 I 的输出功率轴 n 的输出功率卷轴的输出功率⑶ 各轴输入转矩:电动机输出转矩轴 I 的输出转矩轴 n 的输出转矩工作机轴输出转矩P=2.037kwiP=1.956kwnP=1.917kw卷T=14.42N-m 电T=41.82N-miT=156.62N-mnT=153.5N-m34 传动装置运动和运动参数计算(1)各轴转速〃电=1420rminP=2.144kwdP=P=2.144x0.951dSP=Pnn=2.037x0.97x0.99ni23P=Pnn=1.956x0.99x0.99卷n24P2144T=9500x-电=9550xN-m电n1420电P2037T=9550「=9550xN-m1n458.1;nP1956T2=9550 丁=9550xN-mn117.5;nT=Tnn=156.62x0.97x0.99N-m32245...

1、当您付费下载文档后,您只拥有了使用权限,并不意味着购买了版权,文档只能用于自身使用,不得用于其他商业用途(如 [转卖]进行直接盈利或[编辑后售卖]进行间接盈利)。
2、本站所有内容均由合作方或网友上传,本站不对文档的完整性、权威性及其观点立场正确性做任何保证或承诺!文档内容仅供研究参考,付费前请自行鉴别。
3、如文档内容存在违规,或者侵犯商业秘密、侵犯著作权等,请点击“违规举报”。

碎片内容

带式运输机传动装置设计任务书

确认删除?
VIP
微信客服
  • 扫码咨询
会员Q群
  • 会员专属群点击这里加入QQ群
客服邮箱
回到顶部