电脑桌面
添加小米粒文库到电脑桌面
安装后可以在桌面快捷访问

六层框架结构办公楼设计计算书

六层框架结构办公楼设计计算书_第1页
1/97
六层框架结构办公楼设计计算书_第2页
2/97
六层框架结构办公楼设计计算书_第3页
3/97
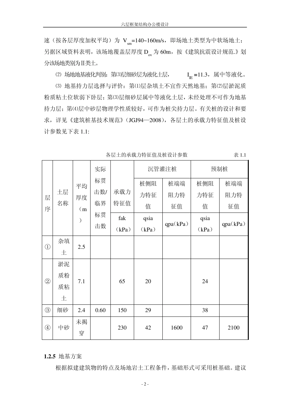
六层框架结构办公楼设计 - 1 - 1 工程概况 1 .1 概况 本工程为某政府机关办公楼,本工程为六层钢筋混凝土框架结构体系,建筑面积约4000m2 左右,建筑平面一字型,受场地限制,宽度≤17m,长度≤40m。开间长 4.5m,进深长 6.6m,层高 3.6m,走廊宽2.4m。框架梁、板、柱均采用现浇混凝土。 1 .2 地质资料 1 .2 .1 场地概况 拟建建筑场地已经人工填土平整,地形平坦,地面高程4.6m。 1 .2 .2 地层构成 勘察揭露的地层,自上而下除第一层为近期人工填土外,其余均属第四全新世海陆交相互沉积。勘察深度范围内所揭露的地层,厚度变化很小,分布较均匀,其各层概况为: ⑴ 杂填土:以粘土为主,含大量垃圾和有机质,不宜作为天然地基,平均厚度2.5m。 ⑵ 淤泥质粉质粘土:深灰色,流塑状态。平均厚度7.1m。 ⑶ 细砂:以细砂为主,少量粉砂,含粘粒,饱和,松散稍密状。平均厚度为2.4m ⑷中砂:以中粗砂为主,饱和,属密实状态,承载力特征值为220kpa,工程地质性良好,可以做桩尖持力层。本层为揭穿。 1 .2 .3 地下水情况 场地地下水在勘探深度范围内分上下两个含水层,第一含水层位于第⑵层淤泥质粉质粘土层中,属上层空隙滞水,水位高程约为4.2m;第二层含水层主要存于第⑶层细砂层中,属空隙潜水,具有一定的静水压力。经取水样进行水质分析,判定该地下水对混凝土无侵蚀性。 1 .2 .4 工程地质评价 ⑴ 场地土类型与场地类别:经计算,本场地15m 深度以内土层平均剪切波六层框架结构办公楼设计 - 2 - 速(按各层厚度加权平均)为Vsm=140~160m/s,即场地土类型为中软场地土;另据区域资料表明,该场地覆盖层厚度Dov 为60m,按《建筑抗震设计规范.》划分该场地类别为Ⅱ类土。 ⑵ 场地地基液化判别:第⑶层细砂层为液化土层,IIE =11.3,属中等液化。 ⑶ 地基持力层选择与评价:第⑴层杂填土不宜作天然地基;第⑵层淤泥质粉质粘土位软弱下卧层;第⑶层细砂层属中等液化土层,未经处理不可作为地基持力层;第⑷层中砂层物理学性质较好,可作为桩尖持力层。有关桩的设计和要求,详见《建筑桩基技术规范》(JGJ94—2008),各层土的承载力特征值及桩设计参数见下表1.1: 各层土的承载力特征值及桩设计参数 表1.1 层序 土层 名称 平均厚度(m) 实际标贯击数/临界标贯击数 承载力 特征值 沉管灌注桩 预制桩 桩侧阻力特征值 桩端端阻力特征值 桩侧阻力特征值 桩端端阻力特征值 fak(kPa...

1、当您付费下载文档后,您只拥有了使用权限,并不意味着购买了版权,文档只能用于自身使用,不得用于其他商业用途(如 [转卖]进行直接盈利或[编辑后售卖]进行间接盈利)。
2、本站所有内容均由合作方或网友上传,本站不对文档的完整性、权威性及其观点立场正确性做任何保证或承诺!文档内容仅供研究参考,付费前请自行鉴别。
3、如文档内容存在违规,或者侵犯商业秘密、侵犯著作权等,请点击“违规举报”。

碎片内容

六层框架结构办公楼设计计算书

您可能关注的文档

小辰8+ 关注
实名认证
内容提供者

出售各种资料和文档

确认删除?
VIP
微信客服
  • 扫码咨询
会员Q群
  • 会员专属群点击这里加入QQ群
客服邮箱
回到顶部