电脑桌面
添加小米粒文库到电脑桌面
安装后可以在桌面快捷访问

医用气体工程施工方案及技术措施

医用气体工程施工方案及技术措施_第1页
1/9
医用气体工程施工方案及技术措施_第2页
2/9
医用气体工程施工方案及技术措施_第3页
3/9
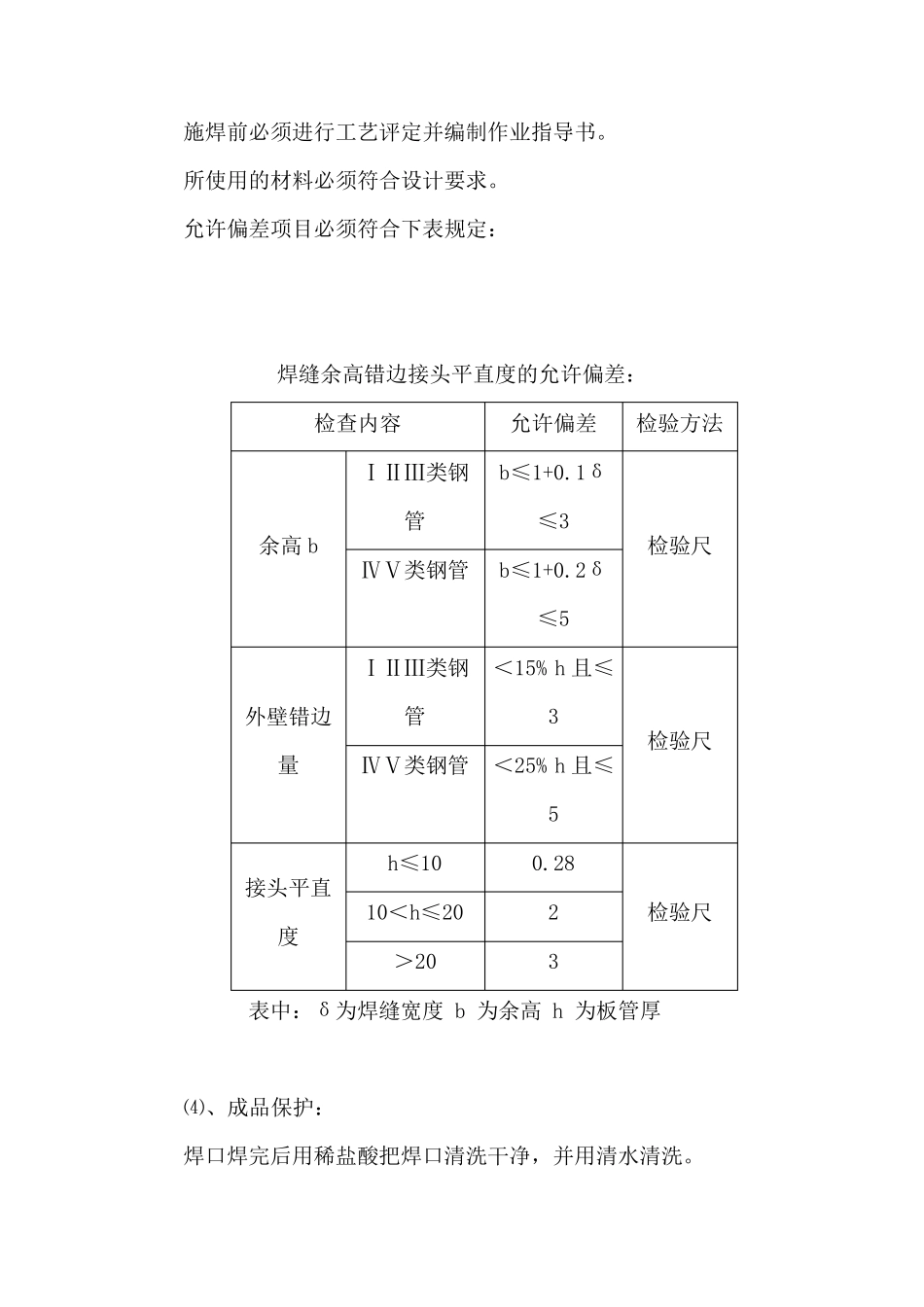
医用气体工程施工方案及技术措施 一、管道施工方案及主要技术措施 本工程为综合门诊楼,医用气体管道采用不锈钢无缝管,氩弧焊接。阀门附件采用法兰或丝扣连接。 1 、医用气体管道的施工方法和主要技术措施: ⑴、医用气体管道安装工艺流程: ⑵、管道氩弧焊接操作工艺: ①管道在焊接前应该使用四氯化碳进行脱脂处理(吸引管道除外),脱脂处理选择专业公司进行或者是采购经过脱脂的不锈钢管材。处理合格后方可进行焊接作业。 ②管材必须按设计图纸下料,坡口制作按GB50236-98 附录C 进行。坡口加工宜采用等离子切割或机械加工方法。修磨管口使用专用砂轮片,预制安装不得用铁质工具敲击。组对时不得采用强力组装,接头内壁必须齐平。在坡口两侧 200MM 范围内用碳水涂刷一遍。 ③点固焊,不得有气空、夹渣、夹钨、裂纹存在。为防止 焊缝产出 热 裂纹,焊后可采用水冷 强制冷 却 措施。 焊 前 准 备 管道脱脂 干 管 安 装 立 管 安 装 支 管 安 装 管 道 探 伤 管 道 试压及吹扫 系统验收 ④ 奥 氏 体 不 锈 钢 采 用 手 工 电 弧 焊 时 , 其 运 条 方 法 角 度 与 底 碳 钢 焊接 基 本 相 同 。 ⑤ 不 锈 钢 管 道 的 焊 接 采 用 氩 弧 焊 封 底 , 手 工 焊 盖 面 、 管 腔 内 充 氩保 护 , 使 管 内 侧 焊 缝 不 产 生 氧 化 , 保 证 光 洁 , 对 于 口 径 较 小 的 不 锈 钢管 , 也 可 直 接 用 氩 弧 焊 封 底 和 盖 面 。 ⑥ 不 锈 钢 管 道 焊 接 时 , 不 允 许 在 焊 口 外 的 基 体 金 属 上 引 弧 和 熄弧 , 熄 弧 或 更 换 焊 条 时 , 应 在 弧 坑 前 方 约 20m m -25m m 处 引 弧 , 然 后在 将 电 弧 返 回 弧 坑 , 同 时 注 意 焊 接 盖 面 在 上 一 段 焊 缝 10m m -15m m 处开 始 。 ⑦ 为 了 防 止 焊 接 时 飞 溅 物 等 落 在 管 材 上 , 焊 接 前 应 在 焊 口 周围 用 阻 燃 带 ,白 垩 粉 和 石 棉 橡 胶 板 进 行 保 护 ,防 止 飞 溅 物 落 上 管 子 上 。 ⑧ 焊 接 层 数 及 焊 道 数 应 根 据 壁厚选择。 不 锈 钢 焊 接 后 , 首先要除去溶渣和 焊 缝 附近的 污垢, 然 后 ...

1、当您付费下载文档后,您只拥有了使用权限,并不意味着购买了版权,文档只能用于自身使用,不得用于其他商业用途(如 [转卖]进行直接盈利或[编辑后售卖]进行间接盈利)。
2、本站所有内容均由合作方或网友上传,本站不对文档的完整性、权威性及其观点立场正确性做任何保证或承诺!文档内容仅供研究参考,付费前请自行鉴别。
3、如文档内容存在违规,或者侵犯商业秘密、侵犯著作权等,请点击“违规举报”。

碎片内容

医用气体工程施工方案及技术措施

您可能关注的文档

确认删除?
VIP
微信客服
  • 扫码咨询
会员Q群
  • 会员专属群点击这里加入QQ群
客服邮箱
回到顶部