电脑桌面
添加小米粒文库到电脑桌面
安装后可以在桌面快捷访问

单相变压器实验报告

单相变压器实验报告_第1页
1/6
单相变压器实验报告_第2页
2/6
单相变压器实验报告_第3页
3/6
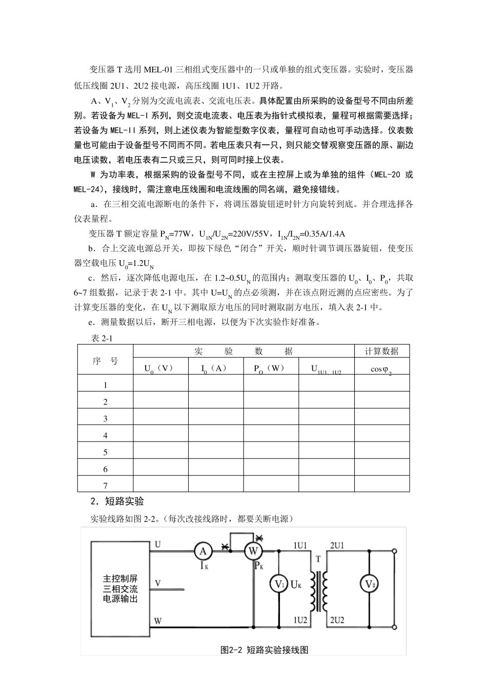
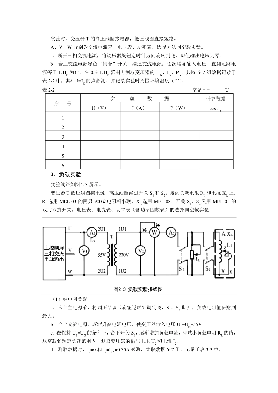
实验一 单相变压器 一.实验目的 1.通过空载和短路实验测定变压器的变比和参数。 2.通过负载实验测取变压器的运行特性。 二.实验项目 1.空载实验 测取空载特性UO=f(IO),PO=f(UO)。 2.短路实验 测取短路特性UK=f(IK),PK=f(I)。 3.负载实验 (1)纯电阻负载 保持U1=U1N,2cos =1 的条件下,测取U2=f(I2)。 (2)阻感性负载 保持U1=U1N,2cos =0.8 的条件下,测取U2=f(I2)。 三.实验设备及仪器 1.MEL 系列电机教学实验台主控制屏(含交流电压表、交流电流表) 2.功率及功率因数表(MEL-20 或含在主控制屏内) 3.三相组式变压器(MEL-01)或单相变压器(在主控制屏的右下方) 4.三相可调电阻900Ω(MEL-03) 5.波形测试及开关板(MEL-05) 6.三相可调电抗(MEL-08) 四.实验方法 1.空载实验 实验线路如图 2-1 图2-1 空载实验接线图电源输出三相交流主控制屏变压器T 选用MEL-01 三相组式变压器中的一只或单独的组式变压器。实验时,变压器低压线圈2U1、2U2 接电源,高压线圈1U1、1U2 开路。 A、V1、V2 分别为交流电流表、交流电压表。具体配置由所采购的设备型号不同由所差别。若设备为MEL-I 系列,则交流电流表、电压表为指针式模拟表,量程可根据需要选择;若设备为MEL-II 系列,则上述仪表为智能型数字仪表,量程可自动也可手动选择。仪表数量也可能由于设备型号不同而不同。若电压表只有一只,则只能交替观察变压器的原、副边电压读数,若电压表有二只或三只,则可同时接上仪表。 W 为功率表,根据采购的设备型号不同,或在主控屏上或为单独的组件(MEL-20 或MEL-24),接线时,需注意电压线圈和电流线圈的同名端,避免接错线。 a.在三相交流电源断电的条件下,将调压器旋钮逆时针方向旋转到底。并合理选择各仪表量程。 变压器T 额定容量PN=77W,U1N/U2N=220V/55V,I1N/I2N=0.35A/1.4A b.合上交流电源总开关,即按下绿色“闭合”开关,顺时针调节调压器旋钮,使变压器空载电压U0=1.2UN c.然后,逐次降低电源电压,在1.2~0.5UN 的范围内;测取变压器的U0、I0、P0,共取6~ 7 组数据,记录于表2-1 中。其中U=UN 的点必须测,并在该点附近测的点应密些。为了计算变压器的变化,在UN 以下测取原方电压的同时测取副方电压,填入表2-1 中。 e.测量数据以后,断开三相电源,以便为下次实验作好准备。 表2-1 序 号 实 验 数 据 计算数据 U0(V) I0(A) PO(W) U1U1...

1、当您付费下载文档后,您只拥有了使用权限,并不意味着购买了版权,文档只能用于自身使用,不得用于其他商业用途(如 [转卖]进行直接盈利或[编辑后售卖]进行间接盈利)。
2、本站所有内容均由合作方或网友上传,本站不对文档的完整性、权威性及其观点立场正确性做任何保证或承诺!文档内容仅供研究参考,付费前请自行鉴别。
3、如文档内容存在违规,或者侵犯商业秘密、侵犯著作权等,请点击“违规举报”。

碎片内容

单相变压器实验报告

您可能关注的文档

小辰4+ 关注
实名认证
内容提供者

出售各种资料和文档

确认删除?
VIP
微信客服
  • 扫码咨询
会员Q群
  • 会员专属群点击这里加入QQ群
客服邮箱
回到顶部