电脑桌面
添加小米粒文库到电脑桌面
安装后可以在桌面快捷访问

压铆螺母尺寸

压铆螺母尺寸_第1页
1/6
压铆螺母尺寸_第2页
2/6
压铆螺母尺寸_第3页
3/6
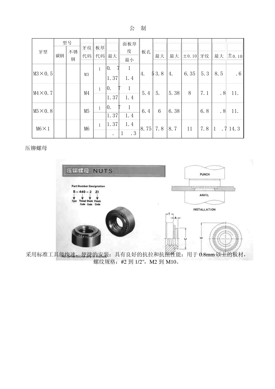
压铆螺母 应用于需要封闭罗纹底端的地方。封闭的底端可以限制罗纹穿透并且隔绝外部零件。螺纹规格:#4 到1/4"和M 3 到M 6。 BS-832-2 ZI 英 制 牙型 型号 牙纹 代码 板厚 代码 A 最大 面板厚度 最小 板孔 B 最大 C 最大 E ±0.10 H 牙纹 L 最大 T ±0.10 碳钢 不锈钢 .112-40 (#4-40) B BS 440 1 .038 .040 .166 .149 .165 .250 .21 .335 .38 2 .054 .056 .138-32 (#6-32) B BS 632 1 .038 .040 .1875 .169 .187 .275 .23 .335 .38 2 .054 .056 .164-32 (#8-32) B BS 832 1 .038 .040 .213 .204 .212 .315 .28 .385 .44 2 .054 .056 .190-32 (#10-32) B BS 032 1 .038 .040 .250 .235 .249 .335 .27 .385 .44 2 .054 .056 .250-20 (#1/4-20) B BS 0432 1 .054 .056 .344 .305 .343 .433 .31 .500 .56 2 .087 .090 公 制 牙型 型号 牙纹 代码 板厚 代码 A 最大 面板厚度 最小 板孔 B 最大 C 最大 E ±0.10 H 牙纹 L 最大 T ±0.10 碳钢 不锈钢 M3×0.5 B BS M3 1 0.97 1 4.25 3.8 4.22 6.35 5.3 8.5 9.6 2 1.37 1.4 M4×0.7 B BS M4 1 0.97 1 5.4 5.2 5.38 8 7.1 9.8 11.2 2 1.37 1.4 M5×0.8 B BS M5 1 0.97 1 6.4 6 6.38 9 6.8 9.8 11.2 2 1.37 1.4 M6×1 B BS M6 1 1.37 1.4 8.75 7.8 8.72 11 7.8 12.7 14.3 2 2.21 2.3 压铆螺母 采用标准工具能快速,便捷的安装:具有良好的抗拉和抗扭性能:用于 0.8mm以上的板材,螺纹规格:#2 到 1/2",M2 到 M10。 S-440-2 ZI英 制 牙型 型号 牙纹 代码 板厚 代码 A 最大 面板厚度 最小 板孔 C 最大 E ±0.01 T ±0.04 碳钢 不锈钢 .086-56 (#2-56) S CLS 256 0 .030 .030 .166 .165 .25 .07 1 .038 .040 2 .054 .056 .099-48 (#3-48) S CLS 348 0 .030 .030 .166 .165 .25 .07 1 .038 .040 2 .054 .056 .112-40 (#4-40) S CLS 440 0 .030 .030 .166 .165 .25 .07 1 .038 .040 2 .054 .056 3 .087 .091 .138-32 (#6-32) S CLS 632 0 .030 .030 .1875 .187 .275 .07 1 .038 .040 2 .054 .056 3 .087 .091 .164-32 (#8-32) S CLS 832 0 .030 .030 .21...

1、当您付费下载文档后,您只拥有了使用权限,并不意味着购买了版权,文档只能用于自身使用,不得用于其他商业用途(如 [转卖]进行直接盈利或[编辑后售卖]进行间接盈利)。
2、本站所有内容均由合作方或网友上传,本站不对文档的完整性、权威性及其观点立场正确性做任何保证或承诺!文档内容仅供研究参考,付费前请自行鉴别。
3、如文档内容存在违规,或者侵犯商业秘密、侵犯著作权等,请点击“违规举报”。

碎片内容

压铆螺母尺寸

确认删除?
VIP
微信客服
  • 扫码咨询
会员Q群
  • 会员专属群点击这里加入QQ群
客服邮箱
回到顶部