电脑桌面
添加小米粒文库到电脑桌面
安装后可以在桌面快捷访问

压铸件设计规范VIP专享

压铸件设计规范_第1页
1/6
压铸件设计规范_第2页
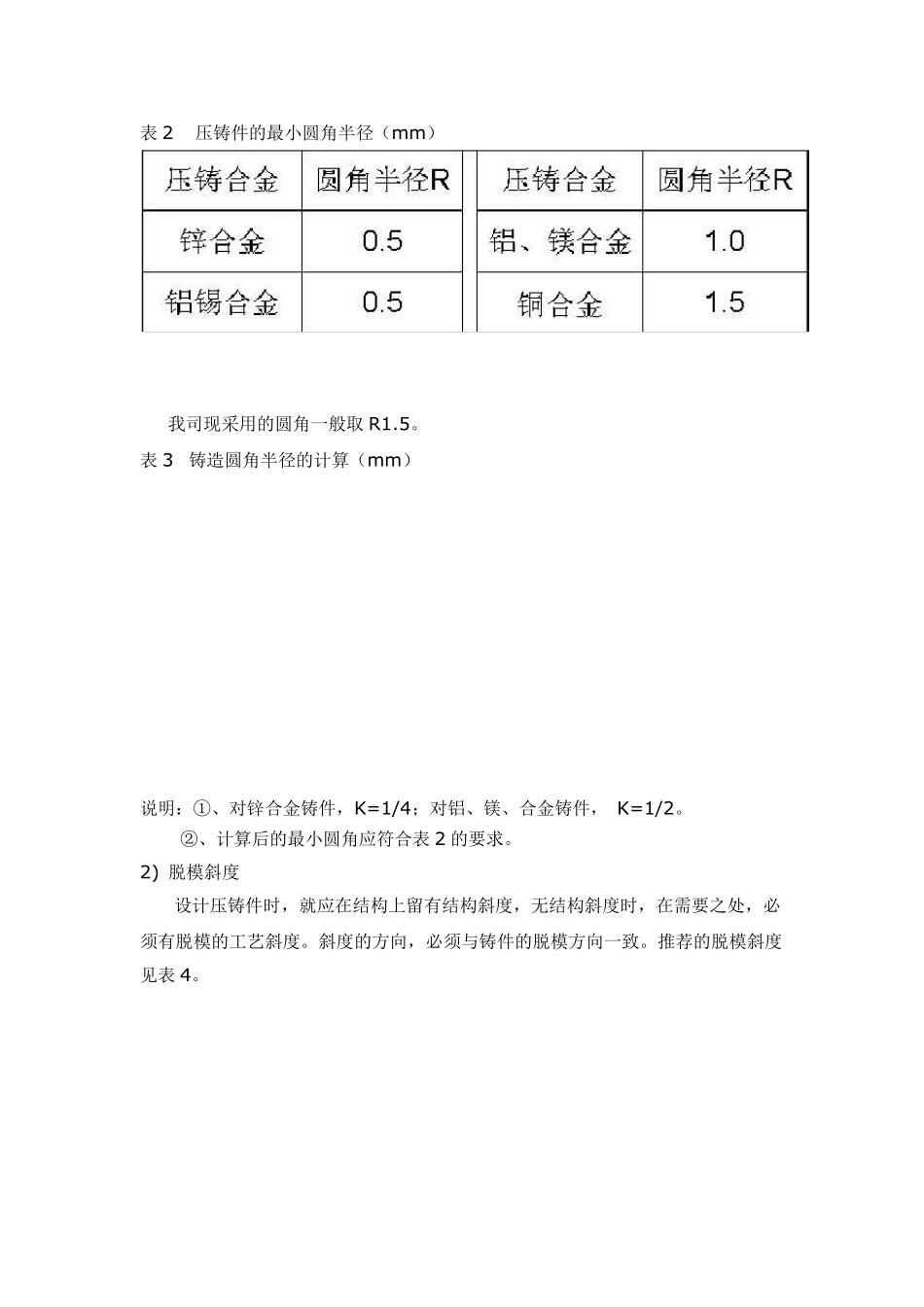
2/6
压铸件设计规范_第3页
3/6
• 压铸件设计规范 • 一、 壁厚 压铸件的壁厚对铸件质量有很大的影响。以铝合金为例,薄壁比厚壁具有更高的强度和良好的致密性。因此,在保证铸件有足够的强度和刚性的条件下,应尽可能减少其壁厚,并保持壁厚均匀一致。 铸件壁太薄时,使金属熔接不好,影响铸件的强度,同时给成型带来困难;壁厚过大或严重不均匀则易产生缩瘪及裂纹。随着壁厚的增加,铸件内部气孔、缩松等缺陷也随之增多,同样降低铸件的强度。 压铸件的壁厚一般以 2.5~4m m 为宜,壁厚超过 6m m 的零件不宜采用压铸。推荐采用的最小壁厚和正常壁厚见表 1。 表 1 压铸件的最小壁厚和正常壁厚 我司现使用的绝大多数为铝压铸件,其壁厚一般控制在 2.0~2.5m m 。 二、铸造圆角和脱模斜度 1)铸造圆角 压铸件各部分相交应有圆角(分型面处除外),使金属填充时流动平稳,气体容易排出,并可避免因锐角而产生裂纹。对于需要进行电镀和涂饰的压铸件,圆角可以均匀镀层,防止尖角处涂料堆积。 压铸件的圆角半径 R 一般不宜小于 1m m ,最小圆角半径为 0.5 m m ,见表 2。铸造圆角半径的计算见表 3。 表2 压铸件的最小圆角半径(m m ) 我司现采用的圆角一般取R1.5。 表3 铸造圆角半径的计算(m m ) 说明:①、对锌合金铸件,K=1/4;对铝、镁、合金铸件, K=1/2。 ②、计算后的最小圆角应符合表2 的要求。 2) 脱模斜度 设计压铸件时,就应在结构上留有结构斜度,无结构斜度时,在需要之处,必须有脱模的工艺斜度。斜度的方向,必须与铸件的脱模方向一致。推荐的脱模斜度见表4。 表4 脱模斜度 说明:①、由此斜度而引起的铸件尺寸偏差,不计入尺寸公差值内。 ②、表中数值仅适用型腔深度或型芯高度≤50mm,表面粗糙度在 Ra0.1,大端与小端尺寸的单面差的最小值为 0.03mm。当深度或高度>50mm,或表面粗糙 度超过 Ra0.1 时,则脱模斜度可适当增加。 我司现采用的脱模斜度一般取 1.5°。 一般采用的加强筋的尺寸按图 1 选取: t1=2 t /3~t;t2=3 t /4~t; R≥ t/2~t; h≤5t; r≤0.5mm (t— 压铸件壁厚,最大不超过 6~8mm)。 四、铸孔和孔到边缘的最小距离 1)铸孔 压铸件的孔径和孔深,对要求不高的孔可以直接压出,按表5。 表5 最小孔径和最大孔深 说明:①、表内深度系指固定型芯而言,,对于活动的单个型芯其深度还可以适当增加。 ②、对于较大的孔径,精度要求不高时,孔的深度亦可超...

1、当您付费下载文档后,您只拥有了使用权限,并不意味着购买了版权,文档只能用于自身使用,不得用于其他商业用途(如 [转卖]进行直接盈利或[编辑后售卖]进行间接盈利)。
2、本站所有内容均由合作方或网友上传,本站不对文档的完整性、权威性及其观点立场正确性做任何保证或承诺!文档内容仅供研究参考,付费前请自行鉴别。
3、如文档内容存在违规,或者侵犯商业秘密、侵犯著作权等,请点击“违规举报”。

碎片内容

压铸件设计规范

小辰8+ 关注
实名认证
内容提供者

出售各种资料和文档

确认删除?
VIP
微信客服
  • 扫码咨询
会员Q群
  • 会员专属群点击这里加入QQ群
客服邮箱
回到顶部