电脑桌面
添加小米粒文库到电脑桌面
安装后可以在桌面快捷访问

原材料进场验收记录

原材料进场验收记录_第1页
1/17
原材料进场验收记录_第2页
2/17
原材料进场验收记录_第3页
3/17
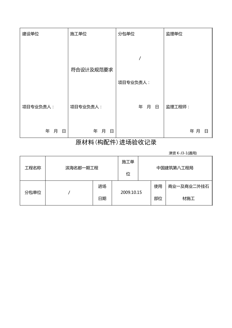
原材料(构配件)进场验收记录 津 资 K-J3-1(通 用 ) 工 程 名 称 空 港 物 流 加 工 区 D 地 块 项 目 施 工 单 位 中 国 建 筑 第 八 工 程 局 分 包 单 位 进 场 日 期 使 用部 位 D 地 块 外 用 脚 手 架 搭 设 检 查 验 收 内 容 检 查 验 收 经 验 收 符 合 要 求 。 建 设 单 位 项 目 专业负责人: 年 月 日 施 工 单 位 符 合 设 计及规范要 求 项 目 专业负责人: 年 月 日 分 包 单 位 / 项 目 专业负责人: 年 月 日 监理单 位 监理工 程 师: 年 月 日 原材料(构配件)进场验收记录 津 资 K-J3-1(通 用 ) 工 程 名 称 滨 海 名 都 一 期 工 程 施 工 单位 中 国 建 筑 第 八 工 程 局 分 包 单 位 / 进 场 日 期 2009.10.15 使 用部 位 商 业 一 及 商 业 二 外 挂 石材 施 工 检 查 验 收 内 容 1.产 品 名 称 : 热 轧 等 边 角 钢 2.生 产 厂 家 : 天 津 市 兆 博 实 业 有 限 公 司 3.规 格 型 号 : q235 50*50*5(mm) 4.进 场 批 量 : 2T 5.材 质 证 明 : 出 厂 质 量 证 明 书 一 份 证 明 书 编 号 : 2006-8-1 6.产 品 质 量 : 出 厂 外 观 质 量 良 好 检 查 验 收 结 经 验 收 符 合 要 求 。 建 设 单 位 项 目 专 业 负 责 人 : 年 月 日 施 工 单 位 符 合 设 计 及 规 范 要 求 项 目 专 业 负 责 人 : 年 月 日 分 包 单 位 / 项 目 专 业 负 责 人 : 年 月 日 监 理 单 位 监 理 工 程 师 : 年 月 日 原材料(构配件)进场验收记录 津 资 K-J3-1(通 用 ) 工 程 名 称 滨 海 名 都 一期工 程 施 工 单位 中国建 筑第八工 程 局 分 包 单 位 / 进场 日 期 2009.10.15 使用部位 商业 一及 商业 二外挂石材施 工 检 查 验 收 内 容 1.产 品 名 称 : 不 锈 钢 挂 件 2.生 产 厂 家 : 兴 化 市 陈 堡 泰 山 冲 压 件 厂 3.进 场 批 量 : 2T 4.材 质 证 明 : 出 厂 检 验 报 告 ,质 量 证 明 书 各 一 份 检 验 编 号 :YJW0328002 5.产 品 质 量 ...

1、当您付费下载文档后,您只拥有了使用权限,并不意味着购买了版权,文档只能用于自身使用,不得用于其他商业用途(如 [转卖]进行直接盈利或[编辑后售卖]进行间接盈利)。
2、本站所有内容均由合作方或网友上传,本站不对文档的完整性、权威性及其观点立场正确性做任何保证或承诺!文档内容仅供研究参考,付费前请自行鉴别。
3、如文档内容存在违规,或者侵犯商业秘密、侵犯著作权等,请点击“违规举报”。

碎片内容

原材料进场验收记录

确认删除?
VIP
微信客服
  • 扫码咨询
会员Q群
  • 会员专属群点击这里加入QQ群
客服邮箱
回到顶部