电脑桌面
添加小米粒文库到电脑桌面
安装后可以在桌面快捷访问

kV降压变电所电气设计

kV降压变电所电气设计_第1页
1/10
kV降压变电所电气设计_第2页
2/10
kV降压变电所电气设计_第3页
3/10
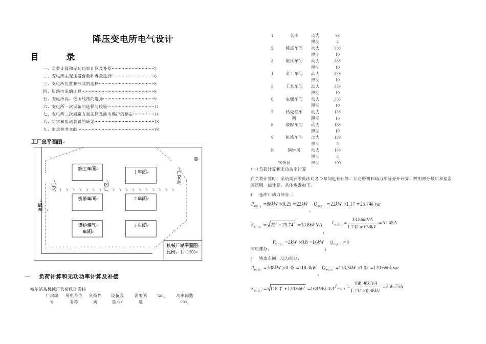
降压变电所电气设计目 录一、负荷计算和无功功率计算及补偿…………………………2二、变电所主变压器台数和容量选择…………………………6三、变电所位置和形式的选择…………………………………8四、短路电流的计算……………………………………………8五、变电所高、低压线路的选择………………………………9六、变电所一次设备的选择与校验……………………………11七、变电所二次回路方案选择及继电保护的整定……………14八、防雷和接地装置的确定……………………………………18九、附录参考文献………………………………………………18一负荷计算和无功功率计算及补偿哈尔滨某机械厂负荷统计资料厂房编号用电单位名称负荷性质设备容量/kw需要系数功率因数1仓库动力88照明22铸造车间动力338照明103锻压车间动力338照明104金工车间动力338照明105工具车间动力338照明106电镀车间动力338照明107热处理车间动力138照明108装配车间动力138照明109机修车间动力138照明510锅炉房动力138照明2宿舍区照明400(一)负荷计算和无功功率计算在负荷计算时,采纳需要系数法对各个车间进行计算,并将照明和动力部分分开计算,照明部分最后和宿舍区照明一起计算。具体步骤如下。1.仓库:动力部分 ,;; 照明部分,;2.铸造车间:动力部分,;精品文档---下载后可任意编辑照明部分,;3.锻压车间:动力部分,;照明部分,;4.金工车间:动力部分,; 照明部分,;5.工具车间:动力部分,;照明部分,;6.电镀车间:动力部分,;照明部分,;7.热处理车间:动力部分,;照明部分,;8.装配车间:动力部分,;照明部分,;9.机修车间:动力部分,; 照明部分,;10. 锅炉房:动力部分,;照明部分,;11.宿舍区照明,。另外,所有车间的照明负荷:精品文档---下载后可任意编辑取全厂的同时系数为:,,则全厂的计算负荷为:;(二)无功功率补偿由以上计算可得变压器低压侧的视在计算负荷为:这时低压侧的功率因数为:为使高压侧的功率因数 0.90,则低压侧补偿后的功率因数应高于 0.90,取: 。要使低压侧的功率因数由 0.79 提高到 0.95,则低压侧需装设的并联电容器容量为:取:=480则补偿后变电所低压侧的视在计算负荷为:计算电流变压器的功率损耗为:变电所高压侧的计算负荷为:补偿后的功率因数为:满足(大于 0.90)的要求。(三)年耗电量的估算年有功电能消耗量及年无功电能耗电量可由下式计算得到:年有功电能消耗量: 年无功电能耗电量: 结...

1、当您付费下载文档后,您只拥有了使用权限,并不意味着购买了版权,文档只能用于自身使用,不得用于其他商业用途(如 [转卖]进行直接盈利或[编辑后售卖]进行间接盈利)。
2、本站所有内容均由合作方或网友上传,本站不对文档的完整性、权威性及其观点立场正确性做任何保证或承诺!文档内容仅供研究参考,付费前请自行鉴别。
3、如文档内容存在违规,或者侵犯商业秘密、侵犯著作权等,请点击“违规举报”。

碎片内容

kV降压变电所电气设计

确认删除?
VIP
微信客服
  • 扫码咨询
会员Q群
  • 会员专属群点击这里加入QQ群
客服邮箱
回到顶部