电脑桌面
添加小米粒文库到电脑桌面
安装后可以在桌面快捷访问

发热电缆低温辐射供暖系统设计指南

发热电缆低温辐射供暖系统设计指南_第1页
1/9
发热电缆低温辐射供暖系统设计指南_第2页
2/9
发热电缆低温辐射供暖系统设计指南_第3页
3/9
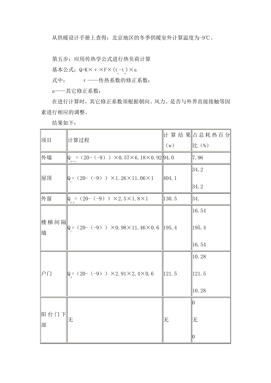
发 热 电 缆 低 温 辐 射 供 暖 系 统 设 计 指 南 1.设 计 标 准 和 依 据 1.1 标 准 《 采 暖 通 风 及 空 气 调 节 设 计 规 范 》 ( GB50019) 《 新 建 集 中 供 暖 住 宅 分 户 热 计 量 设 计 技 术 规 程 》 ( DBJ01-605-2000) 《 地 面 辐 射 供 暖 技 术 规 程 》 ( 中 华 人 民 共 和 国 建 筑 工 业 行 业 标 准 ) 1.2 依 据 需 如 下 原 始 资 料 : 1.2.1 建 筑 设 计 资 料 建 筑 设 计 的 平 、 立 、 剖 面 图 , 外 围 护 结 构 ( 包 括 门 窗 )的 材 料 、 构 造 及 尺 寸 等 ; 1.2.2 暖 通 设 计 资 料 , 设 计 要 求 1.2.3 输 配 电 情 况 供 电 电 压 、 负 荷 等 级 、 能 否 增 容 等 1.2.4 对 于 工 业 建 筑 , 还 须 提 供 工 艺 设 计 资 料 , 生 产 工 艺 对 室 内 空 气温 度 的 要 求 , 设 备 散 热 状 况 等 。 2.设 计 实 例 举 例 如 下 进 行 说 明 : 现 有 北 京 地 区 某全现 浇钢筋混凝土结 构 住 宅 楼, 共 计7 层5 个单元, 层高2.8 米,南 北 朝向,围 护 结 构 详细见下 表,楼梯间无采 暖 设 施。工 程 建 筑 面 积10033平 方米, 使用面 积7756 平 方米, 建 筑 体积19390 立 方米, 外 表面 积7549.6 平 方米, 体形系 数0.39, 换气 体积V=0.6V0=11634 立 方米。 第一步: 确定围 护 结 构 传热 系 数K 根据 建 筑 各部分 围 护 结 构 的 建 筑 构 造 详细做法,分 别计 算出各个部分 的 传热热 阻, 从而可以得出其传热 系 数。 结 果见下 表: 名称 构 造 ( 单位mm) 传热 系 数K( w/m2×K) 外 墙 180 厚 钢 筋 混 凝 土 , 60 厚 水 泥 聚 苯 板 外 保 温 , 空 气 间 层 厚 20, 屋 内 20 厚 水 泥 砂 浆 抹 灰 0.57 屋 顶 二 毡 三 油 防 水 层 , 20 厚 水 泥 砂 浆 找 平 层 , 100 厚 加 气 混 凝 土 保 温 层 , 70 厚 水 泥 焦 渣 找 坡 层 , 120 厚 钢 筋 混 凝 土 圆 孔 板 1.26 外 窗 楼 梯 间 隔 墙 单 框...

1、当您付费下载文档后,您只拥有了使用权限,并不意味着购买了版权,文档只能用于自身使用,不得用于其他商业用途(如 [转卖]进行直接盈利或[编辑后售卖]进行间接盈利)。
2、本站所有内容均由合作方或网友上传,本站不对文档的完整性、权威性及其观点立场正确性做任何保证或承诺!文档内容仅供研究参考,付费前请自行鉴别。
3、如文档内容存在违规,或者侵犯商业秘密、侵犯著作权等,请点击“违规举报”。

碎片内容

发热电缆低温辐射供暖系统设计指南

确认删除?
VIP
微信客服
  • 扫码咨询
会员Q群
  • 会员专属群点击这里加入QQ群
客服邮箱
回到顶部