电脑桌面
添加小米粒文库到电脑桌面
安装后可以在桌面快捷访问

变压器型号含义

变压器型号含义_第1页
1/10
变压器型号含义_第2页
2/10
变压器型号含义_第3页
3/10
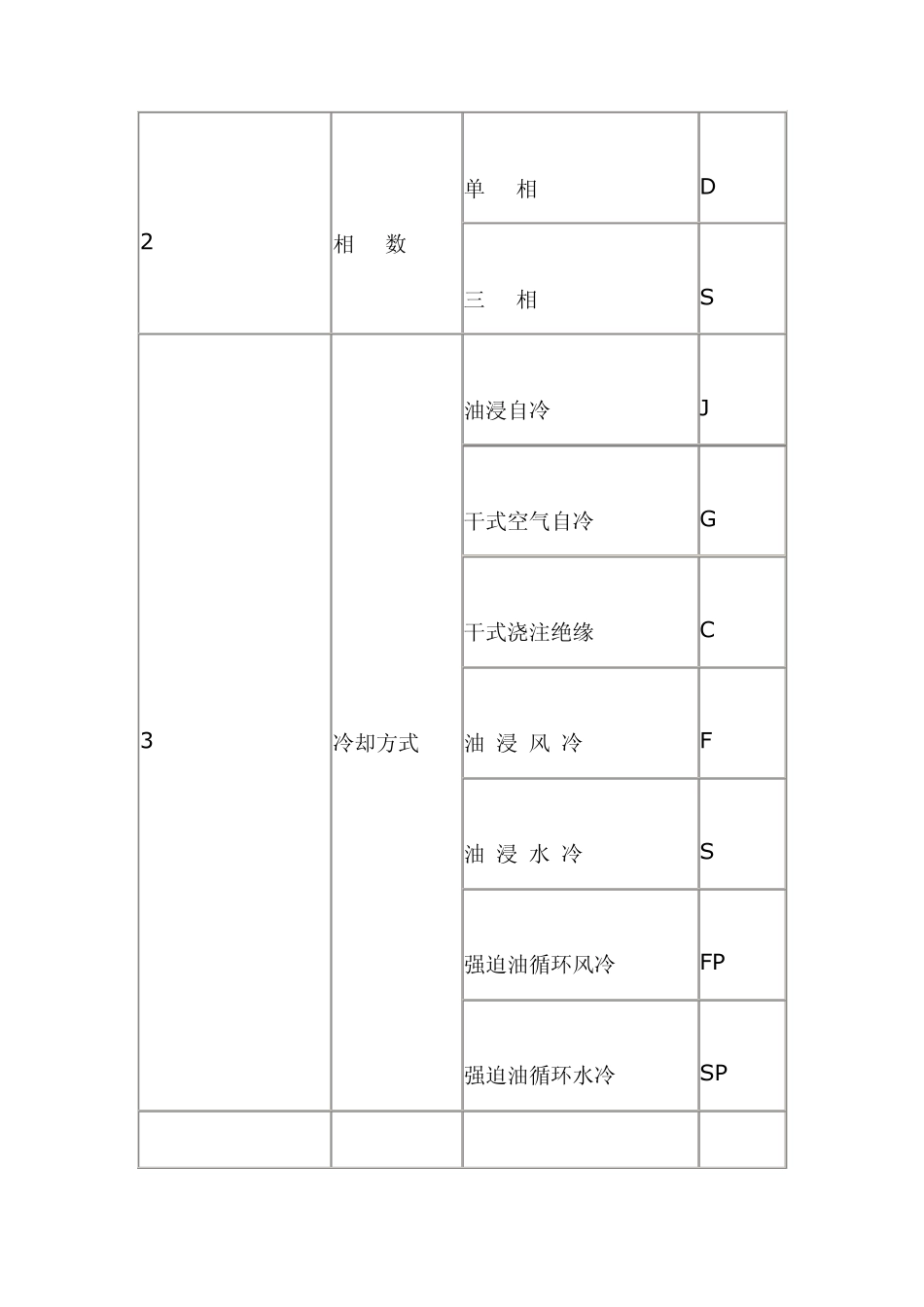
变 压 器 型 号 一、电力变压器型号说明如下: 变压器的型号通常由表示相数、冷却方式、调压方式、绕组线芯等材料的符号,以及变压器容量、额定电压、绕组连接方式组成。请问下列电力变压器型号代号含义是什么? D S J L Z SC SG JMB YD BK(C) DDG D-单相 S-三相 J-油浸自冷 L-绕组为铝线 Z-有载调压 SC-三相环氧树脂浇注 SG-三相干式自冷 JMB-局部照明变压器 YD-试验用单相变压器 BF(C) -控制变压器(C 为 C 型铁芯结构) DDG-单相干式低压大电流变压器 表 1:变压器的型号和符号含义 型号中符号排列顺序 含 义 代表符号 内 容 类 别 1(或末数) 线圈耦合方式 自耦降压(或自耦升压) 0 2 相 数 单 相 D 三 相 S 3 冷却方式 油浸自冷 J 干式空气自冷 G 干式浇注绝缘 C 油 浸 风 冷 F 油 浸 水 冷 S 强迫油循环风冷 FP 强迫油循环水冷 SP 4 线 圈 数 双 线 圈 — 三 线 圈 S 5 线圈导线材质 铜 — 铝 L 6 调压方式 无励磁调压 — 有载调压 Z 加强干式 Q 干式防火 H 移 动 式 D 成 套 T 注:电力变压器后面的数字部分:斜线左边表示额定容量(千伏安);斜线右边表示一次侧额定电压(千伏)。 例如1:SJL-1000/10,为三相油浸自冷式铝线、双线圈电力变压器,额定容量为1000 千伏安、高压侧额定电压为10 千伏 电力变压器的型号表示方法:基本型号+设计序号--额定容量(KVA)/高压侧电压 例如2:S7-315/10 变压器 即三相(S)铜芯 10KV 变压器,容量315KVA,设计序号 7 为节能型. 例如3:scr9-500/10,s11-m-100/10 S--三相 C--浇注成型(干式变压器) r 缠绕型 9(11)--设计序号 500(100)--容量(KVA) 10--额定电压(KV) m--密闭 型号含义: SCZ(B)9-XXXX/** SC--三相固体成型 (环氧浇注) Z--有载调压 B--低压箔式线圈 9--性能水平代号 XXXX--额定容量(kVA) **--额定高压电压(按额定值填入) 变压器的型号: 变压器绕组数+相数+冷却方式+是否强迫油循环+有载或无载调压+设计序号+“-”+容量+高压侧额定电压组成。 例如4:SFPZ9-120000/110 指的是三相(双绕组变压器省略绕组数,如果是三绕则前面还有个S)双绕组强迫油循环风冷有载调压,设计序号为9,容量为120000KVA,高压侧额定电压为110KV 的变压器。 例如5: SCB9-2000/10 SC----三相固体成型(环氧浇注) B-----低压箔式线圈 9-...

1、当您付费下载文档后,您只拥有了使用权限,并不意味着购买了版权,文档只能用于自身使用,不得用于其他商业用途(如 [转卖]进行直接盈利或[编辑后售卖]进行间接盈利)。
2、本站所有内容均由合作方或网友上传,本站不对文档的完整性、权威性及其观点立场正确性做任何保证或承诺!文档内容仅供研究参考,付费前请自行鉴别。
3、如文档内容存在违规,或者侵犯商业秘密、侵犯著作权等,请点击“违规举报”。

碎片内容

变压器型号含义

确认删除?
VIP
微信客服
  • 扫码咨询
会员Q群
  • 会员专属群点击这里加入QQ群
客服邮箱
回到顶部