电脑桌面
添加小米粒文库到电脑桌面
安装后可以在桌面快捷访问

变频器技术方案

变频器技术方案_第1页
1/8
变频器技术方案_第2页
2/8
变频器技术方案_第3页
3/8
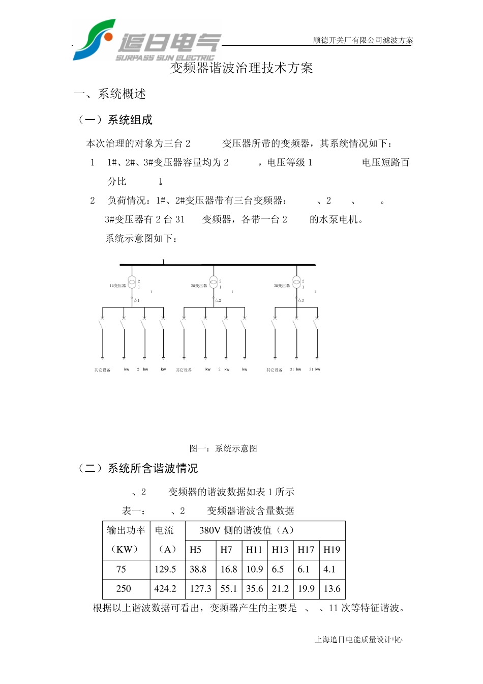
顺德开关厂有限公司滤波方案 上海追日电能质量设计中心 顺德开关厂有限公司配套项目 低压滤波及无功补偿 上海追日电气有限公司 2004年 10月 顺德开关厂有限公司滤波方案 上海追日电能质量设计中心 方 案 目 录 一、系统概述 (一)系统组成 (二)系统所含谐波情况 二、谐波的危害 三、治理方案 (一)设计原则 (二)设计思想 (三)ZRLC的基本工作原理及性能特点 (四)各滤波补偿装置的组成 (五)安装位置 四、装置的主要参数及滤波效果 五、主要元器件表 六、装置规格型号及结构 七、报价表 顺德开关厂有限公司滤波方案 上海追日电能质量设计中心 变频器谐波治理技术方案 一、系统概述 (一)系统组成 本次治理的对象为三台 2000kVA变压器所带的变频器,其系统情况如下: 1) 1#、2#、3#变压器容量均为 2000KVA,电压等级 10KV/0.4KV,电压短路百分比 Uk=10%。 2) 负荷情况:1#、2#变压器带有三台变频器:400KW、250KW、75KW。 3#变压器有2 台 315KW变频器,各带一台 250KW的水泵电机。 系统示意图如下: 其它设备1#变压器400V2000KVA10KV/0.4KVUk=10%400kw250kw75kw其它设备400kw250kw75kw10KV/0.4KV400V2#变压器Uk=10%2000KVA315kw其它设备315kw400V3#变压器10KV/0.4KVUk=10%2000KVA点1点2点310Kv图一:系统示意图 (二)系统所含谐波情况 75KW、250KW变频器的谐波数据如表 1 所示 表一:75KW、250KW变频器谐波含量数据 输出功率 (KW ) 电流 (A) 380V 侧的谐波值(A) H5 H7 H11 H13 H17 H19 75 129.5 38.8 16.8 10.9 6.5 6.1 4.1 250 424.2 127.3 55.1 35.6 21.2 19.9 13.6 根据以上谐波数据可看出,变频器产生的主要是 5、7、11 次等特征谐波。 顺德开关厂有限公司滤波方案 上海追日电能质量设计中心 二、谐波的危害 谐波除了直接损耗以外,还会对供电线路设备及设备造成危害,导致经济损失,如对输电线路,由于谐波的频率较高,导线的集肤效应使谐波电阻比基波电阻增加的大,因此谐波引起的附加线路损耗也增大;另外还可能使电压波形出现尖峰,从而加速电缆绝缘老化,引起绝缘局部放电;也使介质损耗增加和温升增高,缩短电缆的使用寿命,通常电缆的额定电压越高,谐波对电缆的危害越大,电缆的分布电容对谐波的电流有放大作用,会使上述危害更为严重。 谐波电流若注入变压器,对其主要影响是增加了它的铜损耗和铁损耗,随着谐波频率的增大...

1、当您付费下载文档后,您只拥有了使用权限,并不意味着购买了版权,文档只能用于自身使用,不得用于其他商业用途(如 [转卖]进行直接盈利或[编辑后售卖]进行间接盈利)。
2、本站所有内容均由合作方或网友上传,本站不对文档的完整性、权威性及其观点立场正确性做任何保证或承诺!文档内容仅供研究参考,付费前请自行鉴别。
3、如文档内容存在违规,或者侵犯商业秘密、侵犯著作权等,请点击“违规举报”。

碎片内容

变频器技术方案

您可能关注的文档

确认删除?
VIP
微信客服
  • 扫码咨询
会员Q群
  • 会员专属群点击这里加入QQ群
客服邮箱
回到顶部