电脑桌面
添加小米粒文库到电脑桌面
安装后可以在桌面快捷访问

古建筑检验批验收记录

古建筑检验批验收记录_第1页
1/26
古建筑检验批验收记录_第2页
2/26
古建筑检验批验收记录_第3页
3/26
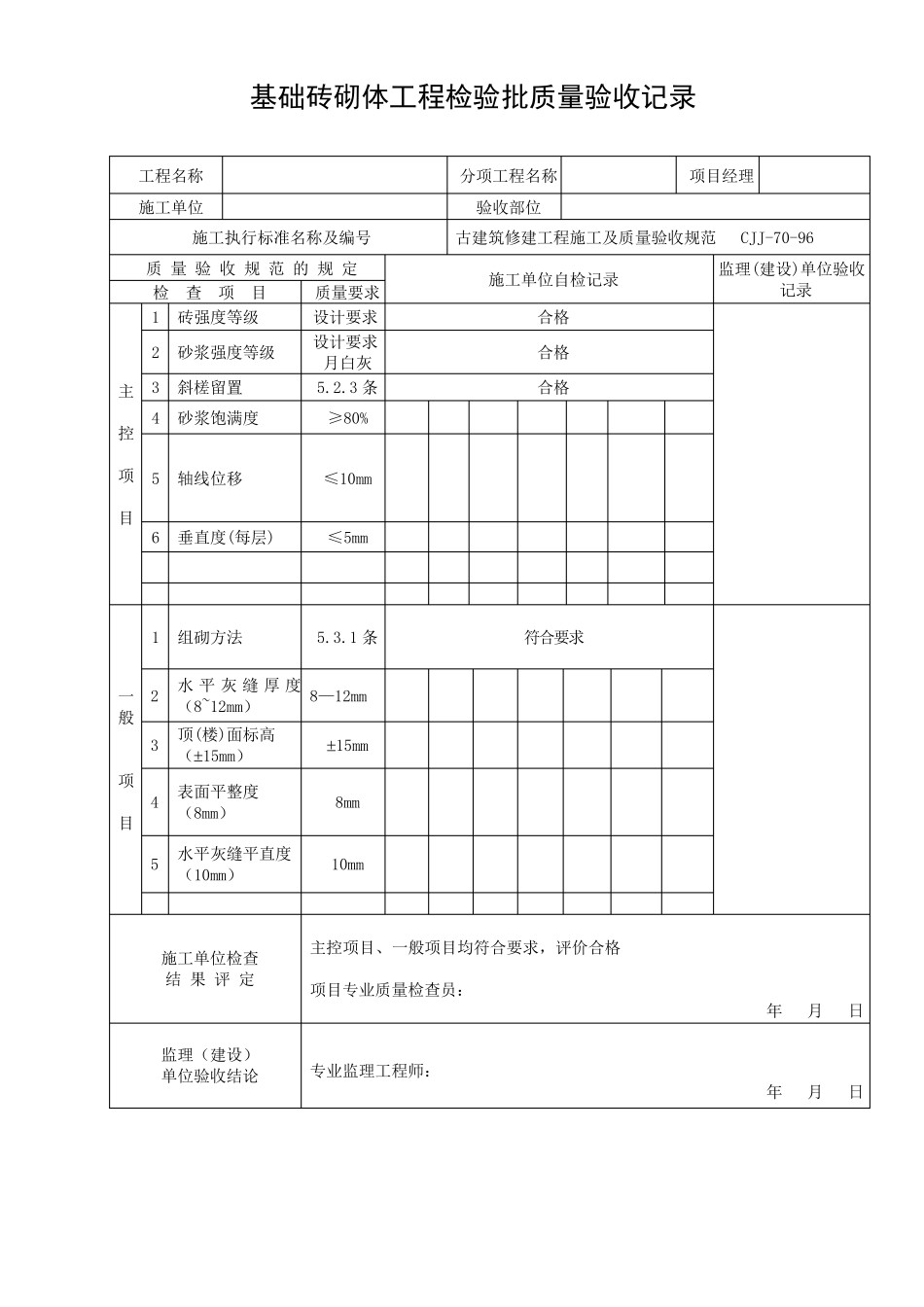
基础石驳岸石料的砌筑分项工程检验批质量验收记录 工 程 名 称 分 项 工 程名 称 验 收 部 位 施 工 单 位 项 目 经 理 专 业 工 长 分 包 单 位 / 分 包 项 目经 理 / 施 工 班 组 长 序 号 古 建 筑 修 建 工 程 施 工 及 质 量 验 收 规 范 CJJ-70-96 施 工 单 位 检 查 评 定 记 录 监 理 (建 设 )单 位 验 收 记 录 主控项目 1 石 驳 岸 的 盖 桩 石 , 锁 口 石 , 挑 筋 石 , 镂 孔 石 的 安 放 位 置 , 组砌 方 法 , 收 势 应 符 合 设 计 要 求 。 合格 2 连 接 铁 件 的 品 种 、 型 号 、 规 格 、 质 量 和 安 放 位 置 应 符 合 设 计要 求 。 合格 3 砂 浆 的 品 种 、 强 度 应 符 合 设 计 要 求 和 有 关 标 准 的 规 定 。 合格 4 毛 石 驳 岸 所 用 仓 石 ( 衬 石 ) 应 填 实 、 稳 固 , 强 度 不 得 低 于 毛石 。 合格 5 驳 岸 出 水 口 的 设 置 应 符 合 设 计 要 求 和 传 统 做 法 。 合格 6 驳 岸 ( 挡 土 墙 ) 的 填 土 , 应 符 合 设 计 要 求 。 合格 一般项目 项 目 质 量 情 况 1 2 3 4 5 6 7 8 9 10 1 石 料 表 面 2 表 面 剁 斧 的 石 料 3 石 料 色 泽 外 观 允许偏差项目 项 目 允 许 偏 差 ( mm) 实 测 值( mm) 毛 石驳 岸 料 石 驳 岸 1 2 3 4 5 6 7 8 9 10 毛料石 粗料石 细料石 1 轴线位 置 偏 移 15 15 10 10 2 驳 岸 厚度 ±20-10 ±20-10 ±10-10 ±10-10 3 垂直度 H 在5m 以下 20 20 15 15 H 在5m 以上 30 30 20 20 4 表 面 平整度 20 20 10 7 5 水 平灰缝平直度 - - 10 7 6 锁 口 石 顶面 标 高 ±15 ±15 ±15 ±10 施 工 单 位 检 查评 定 结果 主控项目和一般项目经检查均满足图纸设计和现行国家标准CJJ70-96 的要求,评定合格 项 目 专 业 质 量 检 查 员: 年 月 日 监 理 ( 建 设 ) 单 位 验 收 结论 主控项目和一般项目经检查均满足图纸设计和现行国家标准CJJ70-96 的要求,评定合格 监 理 工 程 师( 建 设 单 位...

1、当您付费下载文档后,您只拥有了使用权限,并不意味着购买了版权,文档只能用于自身使用,不得用于其他商业用途(如 [转卖]进行直接盈利或[编辑后售卖]进行间接盈利)。
2、本站所有内容均由合作方或网友上传,本站不对文档的完整性、权威性及其观点立场正确性做任何保证或承诺!文档内容仅供研究参考,付费前请自行鉴别。
3、如文档内容存在违规,或者侵犯商业秘密、侵犯著作权等,请点击“违规举报”。

碎片内容

古建筑检验批验收记录

您可能关注的文档

确认删除?
VIP
微信客服
  • 扫码咨询
会员Q群
  • 会员专属群点击这里加入QQ群
客服邮箱
回到顶部