电脑桌面
添加小米粒文库到电脑桌面
安装后可以在桌面快捷访问

吊车参数表资料

吊车参数表资料_第1页
1/10
吊车参数表资料_第2页
2/10
吊车参数表资料_第3页
3/10
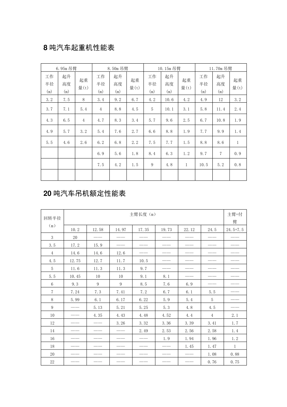
8 吨汽车起重机性能表 6.95m 吊臂 8.50m 吊臂 10.15m 吊臂 11.70m 吊臂 工作半径(m) 起升高度(m) 起重量(t) 工作半径(m) 起升高度(m) 起重量(t) 工作半径(m) 起升高度(m) 起重量(t) 工作半径(m) 起升高度 (m) 起重量(t) 3.2 7.5 8 3.4 9.2 6.7 4.2 10.6 4.2 4.9 12 3.2 3.7 7.1 5.4 4 8.8 4.5 5 10.1 3.1 5.8 11.4 2.4 4.3 6.5 4 4.7 8.3 3.4 5.7 9.6 2.5 6.7 10.8 1.9 4.9 5.7 3.2 5.4 7.6 2.7 6.6 8.8 1.9 7.7 9.9 1.4 5.5 4.6 2.6 6.2 6.8 2.2 7.5 7.7 1.5 8.8 8.6 1 6.9 5.6 1.8 8.4 6.3 1.2 9.7 7 0.9 7.5 4.2 1.5 9 4.8 1 10.5 5.2 0.8 2 0 吨汽车吊机额定性能表 回转半径(m) 主臂长度(m) 主臂+付臂 10.2 12.58 14.97 17.35 19.73 22.12 24.5 24.5+7.5 3 20 —— —— —— —— —— —— —— 3.5 17.2 15.9 —— —— —— —— —— —— 4 14.6 14.6 12.6 —— —— —— —— —— 4.5 12.75 12.7 11.7 10.5 —— —— —— —— 5 11.6 11.3 11.3 9.7 —— —— —— —— 5.5 10.45 10 10 9.1 8.1 —— —— —— 6 9.3 9 9 8.5 7.6 6.9 —— —— 7 7.24 7.3 7.41 7.2 6.7 6.1 5.5 —— 8 5.99 6.1 6.17 6.22 5.9 5.4 5 —— 9 —— 5.13 5.21 5.25 5.3 4.8 4.5 —— 10 —— 4.35 4.43 4.48 4.52 4.4 4 2.1 12 —— —— 3.26 3.32 3.36 3.39 3.41 1.7 14 —— —— —— 2.49 2.53 2.56 2.58 1.4 16 —— —— —— —— 1.9 1.94 1.96 1.2 18 —— —— —— —— —— 1.45 1.47 1 20 —— —— —— —— —— —— 1.08 0.88 22 —— —— —— —— —— —— 0.76 0.75 24 —— —— —— —— —— —— —— 0.63 27 —— —— —— —— —— —— —— 0.5 2 5 吨汽车起重机起重性能表(主臂) 工作半径(m) 吊臂长度(m) 10.2 13.75 17.3 20.85 24.4 27.95 31.5 3 25 17.5 3.5 20.6 17.5 12.2 9.5 4 18 17.5 12.2 9.5 4.5 16.3 15.3 12.2 9.5 7.5 5 14.5 14.4 12.2 9.5 7.5 5.5 13.5 13.2 12.2 9.5 7.5 7 6 12.3 12.2 11.3 9.2 7.5 7 5.1 6.5 11.2 11...

1、当您付费下载文档后,您只拥有了使用权限,并不意味着购买了版权,文档只能用于自身使用,不得用于其他商业用途(如 [转卖]进行直接盈利或[编辑后售卖]进行间接盈利)。
2、本站所有内容均由合作方或网友上传,本站不对文档的完整性、权威性及其观点立场正确性做任何保证或承诺!文档内容仅供研究参考,付费前请自行鉴别。
3、如文档内容存在违规,或者侵犯商业秘密、侵犯著作权等,请点击“违规举报”。

碎片内容

吊车参数表资料

您可能关注的文档

确认删除?
VIP
微信客服
  • 扫码咨询
会员Q群
  • 会员专属群点击这里加入QQ群
客服邮箱
回到顶部