电脑桌面
添加小米粒文库到电脑桌面
安装后可以在桌面快捷访问

s管理活动培训精华教材

s管理活动培训精华教材_第1页
1/13
s管理活动培训精华教材_第2页
2/13
s管理活动培训精华教材_第3页
3/13
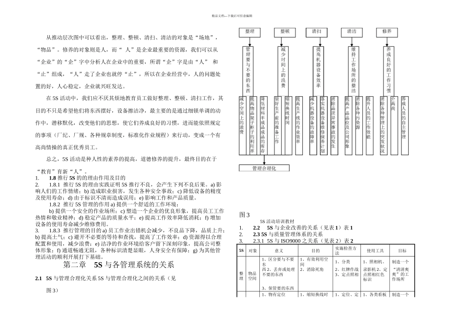
精品文档---下载后可任意编辑实施 5S 管理,制造一个舒适、洁净的工作环境,是每个企业管理者的期望,希望能有一本既讲理论,又有实际操作的指导教材。5S 活动培训教材是集广东博深质量管理工程咨询有限公司顾问师多年积累和企业咨询经验,总结编制的一套实施办法教材。本教材共分五章,第一章讲术 5S 基本概念,第二章讲述 5S 与各管理系统的关第,第三章主要讲述在推行 5S 活动的技巧,第四章重点讲述实施 5S 活动的有关定置管理,第五章介绍开展 5S 活动的工作程序,并附有开展活动的检查表。目录第一章:5S 基本概编第二章:5S 与各管理系统的关系第三章:5S 执行技巧第四章:定置管理的实施第五章:开展“5S”活动程序第一章 5S 基本概编1.1 我们有下列“症状”吗?在工作中常常会出现以下情况:a) 急等要的东西找不到,心里特别烦燥 b) 桌面上摆得零零乱乱,以及办公室空间有一种压抑感 c) 没有用的东西堆了很多,处理掉又舍不得,不处理又占用空间 d) 工作台面上有一大堆东西,理不清头绪 e) 每次找一件东西,都要打开所有的抽屉箱柜狂翻 f) 环境脏乱,使得上班人员情绪不佳 g) 制订好的计划,事务一忙就“延误”了 h) 材料、成品仓库堆放混乱,帐、物不符,堆放长期不用的物品,占用大量空间;i) 生产现场设备灰尘很厚,长时间未清扫,有用和无用的物品同时存放,活动场所变得很小;j) 生产车道路被堵塞,行人、搬运无法通过。假如每天都被这些小事缠绕,你的工作情绪就会受到影响,大大降低工作效率。解决上述“症状”的良方——推行 5S 管理。1.2 5S 是什么?a) 整理:工作现场,区别要与不要的东西,只保留有用的东西,撤除不需要的东西;b) 整顿:把要用的东西,按规定位置摆放整齐,并做好标识进行管理;c) 清扫:将不需要的东西清除掉,保持工作现场无垃圾,无污秽状态;d) 清洁:维持以上整理、整顿、清扫后的局面,使工作人员觉得洁净、卫生;e) 修养:通过进行上述 4S 的活动,让每个员工都自觉遵守各项规章制度,养成良好的工作习惯,做到“以厂为家、以厂为荣”的地步。1.3 5S 之来源 5S 管理源于日本,指的是在生产现场,对材料,设备人员等生产要素开展相应的整理、整顿、清扫、清洁、修养等活动,为其他管理活动奠定良好的基础,是日本产品品质得以迅猛提高行销全球的成功之处。精品文档---下载后可任意编辑整理、整顿、清扫、清洁、素养的日语外来词汇的罗马文拼写时,...

1、当您付费下载文档后,您只拥有了使用权限,并不意味着购买了版权,文档只能用于自身使用,不得用于其他商业用途(如 [转卖]进行直接盈利或[编辑后售卖]进行间接盈利)。
2、本站所有内容均由合作方或网友上传,本站不对文档的完整性、权威性及其观点立场正确性做任何保证或承诺!文档内容仅供研究参考,付费前请自行鉴别。
3、如文档内容存在违规,或者侵犯商业秘密、侵犯著作权等,请点击“违规举报”。

碎片内容

s管理活动培训精华教材

您可能关注的文档

确认删除?
VIP
微信客服
  • 扫码咨询
会员Q群
  • 会员专属群点击这里加入QQ群
客服邮箱
回到顶部