电脑桌面
添加小米粒文库到电脑桌面
安装后可以在桌面快捷访问

万吨年水泥粉磨站工程熟料储存及输送本体降排水深基坑支护施工方案

万吨年水泥粉磨站工程熟料储存及输送本体降排水深基坑支护施工方案_第1页
1/14
万吨年水泥粉磨站工程熟料储存及输送本体降排水深基坑支护施工方案_第2页
2/14
万吨年水泥粉磨站工程熟料储存及输送本体降排水深基坑支护施工方案_第3页
3/14
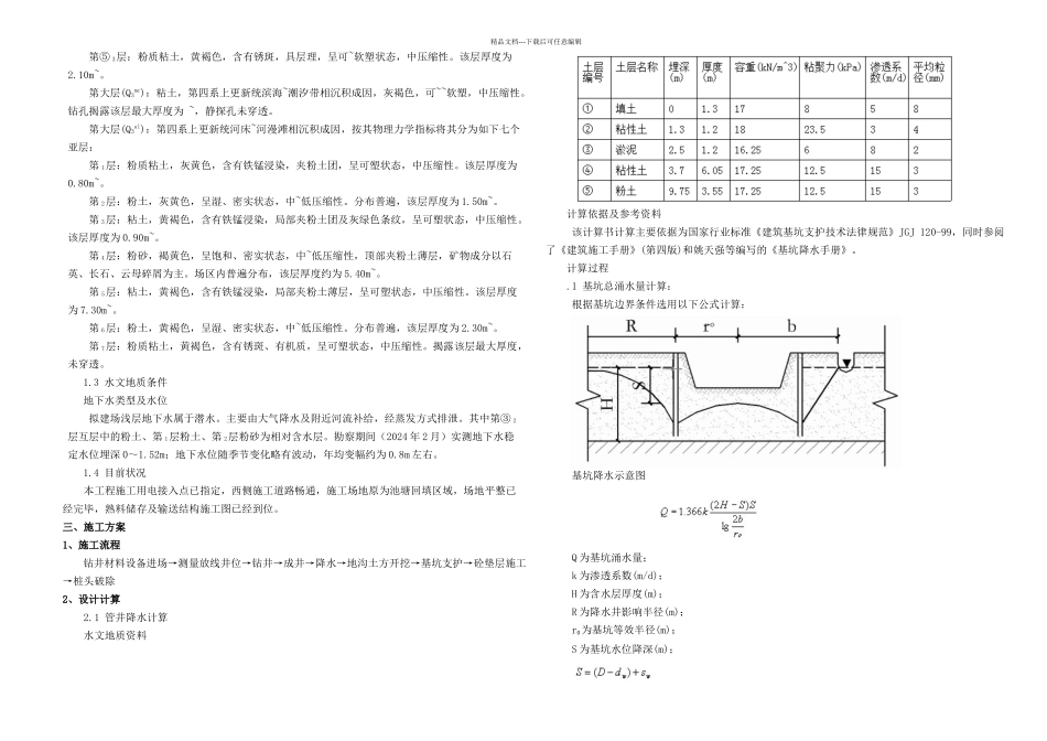
精品文档---下载后可任意编辑第一章 编制说明………………………………………………………………第 2 页第二章 工程概况………………………………………………………………第 2 页第三章 施工方案………………………………………………………………第 4 页第四章 作业准备工作及条件…………………………………………………第 24 页第五章 施工进度安排及总平面布置…………………………………………第 27 页第六章 安全事故应急救援预案………………………………………………第 27 页第七章 安全防护和文明施工…………………………………………………第 29 页附件:1、熟料储存及输送本体降排水深基坑支护施工进度计划2、熟料储存及输送本体降排水施工图(SWY-TJTR-003-SGFA-001)3、熟料储存及输送本体土方开挖图(SWY-TJTR-003-SGFA-002)4、熟料储存及输送本体深基坑支护施工图(SWY-TJTR-003-SGFA-003)一、编制说明1、编制目的1.1 为了加强施工过程控制,使管理人员及作业人员了解施工内容、作业流程、质量及进度目标、安全文明施工等,特制定本施工方案。2、编制依据天津天瑞水泥有限公司 400 万吨/年水泥粉磨站工程熟料储存及输送施工图纸1.2 天瑞大港粉磨站工程《岩土工程勘察报告》1.3 执行标准《建筑基坑支护技术法律规范》(JGJ 120-99)《建筑施工手册》 (第四版)《基坑降水手册》《土力学与地基基础》3、适用范围适用于天津天瑞水泥有限公司 400 万吨/年水泥粉磨站工程熟料储存及输送降排水深基坑支护工程。二、工程概况1、工程概况1.1 本工程为天津天瑞水泥有限公司 400 万吨/年水泥粉磨站工程熟料储存及输送降/排水及土方开挖工程,施施工场地点位于厂区西侧,,,场地±,现场自然地面标高为±,熟料库本体基坑大小:m×m 基坑 2 个,×基坑 1 个,基底深度-m(含垫层厚度),地沟为整板基础,池体结构,熟料输送地道基坑大小×m 基坑 1 个,m×24.7m 基坑 1 个,基底深度分别为-0m(含垫层厚度)、-m(含垫层厚度),输送地道为整板基础,封闭结构。混凝土:(1)φ60m 熟料筒仓基础(±以下)部分采纳 C30 级混凝土,与地沟相连的基础部分采纳级配防水混凝土,抗渗等级≥S8;φ60m 熟料筒仓仓壁部分(±以上)采纳 C30 级混凝土;(2)地沟采纳 C30 级防水混凝土,抗渗等级≥S8;(3)其它未注明的混凝土结构采纳 C30 级混凝土。1.2 工程地质条件.1 拟建场地概况根...

1、当您付费下载文档后,您只拥有了使用权限,并不意味着购买了版权,文档只能用于自身使用,不得用于其他商业用途(如 [转卖]进行直接盈利或[编辑后售卖]进行间接盈利)。
2、本站所有内容均由合作方或网友上传,本站不对文档的完整性、权威性及其观点立场正确性做任何保证或承诺!文档内容仅供研究参考,付费前请自行鉴别。
3、如文档内容存在违规,或者侵犯商业秘密、侵犯著作权等,请点击“违规举报”。

碎片内容

万吨年水泥粉磨站工程熟料储存及输送本体降排水深基坑支护施工方案

您可能关注的文档

文森传品+ 关注
实名认证
内容提供者

一家传播文化教育的小店,资料丰富,随意挑选。

确认删除?
VIP
微信客服
  • 扫码咨询
会员Q群
  • 会员专属群点击这里加入QQ群
客服邮箱
回到顶部