电脑桌面
添加小米粒文库到电脑桌面
安装后可以在桌面快捷访问

三轴资料初稿

三轴资料初稿_第1页
1/4
三轴资料初稿_第2页
2/4
三轴资料初稿_第3页
3/4
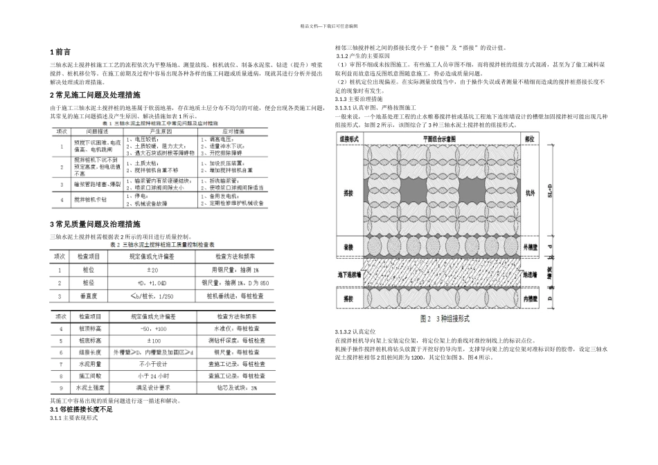
精品文档---下载后可任意编辑1 前言 三轴水泥土搅拌桩施工工艺的流程依次为平整场地、测量放线、桩机就位、制备水泥浆、钻进(提升)喷浆搅拌、桩机移位等。在施工前期及过程中容易出现各种各样的施工问题或质量通病,现就其进行分析并提出解决处理或治理措施。 2 常见施工问题及处理措施 由于施工三轴水泥土搅拌桩的地基属于软弱地基,存在地质土层分布不均匀的可能,便会出现各类施工问题,其常见的施工问题描述及产生原因、解决措施如表 1 所示。3 常见质量问题及治理措施 三轴水泥土搅拌桩需根据表 2 所示的项目进行质量控制。其施工中容易出现的质量问题进行逐一描述和解决。3.1 邻桩搭接长度不足 3.1.1 主要表现形式 相邻三轴搅拌桩之间的搭接长度小于“套接”及“搭接”的设计值。 3.1.2 产生的主要原因 (1)审图不细或未按图施工。有些施工人员审图不细,而将搅拌桩的组接方式混淆,甚至为了偷工减料谋取利益而故意违反图纸意图随意施工,势必造成质量问题。 (2)桩机定位出现偏差。在实际测量放线当中,由于操作失误或者测量不精细而造成的搅拌桩搭接长度不足的现象时有发生。 3.1.3 主要治理措施 3.1.3.1 认真审图、严格按图施工 一般来说,一个地基处理工程的止水帷幕搅拌桩或基坑工程地下连续墙设计的槽壁加固搅拌桩可能出现几种组接形式。如图 2 所示,该图综合了 3 种三轴水泥土搅拌桩的组接形式。3.1.3.2 认真定位 在搅拌桩机导向架上安装定位架,将定位架上的垂线对准控制线上的标识点位。 机操手操作搅拌桩机将钻头放置于开挖好的导沟里,支撑导向架上的定位架对准标识好的胶带,设定三轴水泥土搅拌桩相邻 2 组桩间距为 1200,其定位如图 3、图 4 所示。精品文档---下载后可任意编辑3.2 倾斜过大 3.2.1 主要表现形式 地下连续墙成槽时抓斗抓不动或基坑开挖竖向围护面倾斜。 3.2.2 产生的主要原因 未有效控制钻杆的垂直度。 3.2.3 主要治理措施 用桩机自带的线垂控制垂直度。假定设地连墙与搅拌桩的净距为 b,垂直度设计要求为不大于 b/桩长,在桩架上设置线锤米长,底部对中处设一钢圈,钢圈上用十字交叉丝标示,锤尖在十字叉位置四个方向偏移不超过×1000*b/桩长(单位为毫米:mm)即视为垂直度控制合格。如示意图图 5 所示。图 5 垂体度控制示意图3.3 桩长不足 3.3.1 主要表现形式 地下连续墙成槽时在设计槽壁加固范围内出现缩颈或塌槽现象,甚或不成槽。 3.3.2 ...

1、当您付费下载文档后,您只拥有了使用权限,并不意味着购买了版权,文档只能用于自身使用,不得用于其他商业用途(如 [转卖]进行直接盈利或[编辑后售卖]进行间接盈利)。
2、本站所有内容均由合作方或网友上传,本站不对文档的完整性、权威性及其观点立场正确性做任何保证或承诺!文档内容仅供研究参考,付费前请自行鉴别。
3、如文档内容存在违规,或者侵犯商业秘密、侵犯著作权等,请点击“违规举报”。

碎片内容

三轴资料初稿

您可能关注的文档

确认删除?
VIP
微信客服
  • 扫码咨询
会员Q群
  • 会员专属群点击这里加入QQ群
客服邮箱
回到顶部