电脑桌面
添加小米粒文库到电脑桌面
安装后可以在桌面快捷访问

初中化学实验探究题VIP免费

初中化学实验探究题_第1页
1/10
初中化学实验探究题_第2页
2/10
初中化学实验探究题_第3页
3/10
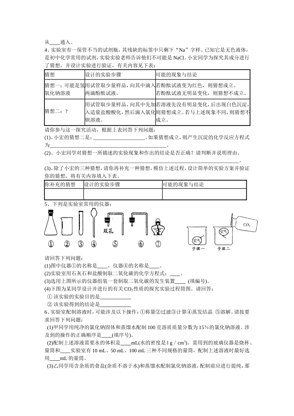
初中化学实验探究题1、如右图所示,A、B、C是初中化学中常见液体、气体和固体,气球套在试管口且保证密封性能良好。(1)若A能使紫色石蕊变红色,B为空气,将固体C倒入试管中产生气泡,同时气球因膨胀而鼓起来。液体A、固体C可官缇什么物质?请给出两种不同组合(C为不同类别的物质),写出发生反应的化学方程式。AC化学方程式(2)若A是水,将气球中的固体C倒入试管中,气球很快被吸入试管中,气体B是(填化学式),固体C是(填化学式)。2、某化学活动兴趣小组的同学进行木炭还原氧化铜的探究实验,生成物是红色固体和无色气体。他们通过查阅资料后,得知氧化亚铜(Cu20)为红色固体,因此,猜测生成物里有CO和Cu,还可能有CO和Cu2O。又知Cu20能和常见的酸(HNO3除外)反应生成Cu2+和Cu。为此,请你和他们一起进行如下探究.(1)探究气体中是否有CO气体:甲同学设计的方案是:将气体干燥后,再通过灼热的氧化铜,未反应完的气体直接排放到空气中。乙同学设计的方案是:将气体通过足量的氢氧化钠溶液后,干燥,再点燃。①甲同学实验后如果有色固体生成,说明一定含有CO气体;②上述两种方案中可选用的一种气体干燥剂是;③从空气污染的角度考虑,你认为上述两种方案中同学的方案更好,你的理由是。(2)探究红色固体中是否有Cu2O:①在如下方法中:a.上网查询b.实验c.请教老师你认为最能解决实际问题的方法是(填字母序号)。②请你设计一个简便的实验方案,检验红色固体中是否有CuO2。实验操作实验现象与结论化学反应方程式3、某学校的探究性学习小组发现,铜绿[Cu(OH)2CO3]受热分解后,除生成CO2和水蒸气外,试管中还有一些黑色粉末状固体。他们通过实验探究,分析黑色固体的组成,并验证产生的气体。请填空:(1)提出问题:黑色固体是什么(2)猜想与假设:黑色团体可能是:a.炭粉b.氧化铜c.。(3)查阅资料:炭粉和氧化铜均为黑色固体,其中炭粉不与稀酸反应,也不溶于稀酸,而氧化铜可与稀酸反应而溶解。(4)设计实验方案:向试管中的黑色团体滴加足量的(填化学式)溶液,充分反应后,观察固体的溶解情况和所得溶液的颜色。(5>现象与结论:如果猜想a正确,则现象为;若现象是,则猜想b正确;假如现象为,则猜想c成立。(6)若用右图装置验证两种气体生成物,应将生成的混合气体先通过装置,反之会有何影响?。当将气体通入装置A进行验证时,气流应从通入。4、实验室有一保管不当的试剂瓶,其残缺的标签中只剩下“Na”字样。已知它是无色液体,是初中化学常用的试剂,实验实验老师告诉他们不可能是NaCl。小宏同学为探究其成分进行了猜想,并设计实验进行验证,有关内容见下表:猜想设计的实验步骤可能的现象与结论猜想一:可能是氢氧化钠溶液用试管取少量样品,向其中滴入两滴酚酞试液。若酚酞试液变为红色,则猜想成立。若酚酞试液无明显变化,则猜想不成立。猜想二:?用试管取少量样品,向其中先加入适量盐酸酸化,然后滴入氯化钡溶液。若溶液先没有明显变化,后出现白色沉淀,则猜想成立。若与上述现象不同,则猜想不成立。请你参与这一探究活动,根据上表回答下列问题:(1)、小宏的猜想二是:____________________。如果猜想成立,则产生沉淀的化学反应方程式为_____________________________________________。(2)、小宏同学对猜想一所描述的实验现象和作出的结论是否正确?请判断并说明理由。_________________________________________________________________________。(3)、除了小宏的三种猜想,请你再补充一种猜想,模仿上述过程,设计简单的实验方案并验证你的猜想,将有关内容填入下表。你补充的猜想设计的实验步骤可能的现象与结论5、下列是实验室常用的仪器:请回答下列问题:(1)图中仪器①的名称是,仪器④的名称是。(2)实验室用石灰石和盐酸制取二氧化碳的化学方程式:。(3)选用上图所示的仪器组装一套制取二氧化碳的发生装置(填编号)。(4)下图为某同学设计并进行的有关CO2性质的探究实验过程筒图。请回答:①该实验的实验目的是②该实验得到的结论是6、实验室配制溶液时,可能涉及以下操作:①称量②过滤③计算④蒸发结晶⑤溶解。请按要求回答下列问题:(1)甲同学用纯净的氯化钠固体和蒸馏...

1、当您付费下载文档后,您只拥有了使用权限,并不意味着购买了版权,文档只能用于自身使用,不得用于其他商业用途(如 [转卖]进行直接盈利或[编辑后售卖]进行间接盈利)。
2、本站所有内容均由合作方或网友上传,本站不对文档的完整性、权威性及其观点立场正确性做任何保证或承诺!文档内容仅供研究参考,付费前请自行鉴别。
3、如文档内容存在违规,或者侵犯商业秘密、侵犯著作权等,请点击“违规举报”。

碎片内容

初中化学实验探究题

文章天下+ 关注
实名认证
内容提供者

各种文档应有尽有

确认删除?
VIP
微信客服
  • 扫码咨询
会员Q群
  • 会员专属群点击这里加入QQ群
客服邮箱
回到顶部