电脑桌面
添加小米粒文库到电脑桌面
安装后可以在桌面快捷访问

二次结构方案doc

二次结构方案doc_第1页
1/6
二次结构方案doc_第2页
2/6
二次结构方案doc_第3页
3/6
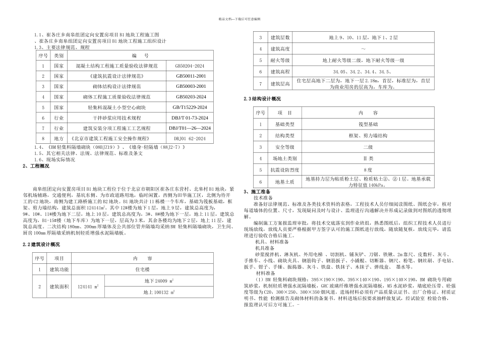
精品文档---下载后可任意编辑1.1、崔各庄乡南皋组团定向安置房项目 B1 地块工程施工图、崔各庄乡南皋组团定向安置房项目 B1 地块工程施工组织设计1.3、主要法律规范、规程序号类别编 号1国家混凝土结构工程施工质量验收法律规范GB50204-20242国家《建筑抗震设计法律规范》GB50011-20013国家砌体结构设计法律规范GB50003-20014国家砌体工程施工质量验收法律规范GB50203-20245国家轻集料混凝土小型空心砌块GB/T15229-20246行业干拌砂浆应用技术规程DBJ/T 01-73-20247行业建筑安装分项工程施工工艺规程DBJ/T01—26—20248地方《北京市建筑工程施工安全操作规程》DBJ01 62-20241.4、《BM 轻集料隔墙砌块(08BJZ19)》、《墙身-轻隔墙(88J2-7)》1.5、其它相关法律、法规、法律规范、标准及条文1.6、现场实际情况2、工程概况南皋组团定向安置房项目 B1 地块工程位于位于北京市朝阳区崔各庄东营村、北皋村 B1 地块,紧邻机场辅路,交通便利,基坑东侧、为市政道路用地,临时闲置,西侧为田华施工区,北侧为待开工的 C2 地块,南侧为建工路桥施工的 B2 地块。B1 地块共计 11 栋楼一个车库,基础为筏板基础,框架、剪力墙结构,建筑总面积 124141m2。其中 12#楼为地下 1 层,地上 9 层,建筑总高度为,9#、10#、11#楼为地下二层,地上 10 层,建筑总高度为,3#、8#楼为地下一层,地上 11 层,建筑总高度为,B1-15#楼(地下车库)为地下一层,层高为 3 米,其余各楼均为地下 2 层,地上 11 层,建筑总高度。二次结构 180mm、200mm 厚墙体及公共部位管井隔墙均采纳 BM 轻集料隔墙砌块,卫生间、厨房 100mm 厚隔墙采纳机制轻质增强水泥隔墙板。2.2 建筑设计概况序号项目内 容1建筑功能住宅楼2建筑面积124141 m2地下 24009 m2地上 100132 m23建筑层数地上 9、10、11 层,地下 1、2 层4建筑高度~5耐火等级地上耐火等级二级,地下耐火等级一级6建筑高程34.05、34.2、34.4、34.5、7建筑层高住宅层高地下二层为,地下一层 2.18m,首层,标准层为,首层为商业用房的层高为,车库为。2.3 结构设计概况序号项 目内 容1基础类型筏型基础2结构类型框架、剪力墙结构3安全等级二级4场地土类别Ⅱ 类5抗震设防烈度8 度6地基土质地基持力层为粘质粉土层、粉质粘土②、② 1 层。地基承载力特征值 140kPa。3、施工准备技术准备准备好法律规范、标准及各类技术资料的表格,工程技术人员仔细阅读图纸、图纸会审,...

1、当您付费下载文档后,您只拥有了使用权限,并不意味着购买了版权,文档只能用于自身使用,不得用于其他商业用途(如 [转卖]进行直接盈利或[编辑后售卖]进行间接盈利)。
2、本站所有内容均由合作方或网友上传,本站不对文档的完整性、权威性及其观点立场正确性做任何保证或承诺!文档内容仅供研究参考,付费前请自行鉴别。
3、如文档内容存在违规,或者侵犯商业秘密、侵犯著作权等,请点击“违规举报”。

碎片内容

二次结构方案doc

不二商店+ 关注
实名认证
内容提供者

我是你的不二选择

相关文档

确认删除?
VIP
微信客服
  • 扫码咨询
会员Q群
  • 会员专属群点击这里加入QQ群
客服邮箱
回到顶部