电脑桌面
添加小米粒文库到电脑桌面
安装后可以在桌面快捷访问

职业技能鉴定国家题库VIP免费

职业技能鉴定国家题库_第1页
1/6
职业技能鉴定国家题库_第2页
2/6
职业技能鉴定国家题库_第3页
3/6
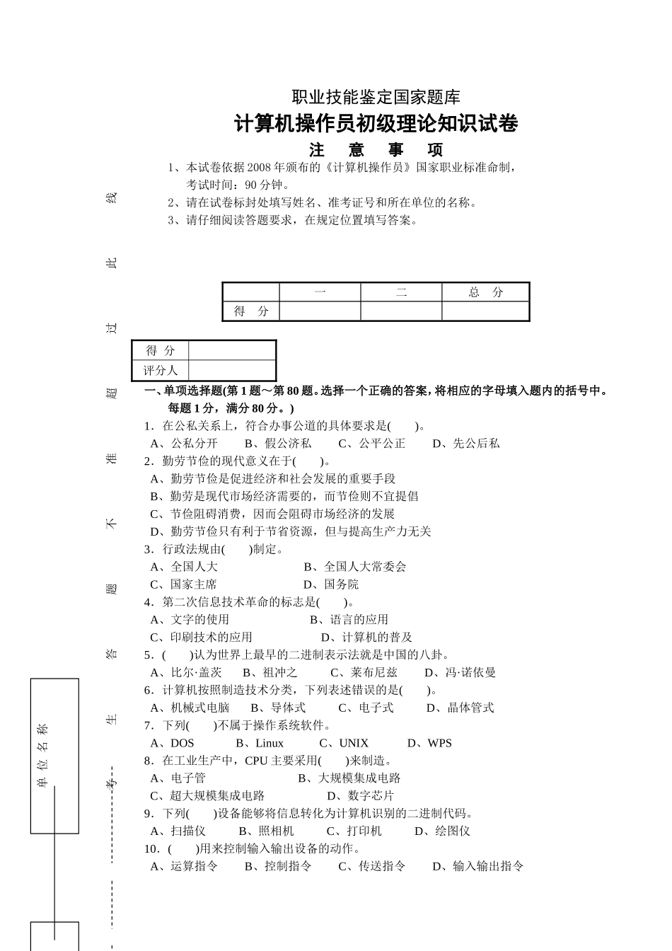
职业技能鉴定国家题库计算机操作员初级理论知识试卷注意事项1、本试卷依据2008年颁布的《计算机操作员》国家职业标准命制,考试时间:90分钟。2、请在试卷标封处填写姓名、准考证号和所在单位的名称。3、请仔细阅读答题要求,在规定位置填写答案。一二总分得分得分评分人一、单项选择题(第1题~第80题。选择一个正确的答案,将相应的字母填入题内的括号中。每题1分,满分80分。)1.在公私关系上,符合办事公道的具体要求是()。A、公私分开B、假公济私C、公平公正D、先公后私2.勤劳节俭的现代意义在于()。A、勤劳节俭是促进经济和社会发展的重要手段B、勤劳是现代市场经济需要的,而节俭则不宜提倡C、节俭阻碍消费,因而会阻碍市场经济的发展D、勤劳节俭只有利于节省资源,但与提高生产力无关3.行政法规由()制定。A、全国人大B、全国人大常委会C、国家主席D、国务院4.第二次信息技术革命的标志是()。A、文字的使用B、语言的应用C、印刷技术的应用D、计算机的普及5.()认为世界上最早的二进制表示法就是中国的八卦。A、比尔·盖茨B、祖冲之C、莱布尼兹D、冯·诺依曼6.计算机按照制造技术分类,下列表述错误的是()。A、机械式电脑B、导体式C、电子式D、晶体管式7.下列()不属于操作系统软件。A、DOSB、LinuxC、UNIXD、WPS8.在工业生产中,CPU主要采用()来制造。A、电子管B、大规模集成电路C、超大规模集成电路D、数字芯片9.下列()设备能够将信息转化为计算机识别的二进制代码。A、扫描仪B、照相机C、打印机D、绘图仪10.()用来控制输入输出设备的动作。A、运算指令B、控制指令C、传送指令D、输入输出指令考生答题不准超过此线姓名单位名称11.编译程序相当于()。A、口译B、笔译C、机器翻译D、人工翻译12.网络管理协议定义了网络管理器与被管代理间的()。A、通信方法B、存储结构C、使用的关键字D、处理方法13.目前网络管理协议中SNMP使用最为广泛,它与()代表了目前的两大网络管理解决方案。A、ICMPB、CMISC、CMIS/CMIPD、TCP/IP14.在我国国家级骨干网络中,中国金桥因特网的英文简称是()。A、CHINANETB、CERNETC、CSTNETD、CHINAGBN15.负责亚太B类IP地址分配的机构是()。A、ENICB、APNICC、InterNICD、NIC16.http://www.osta.org.cn这个网址中,WWW表示()。A、某台主机名称B、网络地址C、顶级域名D、网络标识17.下列不能采用蓝牙设备通讯的设备是()。A、掌上电脑B、手机C、电话子母机D、便携式计算机18.多媒体著作工具按素材或事件的排列组织方式不同,可以分为()种类型。A、2B、3C、4D、519.下列不属于破坏数据完整性的是()。A、非法删除B、非法修改C、非法插入D、非法访问20.在数据库系统中,()的权限最大。A、网络管理员B、操作员C、数据库管理员D、数据库所属单位法人21.数据库系统而言,主要通过权限和授权来实现安全管理,其中index权限表示()。A、允许插入新数据,但不允许修改已经存在的数据B、允许创建和删除索引C、允许修改数据,但不允许删除数据D、允许创建新的关系22.下面关于计算机病毒的危害描述错误的是()。A、破坏磁盘文件的分配表或目录区,使用户磁盘上的信息丢失B、删除软、硬盘上的可执行文件或覆盖文件C、对可执行文件反复传染拷贝,造成磁盘存储空间减少,并影响系统运行效率D、破坏计算机的硬件,造成计算机无法使用23.信息具有时滞性和()。A、相对性B、迅速性C、时效性D、增值性24.计算机信息系统是以计算机和各种信息技术为基础的信息处理统一体,下列()不是其组成部分。A、各种数据B、计算机软、硬件C、数据库D、人员及管理制度25.“需要利用运筹学的方法和技术,合理地配置企业的各项资源”描述的是企业管理系统的()功能。A、计划B、预测C、控制D、辅助决策26.对国际标准化组织ISO的描述错误的是()。A、中央办事机构设在瑞士的日内瓦B、宗旨是在世界范围内促进标准化工作的发展C、设及所有技术领域的标准化活动D、一个由国家标准化机构组成的世界范围的联合会27.由位图转化为矢量图采用()技术,理论上较容易,但现实很难实现。A、切割B、跟踪C、光栅化D、位图细化28.下列()是一种与设备无关的图像文件格式。A、BMPB、FIFC、PCXD...

1、当您付费下载文档后,您只拥有了使用权限,并不意味着购买了版权,文档只能用于自身使用,不得用于其他商业用途(如 [转卖]进行直接盈利或[编辑后售卖]进行间接盈利)。
2、本站所有内容均由合作方或网友上传,本站不对文档的完整性、权威性及其观点立场正确性做任何保证或承诺!文档内容仅供研究参考,付费前请自行鉴别。
3、如文档内容存在违规,或者侵犯商业秘密、侵犯著作权等,请点击“违规举报”。

碎片内容

职业技能鉴定国家题库

文章天下+ 关注
实名认证
内容提供者

各种文档应有尽有

相关文档

确认删除?
VIP
微信客服
  • 扫码咨询
会员Q群
  • 会员专属群点击这里加入QQ群
客服邮箱
回到顶部