电脑桌面
添加小米粒文库到电脑桌面
安装后可以在桌面快捷访问

冲压模具资料

冲压模具资料_第1页
1/10
冲压模具资料_第2页
2/10
冲压模具资料_第3页
3/10
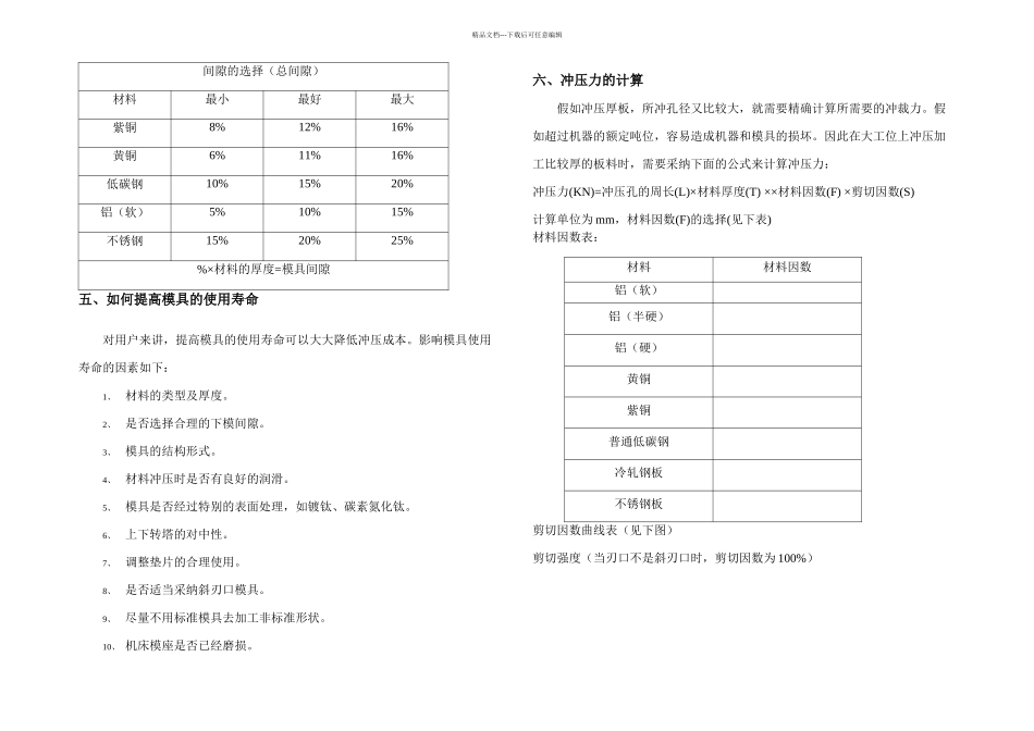
精品文档---下载后可任意编辑二、从废料情况看出的信息废料本质上就是成形孔的反像。即位置相反的相同部位。通过检查废料,你可以推断上下模间隙是否正确。假如间隙过大,废料会出现粗糙、起伏的断裂面和一窄光亮带区域。间隙越大,断裂面与光亮带区域所成角度就越大。假如间隙过小,废料会呈现出一小角度断裂面和一宽光亮带区域。过大间隙形成带有较大卷边和边缘撕裂的孔,令剖面略微有一薄边缘突出。太小的间隙形成带略微卷边和大角度撕裂,导致剖面或多或少地垂直于材料表面。一个理想的废料应有合理的压塌角和均匀的光亮带。这样可保持冲压力最小并形成一带极少毛刺的洁净圆孔。从这点来看,通过增大间隙来延长模具寿命是以牺牲成品孔质量换取的。三、为什么要使用正确的下模间隙?(1)最佳间隙:剪切裂缝结合,均衡冲压力、工件质量和模具寿命。(2)间隙太小:次等的剪切裂缝,冲压力提升,缩短模具使用寿命。四、模具间隙的选择模具的间隙与所冲压的材料的类型及厚度有关。不合理的间隙可以造成以下问题:(1) 如间隙过大,所冲压工件的毛刺就比较大,冲压质量差。假如间隙偏小,虽然冲孔的质量较好,但模具的磨损比较严重,大大降低模具的使用寿命,而且容易造成冲头的折断。(2) 间隙过大或过小都容易在冲头材料上产生粘连,从而造成冲压时带料。过小的间隙容易在冲头底面与板料之间形成真空而发生废料反弹。(3) 合理的间隙可以延长模具寿命,卸料效果好,减小毛刺和翻边,板材保持洁净,孔径一致不会刮花板材,减少刃磨次数,保持板材平直,冲孔定位准确。请参照下表选择模具间隙(表中数据为百分数)精品文档---下载后可任意编辑间隙的选择(总间隙)材料最小最好最大紫铜8%12%16%黄铜6%11%16%低碳钢10%15%20%铝(软)5%10%15%不锈钢15%20%25%%×材料的厚度=模具间隙五、如何提高模具的使用寿命对用户来讲,提高模具的使用寿命可以大大降低冲压成本。影响模具使用寿命的因素如下:1、 材料的类型及厚度。2、 是否选择合理的下模间隙。3、 模具的结构形式。4、 材料冲压时是否有良好的润滑。5、 模具是否经过特别的表面处理,如镀钛、碳素氮化钛。6、 上下转塔的对中性。7、 调整垫片的合理使用。8、 是否适当采纳斜刃口模具。9、 尽量不用标准模具去加工非标准形状。10、 机床模座是否已经磨损。六、冲压力的计算假如冲压厚板,所冲孔径又比较大,就需要精确计算所需要的冲裁力。假如超过机器的额定吨位,容易造成机器和模具的...

1、当您付费下载文档后,您只拥有了使用权限,并不意味着购买了版权,文档只能用于自身使用,不得用于其他商业用途(如 [转卖]进行直接盈利或[编辑后售卖]进行间接盈利)。
2、本站所有内容均由合作方或网友上传,本站不对文档的完整性、权威性及其观点立场正确性做任何保证或承诺!文档内容仅供研究参考,付费前请自行鉴别。
3、如文档内容存在违规,或者侵犯商业秘密、侵犯著作权等,请点击“违规举报”。

碎片内容

冲压模具资料

您可能关注的文档

确认删除?
VIP
微信客服
  • 扫码咨询
会员Q群
  • 会员专属群点击这里加入QQ群
客服邮箱
回到顶部