电脑桌面
添加小米粒文库到电脑桌面
安装后可以在桌面快捷访问

建设工程检测—收费标准VIP免费

建设工程检测—收费标准_第1页
1/13
建设工程检测—收费标准_第2页
2/13
建设工程检测—收费标准_第3页
3/13
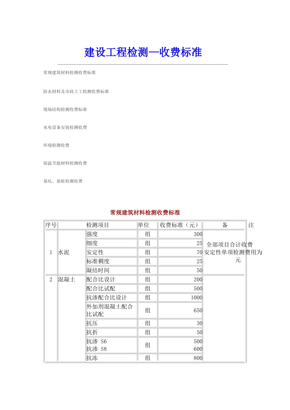
建设工程检测—收费标准------------------------------------------------------------------------------------------------------------常规建筑材料检测收费标准防水材料及市政土工检测收费标准现场结构检测收费标准水电设备安装检测收费环境检测收费保温节能材料检测收费基坑、基桩检测收费常规建筑材料检测收费标准序号检测项目单位收费标准(元)备注1水泥强度组300全部项目合计收费安定性单项检测费用为元细度组25安定性组70标准稠度组25凝结时间组502混凝土配合比设计组200配合比试配组500抗渗配合比设计组1000外加剂混凝土配合比试配组650抗压组30抗折组50抗渗S6抗渗S8组500600抗冻组800碳化组400弹性模量组1000混凝土收缩性能组20003砂浆配合比设计组200稠度组90密度组90分层度组120抗压组30抗渗组2004建筑用石颗粒级配组100全部常规项目合计收费含泥量组80泥块含量组80针片状含量组80*压碎指标组120*坚固性组280*堆积密度、紧密密度组80*表观密度组80含水率组50吸水率组505建筑用砂颗粒级配组80全部常规项目合计收费含泥量组80泥块含量组80*堆积密度、紧密密度组80*表观密度组80*含水率组50*吸水率组50*云母含量组80*轻物含量组80*坚固性组2806混凝土外加剂减水率组150另加材料费150泌水率组150含气量组150凝结时间差组200固体含量组50抗压强度组500比重组40PH酸度组1007烧结普通砖强度等级(抗压)组150*尺寸偏差组130*外观质量组50*饱和系数组80*石灰爆裂组808烧结多孔砖强度等级组170*尺寸偏差组130*外观质量组50*石灰爆裂组809烧结空心砖和空心砌块强度等级组170尺寸偏差组130外观质量组50*石灰爆裂组80吸水率组90抗折组70泛霜组80抗冻组500碳化组40010混凝土小型空心砌块强度等级组190*尺寸偏差组80*外观质量组80*相对含水率组22011粉煤灰砌块抗压强度组190全部常规项目合计收费*尺寸偏差组80*外观质量组80密度组190*含水率组220抗折组190空心率组60容重组190吸水率组190干缩率组1800软化系数组310抗冻组600碳化组150012道路砖强度等级组180全部常规项目合计收费*尺寸偏差组130*外观质量组50吸水率组130*耐磨组350抗冻组550抗折组18013混凝土瓦承载力组140全部项目合计收费吸水率组45抗渗性能组180抗冻性能组800急冷急热组12014烧结瓦抗弯曲性能组140吸水率组45*尺寸偏差组80*外观质量组80*抗渗性能组180石棉瓦抗折(一纵二横向)组120包括切割加工15纸面石膏板含水率、断裂荷载、单位面积重量、粘结力组72016普通石膏板吸水率、断裂荷载、单位面积重量、外观尺寸组68017石膏刨花板含水率组130密度组90吸收膨胀组60抗拉组130静曲强度组13018钢筋混凝土用热轧带肋钢筋钢筋混凝土用热轧光圆钢筋抗拉强度弯曲组(Ф≤25mm)55(Ф=28mm)90(Ф≥32mm)18019冷轧带肋钢筋抗拉强度弯曲组27.520低碳钢热轧圆盘条抗拉强度伸长率弯曲组5521碳素结构钢抗拉根70全部项目合计收费加工费60弯曲根2022低合金高强度结构钢抗拉根70全部项目合计收费加工费60弯曲根2023焊接件抗拉、冷弯组(Ф≤25mm)70(Ф=28mm)130(Ф≥32mm)20024大六角螺栓楔负载试验个150全部项目合计收费其中:楔负载试验连接副扭矩系数8个;螺母保证荷载试验2个;螺母硬度垫圈硬度连接副扭矩系数个100螺母保证荷载试验个150螺母硬度个50垫圈硬度个5025钢结构用扭剪型高强度螺栓连接副楔负载试验个150全部项目合计收费其中:楔负载试验连接副紧固轴力试验5个;螺母保证荷载试验2个;螺母硬度垫圈硬度连接副紧固轴力试验个100螺母保证荷载试验个150螺母硬度个50垫圈硬度个5026抗滑移试验抗滑移系数组60027铝合金尺寸偏差力学性能(硬度)氧化膜厚度组170全部常规项目合计收费28轻钢龙骨吊顶力学性能项600墙体龙骨力学性能项100029千斤顶标定≤150t收300元>150t每增加1吨收2元30硬聚氯乙烯塑料型材加热后状态组50全部常规项目合计收费加热后尺寸变化率件200角强度组100落锤冲击31安全网耐冲击性能张250耐贯穿性能张25032建筑玻璃碎片状态组1000落锤冲击组800霰弹袋冲击性能组100033钢管脚手架扣件直角扣件(抗滑移、抗破坏、扭转刚度)个60旋转扣件(抗滑移、抗破坏)个60对接扣件抗拉个60防水材料及市政土工检测收费...

1、当您付费下载文档后,您只拥有了使用权限,并不意味着购买了版权,文档只能用于自身使用,不得用于其他商业用途(如 [转卖]进行直接盈利或[编辑后售卖]进行间接盈利)。
2、本站所有内容均由合作方或网友上传,本站不对文档的完整性、权威性及其观点立场正确性做任何保证或承诺!文档内容仅供研究参考,付费前请自行鉴别。
3、如文档内容存在违规,或者侵犯商业秘密、侵犯著作权等,请点击“违规举报”。

碎片内容

建设工程检测—收费标准

您可能关注的文档

确认删除?
VIP
微信客服
  • 扫码咨询
会员Q群
  • 会员专属群点击这里加入QQ群
客服邮箱
回到顶部