电脑桌面
添加小米粒文库到电脑桌面
安装后可以在桌面快捷访问

地质矿产勘查作业指导讲义-之探槽(剥土)VIP免费

地质矿产勘查作业指导讲义-之探槽(剥土)_第1页
1/6
地质矿产勘查作业指导讲义-之探槽(剥土)_第2页
2/6
地质矿产勘查作业指导讲义-之探槽(剥土)_第3页
3/6
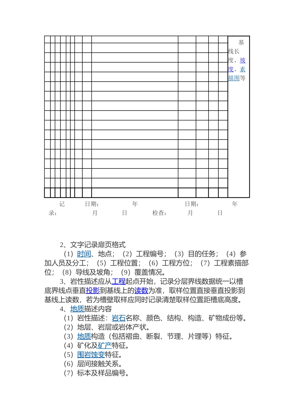
地质矿产勘查作业指导讲义-之探槽(剥土)编录导语:探槽编录在我们地质工作中,算是一个最常见不过和简单不过的工程编录了。本文转自邹工的地质矿产勘查作业指导讲义系列,供大家学习。一、槽探工程素描探槽(剥土)素描方法及细则规定如下:1、探槽代号TC,编号统一为线号加探槽号,如:1线2号探槽编号为TC0102,以此类推。本项目素描图比例尺统一选用1:100。水平比例尺和垂直比例尺应保持一致。按1米间隔标注比例尺刻度线,水平比例尺标在下方,垂直比例尺标在起点一侧(详见图1)。图12、探槽端点以直径1mm圆心带点的小圆圈在图上表示,并于实地竖木桩作标记,在图上槽头表示出起点方位(及起点坐标)。3、探槽素描方向首选正北壁、北西壁、北东壁或正东壁。其素描图绘一壁(绘实际形态)及底(绘规则底,底宽采用1cm,便于标注样品和绘制岩石花纹),在地质情况较复杂、两壁地质特征差别较大时素描二壁及底。4、素描图作法主要有两种:①、坡度展开法;②、平行展开法,本项目统一使用坡度展开法绘图。4、编录方法步骤如下:①、观察参加人员2-3人为宜,首先对探槽的情况进行总的观察,统一认识,明确重要的地质现象,如岩性分层界线、接触关系、矿化与分布、蚀变分带、断裂构造等,确定取样位置,并用红油漆画出分层线及采样位置。②、布设基线将皮尺一端固定在槽头木桩基点,沿所素描的一帮拉到另一头,予以固定作基线标尺,用皮尺作基线,罗盘测量方位角及基线坡度角。当地形坡度变化大、有拐弯或探槽过长可分段布置。③、绘制基线按预先计划好的槽壁、槽底及图名等位置,将基线按坡度角和确定的比例尺展绘于厘米方格纸上。④绘制槽壁及槽底按基线不同位置,用小钢卷尺作标尺,按等间距(2m)或探槽地形变化点沿基线铅直量取地形表面、槽壁与槽底交线、槽底边线、松散层与基岩分界线的位置,按确定的比例尺投点于厘米方格纸上,然后连接相同性质的各相应的点。槽底用水平投影法,宽度用钢卷尺测量,画于槽壁最低点1.5cm以下的位置。⑤绘制基岩地质现象用小钢卷尺作标尺,由左向右逐段测定基岩分层界线和构造线等的上界线点和下界线点位置,按比例展绘在厘米方格纸上,按界线实际形态连接描绘。将测量的地质体和构造产状和采集的标本、样品及编号标注于相应的位置。同时将取样位置、编号在槽底或槽帮用油漆予以修正标记。二、槽探(剥土)工程文字记录1、文字描述记录于规定的统一表格中(格式详见下表)。TC探槽(剥土)地质记录表区:起点坐标:X=:Y=:H=第页共页号位角距距计平距差计高差地质描述样号采样位置(米)备注自2、文字记录扉页格式(1)时间、地点;(2)工程编号;(3)目的任务;(4)参加人员及分工;(5)工程位置;(6)工程方位;(7)工程素描部位;(8)导线及坡角;(9)覆盖情况。3、岩性描述应从工程起点开始,记录分层界线数据统一以槽底界线点垂直投影到基线上的读数为准,取样位置直接垂直投影到基线上读数,若为槽壁取样应同时记录清楚取样位置距槽底高度。4、地质描述内容(1)岩性描述:岩石名称、颜色、结构、构造、矿物成份等。(2)地层、岩层或岩体产状。(3)地质构造(包括褶曲、断裂、节理、片理等)特征。(4)矿化及矿产特征。(5)围岩蚀变特征。(6)层间接触关系。(7)标本及样品编号。基线长度、坡度、素描图等记录:日期:年月日检查:日期:年月日5、文字记录质量要求如下:(1)记录项目和格式、描写内容和顺序、计量单位等符合有关标准的要求。(2)层次分明、重点突出、语言精练、概念清楚、字迹清晰。(3)分层合理,各层之间接触关系叙述清楚。(4)岩、矿石定名基本准确,岩性描述详细且与定名相符,能清楚反映出岩(矿)石的宏观特征及变化情况。(5)蚀变与矿化的岩石和矿物特征、种类、强度及其关系等描述清楚。(6)构造类型、特征、性质及其与蚀变、矿化和相邻地质体的关系等描述准确。(7)各种产状数据齐全、准确,有代表性。6、槽探编录要求:1)探槽、剥土施工完工后必须及时进行验收及地质编录2)地质界线和各种数据准确,按比例尺要求地质体和重要地质现象无遗漏。槽底与槽壁间吻合,与文字记录有关内容和数据...

1、当您付费下载文档后,您只拥有了使用权限,并不意味着购买了版权,文档只能用于自身使用,不得用于其他商业用途(如 [转卖]进行直接盈利或[编辑后售卖]进行间接盈利)。
2、本站所有内容均由合作方或网友上传,本站不对文档的完整性、权威性及其观点立场正确性做任何保证或承诺!文档内容仅供研究参考,付费前请自行鉴别。
3、如文档内容存在违规,或者侵犯商业秘密、侵犯著作权等,请点击“违规举报”。

碎片内容

地质矿产勘查作业指导讲义-之探槽(剥土)

确认删除?
VIP
微信客服
  • 扫码咨询
会员Q群
  • 会员专属群点击这里加入QQ群
客服邮箱
回到顶部