电脑桌面
添加小米粒文库到电脑桌面
安装后可以在桌面快捷访问

机械制造技术基础习题

机械制造技术基础习题_第1页
1/8
机械制造技术基础习题_第2页
2/8
机械制造技术基础习题_第3页
3/8
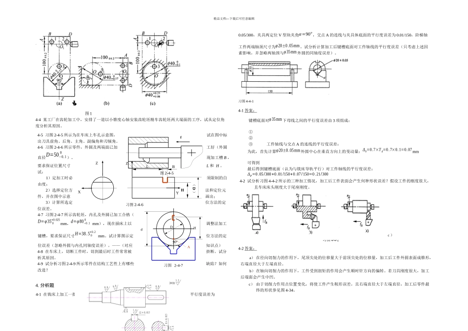
f图 3图 3ansf刃倾角 λ0前角 γ0后角 α0主偏角 φ0副偏角 φ′0H习图 2-1-13习图 2-1-14YXZb )a )YXZ习图 2-4-2c )YXXZd )XZYXb)a)d)c)54 0-0.14( )φ32+0.0300.03 A( )φ60 0-0.1A90°φ32 -0.01-0.03习图 2-4-3习图 2-4-1d )HZYBZXYXZc )HLZBYXZa )H HφBφBL(φD)b )YXZ精品文档---下载后可任意编辑2、图 2-4-5 所示为在车床上车孔示意图,试在图中标出刀具前角、后角、主角、副偏角和刃倾角。答案3、图 3 所示为车外园示意图,试在图中标出刀具前角、后角、主角、副偏角和刃倾角。答案:1——前角、2——后角、3——副偏角、4——主偏角、5——刃倾角1-11 锥度心轴限制()个自由度。 ① 2 ② 3 ③ 4 ④ 51-12 小锥度心轴限制()个自由度。 ① 2 ② 3 ③ 4 ④ 51-13 在球体上铣平面,要求保证尺寸 H(习图 2-1-13),必须限制( )个自由度。1 2 3 4①②③④1-14 在球体上铣平面,若采纳习图 2-1-14 所示方法定位,则实际限制()个自由度。 1 2 3 4①②③④1-15 过正方体工件中心垂直于某一表面打一通孔,必须限制( )个自由度。① 2 ② 3 ③ 4 ④ 54. 分析题4-1 试分析习图 2-4-1 所示各零件加工所必须限制的自由度: a)在球上打盲孔 φB,保证尺寸 H;b)在套筒零件上加工 φB 孔,要求与 φD 孔垂直相交,且保证尺寸 L;c)在轴上铣横槽,保证槽宽 B 以及尺寸 H 和 L;d)在支座零件上铣槽,保证槽宽 B 和槽深 H 及与 4 分布孔的位置度。4-2 试分析习图 2-4-2 所示各定位方案中:① 各定位元件限制的自由度;② 推断有无欠定位或过定位;③ 对不合理的定位方案提出改进意见。a)车阶梯轴小外圆及台阶端面;b)车外圆,保证外圆与内孔同轴;c)钻、铰连杆小头孔,要求保证与大头孔轴线的距离及平行度,并与毛坯外圆同轴;d)在圆盘零件上钻、铰孔,要求与外圆同轴。4-3 在习图 2-4-3 所示工件上加工键槽,要求保证尺寸54−0.140和对称度 0.03。现有 3 种定位方案,分别如图b,c,d 所示。试分别计算 3 种方案的定位误差,并选择最佳方案。1. 图 1 为工件加工平面 BD 的三种定位方案,孔 O1 已加工,1,2,3 为三个支钉,分析计算工序尺寸 A 的定位误差,并提出更好的定位方案.图 3f图 2-4-5ZBL(D)Y HZX习图 2-4-6习图 2-4-7AdH90°Da ) b ) c )习图 4-4-2精品文档---下载后可...

1、当您付费下载文档后,您只拥有了使用权限,并不意味着购买了版权,文档只能用于自身使用,不得用于其他商业用途(如 [转卖]进行直接盈利或[编辑后售卖]进行间接盈利)。
2、本站所有内容均由合作方或网友上传,本站不对文档的完整性、权威性及其观点立场正确性做任何保证或承诺!文档内容仅供研究参考,付费前请自行鉴别。
3、如文档内容存在违规,或者侵犯商业秘密、侵犯著作权等,请点击“违规举报”。

碎片内容

机械制造技术基础习题

津创媒+ 关注
实名认证
内容提供者

欢迎交流文创,小店资料希望满足您的需要。

确认删除?
VIP
微信客服
  • 扫码咨询
会员Q群
  • 会员专属群点击这里加入QQ群
客服邮箱
回到顶部