电脑桌面
添加小米粒文库到电脑桌面
安装后可以在桌面快捷访问

安川变频器图纸

安川变频器图纸_第1页
1/8
安川变频器图纸_第2页
2/8
安川变频器图纸_第3页
3/8
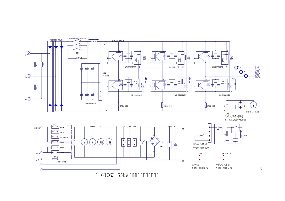
1 uuuTA15600u400Vx6500uH150AHI-35E2T2CU-U/70AKM0220W1RRM100DZ-24x3RSTr/R60W10RMS1250D225POR6L-150S12AA1-024x6GR40WCTA2ECECR5.1kx2EGECMS1250D225NMS1250D225POR6L-150TA3GRCECECREGECMS1250D225NMS1250D225POR6L-150GRCECECREGECMS1250D225NUVWFU1/ATM53CN/4N1M1C7KA11KA116CN17CN4FAN散热风扇DM1KM01CN4CN/210CNP1uFANx4200V60W10R60W10R60W10R60W10R60W10R200V200V380V400/415V440V460V400V/S1CNM1M1M1XY2CN5CN1234M23风扇故障检测端子2.3开路时跳FAN故障123KM0\状态检测开路时跳FU故障5CNKM0RC已短接开路时跳OH故障14CN/15CN外接热传感器开路时跳OH故障PN2uF2uF 《 616G3-55kW 安川变频器》主电路图说 2 所有变频器主电路的结构都是相似的,乃至于是相同的。而安川变频器的主电路和台湾东元变频器的主电路更是如出一辙。稍后我观察到两机的控制面板是一样的,控制面板和参数的设置也是相似的。发现两种从硬件到软件都相似甚至于是相同的机器,给安装调试与维修,都会带来很多的方便。只要手头有一种技术资料参考,就可以调试和维修二种设备了。 打开这两种大功率变频器的外壳,检查主电路时,安装于逆变模块上方(与模块并联的)的六只长方形盒体状的大东西,首先会引起我们的兴趣——与每相上臂IGBT 管子并联的是型号为MS1250D225P,与下臂IGBT 管子并联的型号为MS1250D225N。用句网络上的话说:这究竟是个什么东东?安装于此处意欲何为呢? 大凡并联在IGBT 管子上的东西,或电容或阻容网络,均是为保护IGBT 管子而设置的。即当该管子截止时,快速消耗掉反向电压所形成的能量,提供一个反向电流的通路,以保护IGBT 管子不承受(实质上是使其承受得少一点罢了)反压的冲击。众所周知,无论是双极型或是场效应器件,在承受正向电压上往往有一定的富裕量,但对于反向电压的耐受能力却是极其脆弱的。所以在IGBT 管子上并联的一嘟喽一嘟喽的东西,可以说都是完成此一消耗反压任务的。 需要说明的是:MS1250D225P 和MS1250D225N 的内部电路,笔者并未打开实物进行验证,模块损坏后,这两种器件往往都是完好的,所以也不便将其破坏后拆解。上图的内部电路是据测量揣摩画出的,仅为读者朋友提供一个参考。我查找了大量资料和在网络上进行了搜寻,均未找到此元件的资料。从揣测电路的基础上进行原理上的分析,显然容易产生误导。故暂时省略对其原理的解析。 但在模块上并联了此类元件后,将在检修上给我们带来新的体验。见下...

1、当您付费下载文档后,您只拥有了使用权限,并不意味着购买了版权,文档只能用于自身使用,不得用于其他商业用途(如 [转卖]进行直接盈利或[编辑后售卖]进行间接盈利)。
2、本站所有内容均由合作方或网友上传,本站不对文档的完整性、权威性及其观点立场正确性做任何保证或承诺!文档内容仅供研究参考,付费前请自行鉴别。
3、如文档内容存在违规,或者侵犯商业秘密、侵犯著作权等,请点击“违规举报”。

碎片内容

安川变频器图纸

确认删除?
VIP
微信客服
  • 扫码咨询
会员Q群
  • 会员专属群点击这里加入QQ群
客服邮箱
回到顶部