电脑桌面
添加小米粒文库到电脑桌面
安装后可以在桌面快捷访问

比较易拉罐与玻璃瓶的环保作用--从“摇篮”到“坟墓”分析VIP专享VIP免费

比较易拉罐与玻璃瓶的环保作用--从“摇篮”到“坟墓”分析_第1页
1/10
比较易拉罐与玻璃瓶的环保作用--从“摇篮”到“坟墓”分析_第2页
2/10
比较易拉罐与玻璃瓶的环保作用--从“摇篮”到“坟墓”分析_第3页
3/10
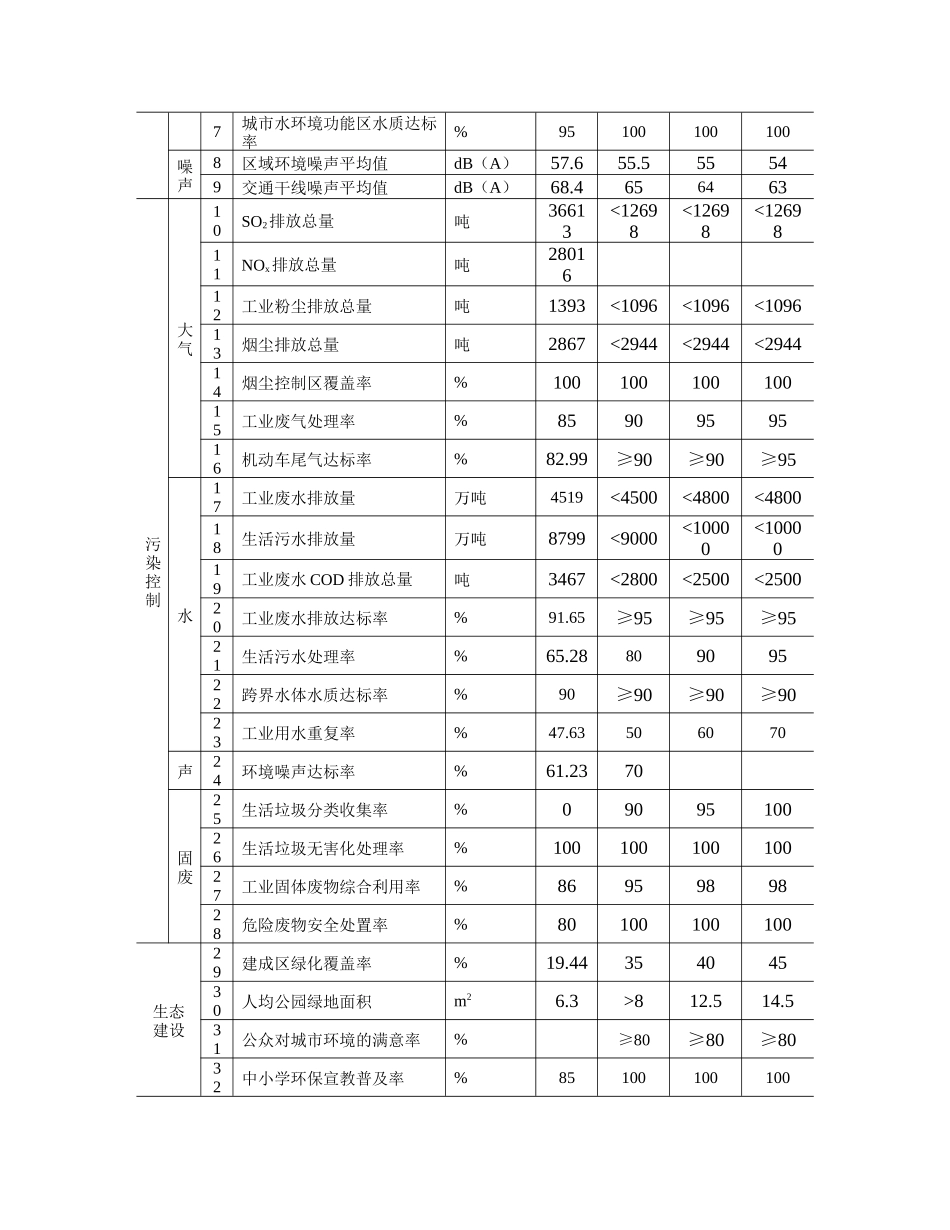
比较易拉罐与玻璃瓶的环保作用------从“摇篮”到“坟墓”分析目录:一.了解佛山的环境情况二.公众观点三.易拉罐与玻璃瓶各自的优缺点四.比较生产过程中所产生的环境影响五.比较运输过程所产生的环境影响六.比较被丢弃以后对环境的影响七.综合分析八.组员感受前言:世界范围内日益膨胀的包装消费,在饮料工业中表现得最为明显。消费者们正以日益上涨的速度饮用啤酒、汽水、瓶装水和其他装在一次性容器中的饮品。为了盛装饮品每年制造和扔掉了至少2万亿个瓶子、罐头盒、纸箱和塑料杯。美国是罐装饮料的头号消费者,美国以罐头的形式扔掉的铝几乎比其他7个发达国家为各种目的所消耗的铝还要多。在日本,制造饮料罐是增长最快的使用铝的行业。可见包装饮料和罐装食品消耗了大量的能源和资源。我们平常用的包装饮料容器,如可重复使用的玻璃瓶和一次性金属易拉罐,由于人们往往只看到它们被消费然后被遗弃的一瞬间,于是很容易产生这样的看法,即玻璃瓶一定比易拉罐有利于环境。殊不知这样的判断可能是非常武断的,因为消费和被抛弃仅仅是这些包装容器整个寿命周期中短暂的一瞬。在它们各自的原料被挖掘,加工成容器,以及在食品厂用来包装食品,再将包装好的食品运输分销至消费者,甚至在消费者家中如何储藏等所有环节上,它们都对环境造成影响。仅仅比较其中一部分环节是十分危险的。随之,我们产生各种各样的问题,如:·石英(玻璃瓶原料)和铝矾土(易拉罐原料)的开采哪一种对环境破坏大?·玻璃熔炼和铝矾土电解哪一个耗能更大,耗哪种不同的能源,其各自对酸雨、温室效应的影响如何?·玻璃瓶自重超过易拉罐,固然可以重复使用,但由此导致的空返运输中所消耗的不可再生燃料(汽油)对可持续发展性的威胁如何评价?·玻璃瓶装牛奶从出厂到家庭一路均需要冷藏,其所消耗的能源对温室效应,制冷过程中所排出的CFC气体对臭氧层的破坏如何评价?·回收玻璃瓶是否节约能源?一.了解佛山的环境情况表1-1禅城区环境规划(2006-2020)的指标体系序号指标名称单位2004年现状值2010年目标值2015年目标值2020年目标值环境质量大气1SO2年平均值mg/m30.090.060.060.062NO2年平均值mg/m30.0390.040.040.043PM10年平均值mg/m30.1080.100.100.104达到二级空气质量以上天数天/年355≥355≥3555酸雨频率%85403530水6集中式饮用水源水质达标率%98>991001007城市水环境功能区水质达标率%95100100100噪声8区域环境噪声平均值dB(A)57.655.555549交通干线噪声平均值dB(A)68.4656463污染控制大气10SO2排放总量吨36613<12698<12698<1269811NOx排放总量吨2801612工业粉尘排放总量吨1393<1096<1096<109613烟尘排放总量吨2867<2944<2944<294414烟尘控制区覆盖率%10010010010015工业废气处理率%8590959516机动车尾气达标率%82.99≥90≥90≥95水17工业废水排放量万吨4519<4500<4800<480018生活污水排放量万吨8799<9000<10000<1000019工业废水COD排放总量吨3467<2800<2500<250020工业废水排放达标率%91.65≥95≥95≥9521生活污水处理率%65.2880909522跨界水体水质达标率%90≥90≥90≥9023工业用水重复率%47.63506070声24环境噪声达标率%61.2370固废25生活垃圾分类收集率%0909510026生活垃圾无害化处理率%10010010010027工业固体废物综合利用率%8695989828危险废物安全处置率%80100100100生态建设29建成区绿化覆盖率%19.4435404530人均公园绿地面积m26.3>812.514.531公众对城市环境的满意率%≥80≥80≥8032中小学环保宣教普及率%85100100100环境经济管理33环境保护投资占GDP比例%3.153.532.534单位GDP用水量吨/万元79.8143.83527.435单位GDP能耗吨标煤/万元1.261.0130.480.2636单位GDPCOD排放强度千克/万元2.661.51.30.8437单位GDPSO2排放强度千克/万元12.271.61.20.72001-2010年禅城区固体废物污染控制指标见表1-2。表1-2固体废弃物污染控制目标(%)项目名称2001200220032004规划目标值生活垃圾管理生活垃圾增长率884.5生活垃圾分类率50生活垃圾清运率100100100100100生活垃圾资源化率30生活垃圾无害化率100100100100100工业固体废物管理工业固体废物增长率-7.58-7.11-10.1116.7815工业固体废物综合利...

1、当您付费下载文档后,您只拥有了使用权限,并不意味着购买了版权,文档只能用于自身使用,不得用于其他商业用途(如 [转卖]进行直接盈利或[编辑后售卖]进行间接盈利)。
2、本站所有内容均由合作方或网友上传,本站不对文档的完整性、权威性及其观点立场正确性做任何保证或承诺!文档内容仅供研究参考,付费前请自行鉴别。
3、如文档内容存在违规,或者侵犯商业秘密、侵犯著作权等,请点击“违规举报”。

碎片内容

比较易拉罐与玻璃瓶的环保作用--从“摇篮”到“坟墓”分析

您可能关注的文档

确认删除?
VIP
微信客服
  • 扫码咨询
会员Q群
  • 会员专属群点击这里加入QQ群
客服邮箱
回到顶部