电脑桌面
添加小米粒文库到电脑桌面
安装后可以在桌面快捷访问

安徽省强检计量器具建档机构项目表(法定机构部分)

安徽省强检计量器具建档机构项目表(法定机构部分)_第1页
1/16
安徽省强检计量器具建档机构项目表(法定机构部分)_第2页
2/16
安徽省强检计量器具建档机构项目表(法定机构部分)_第3页
3/16
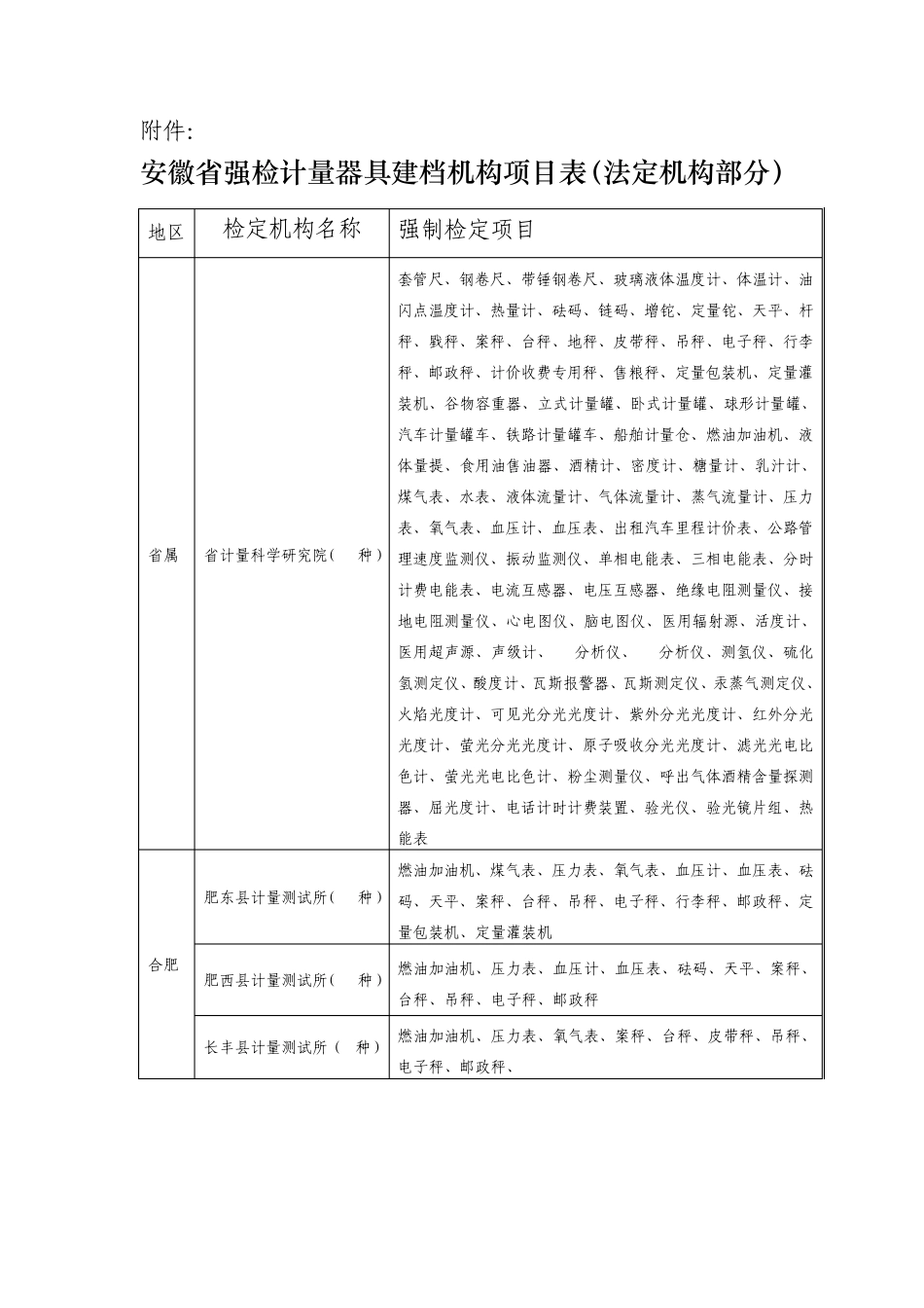
附件: 安徽省强检计量器具建档机构项目表(法定机构部分) 地区 检定机构名称 强制检定项目 省属 省计量科学研究院(89种) 套管尺、钢卷尺、带锤钢卷尺、玻璃液体温度计、体温计、油闪点温度计、热量计、砝码、链码、增铊、定量铊、天平、杆秤、戥秤、案秤、台秤、地秤、皮带秤、吊秤、电子秤、行李秤、邮政秤、计价收费专用秤、售粮秤、定量包装机、定量灌装机、谷物容重器、立式计量罐、卧式计量罐、球形计量罐、汽车计量罐车、铁路计量罐车、船舶计量仓、燃油加油机、液体量提、食用油售油器、酒精计、密度计、糖量计、乳汁计、煤气表、水表、液体流量计、气体流量计、蒸气流量计、压力表、氧气表、血压计、血压表、出租汽车里程计价表、公路管理速度监测仪、振动监测仪、单相电能表、三相电能表、分时计费电能表、电流互感器、电压互感器、绝缘电阻测量仪、接地电阻测量仪、心电图仪、脑电图仪、医用辐射源、活度计、医用超声源、声级计、CO分析仪、SO2分析仪、测氢仪、硫化氢测定仪、酸度计、瓦斯报警器、瓦斯测定仪、汞蒸气测定仪、火焰光度计、可见光分光光度计、紫外分光光度计、红外分光光度计、萤光分光光度计、原子吸收分光光度计、滤光光电比色计、萤光光电比色计、粉尘测量仪、呼出气体酒精含量探测器、屈光度计、电话计时计费装置、验光仪、验光镜片组、热能表 合肥 肥东县计量测试所(16种) 燃油加油机、煤气表、压力表、氧气表、血压计、血压表、砝码、天平、案秤、台秤、吊秤、电子秤、行李秤、邮政秤、定量包装机、定量灌装机 肥西县计量测试所(11种) 燃油加油机、压力表、血压计、血压表、砝码、天平、案秤、台秤、吊秤、电子秤、邮政秤 长丰县计量测试所(9种) 燃油加油机、压力表、氧气表、案秤、台秤、皮带秤、吊秤、电子秤、邮政秤、 2 淮北 淮北市计量所 (31种) 砝码、天平、台秤、地秤、电子秤、吊秤、行李秤、邮政秤、计价收费专用秤、燃油加油机、煤气表、水表、压力表、氧气表、血压计、血压表、出租汽车里程计价表、绝缘电阻测量仪、接地电阻测量仪、心电图仪、医用辐射源、医用超声源、酸度计、瓦斯报警器、瓦斯测定仪、可见分光光度计、紫外分光光度计、屈光度计、电话计时计费装置、验光仪、验光镜片组 濉溪县技术所 (17种) 砝码、链码、增铊、定量铊、天平、杆秤、戥秤、案秤、台秤、地秤、电子秤、行李秤、邮政秤、计价收费专用秤、燃油加油机、压力表、氧气表 亳州 亳州市计...

1、当您付费下载文档后,您只拥有了使用权限,并不意味着购买了版权,文档只能用于自身使用,不得用于其他商业用途(如 [转卖]进行直接盈利或[编辑后售卖]进行间接盈利)。
2、本站所有内容均由合作方或网友上传,本站不对文档的完整性、权威性及其观点立场正确性做任何保证或承诺!文档内容仅供研究参考,付费前请自行鉴别。
3、如文档内容存在违规,或者侵犯商业秘密、侵犯著作权等,请点击“违规举报”。

碎片内容

安徽省强检计量器具建档机构项目表(法定机构部分)

您可能关注的文档

小辰5+ 关注
实名认证
内容提供者

出售各种资料和文档

确认删除?
VIP
微信客服
  • 扫码咨询
会员Q群
  • 会员专属群点击这里加入QQ群
客服邮箱
回到顶部