电脑桌面
添加小米粒文库到电脑桌面
安装后可以在桌面快捷访问

实际用箱型梁制作

实际用箱型梁制作_第1页
1/11
实际用箱型梁制作_第2页
2/11
实际用箱型梁制作_第3页
3/11
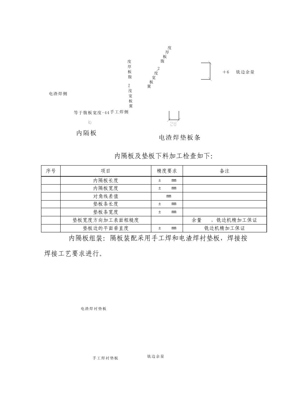
中煤集团鄂尔多斯图克化肥项目气化钢结构箱型梁工程 煤气化箱型梁 加工制作工艺 青岛昊宇重工有限公司 2 0 1 2 年 6 月 3 0 日 煤气化箱型梁加工制作工艺 箱型梁的制作工艺流程: 原材料入厂→检验、矫正→套料 内隔板加工→下料、切割→铣边→开坡口 →加电渣焊垫板→加固焊 箱体加工→翼板、腹板下料、切割 →腹板开坡口→工艺隔板、电渣焊内隔板与下翼缘装配→U型结构组合 →内隔板与腹板焊接、工艺隔板与翼板焊接→U型矫正(腹板焊缝处加衬板) →箱型结构组合(盖板)→加固打底焊→内隔板与翼板之间电渣焊→UT合格 →主焊缝埋弧焊→UT合格→校形、处理外观→标记→发货 箱形梁的加工及制作工艺要求: 3.9 箱型梁的加工制作工艺要求: 3.9.1 箱型梁零件加工按 GB50205标准要求执行; 3.9.2 箱型梁的零部件主要由:内隔板(包括工艺隔板)垫板;箱体的翼板,腹板的装配焊接组成。 3.9.3 内隔板(包括工艺隔板),需实行精加工制作。下料制板加工车间采用数控切割机下料,电渣焊隔板的垫板需要铣边(刨边)。铣削完毕后除毛刺:并用记号笔编上零件号,保证其尺寸及形位公差。 +6铣边余量翼板宽度-2腹板厚度电渣焊垫板条电渣焊侧手工焊侧内隔板翼板宽度-2腹板厚度等于腹板宽度-443.9.4 内隔板及垫板下料加工检查如下: 序号 项目 精度要求 备注 1 内隔板长度 ±0.5㎜ / 2 内隔板宽度 ±0.5㎜ / 3 对角线差值 2㎜ / 4 垫板条长度 ±0.5㎜ / 5 垫板条宽度 ±0.5㎜ / 6 垫板宽度方向加工表面粗糙度 余量 6mm,铣边机精加工保证 7 垫板边的平面垂直度 ±0.5㎜ 铣边机精加工保证 3.9.5 内隔板组装:隔板装配采用手工焊和电渣焊衬垫板,焊接按焊接工艺要求进行。 手工焊衬垫板电渣焊衬垫板铣边余量 3.9.6 腹板开坡口形式: 主 焊 缝 熔 透 坡 口 示 意 图翼 板腹 板 腹板加工坡口时,在电渣焊口两侧预留28mm不开坡口。如图: 电 渣 焊 后 切 除焊 后 熄 弧 物打 磨 后 焊 缝坡 口 形 式 隔板焊接后,四周进行铣边并去除毛刺。加工后,精度应满足:四条边互相垂直。垂直度≤1.0mm;内隔板外形尺寸允许+1~+2mm,不允许出现负偏差。 3.9.7 隔板加工后应检验合格,才能进入组装。 3.9.8 箱型梁的腹板下料:采用数控编程下料。 箱型梁的腹板下料必须采用数控编程下料,直接将电渣焊口切割成形(充分保证电渣焊口的精确度) 腹板下料形式...

1、当您付费下载文档后,您只拥有了使用权限,并不意味着购买了版权,文档只能用于自身使用,不得用于其他商业用途(如 [转卖]进行直接盈利或[编辑后售卖]进行间接盈利)。
2、本站所有内容均由合作方或网友上传,本站不对文档的完整性、权威性及其观点立场正确性做任何保证或承诺!文档内容仅供研究参考,付费前请自行鉴别。
3、如文档内容存在违规,或者侵犯商业秘密、侵犯著作权等,请点击“违规举报”。

碎片内容

实际用箱型梁制作

小辰5+ 关注
实名认证
内容提供者

出售各种资料和文档

确认删除?
VIP
微信客服
  • 扫码咨询
会员Q群
  • 会员专属群点击这里加入QQ群
客服邮箱
回到顶部