电脑桌面
添加小米粒文库到电脑桌面
安装后可以在桌面快捷访问

级配碎石基层试验段施工方案

级配碎石基层试验段施工方案_第1页
1/9
级配碎石基层试验段施工方案_第2页
2/9
级配碎石基层试验段施工方案_第3页
3/9
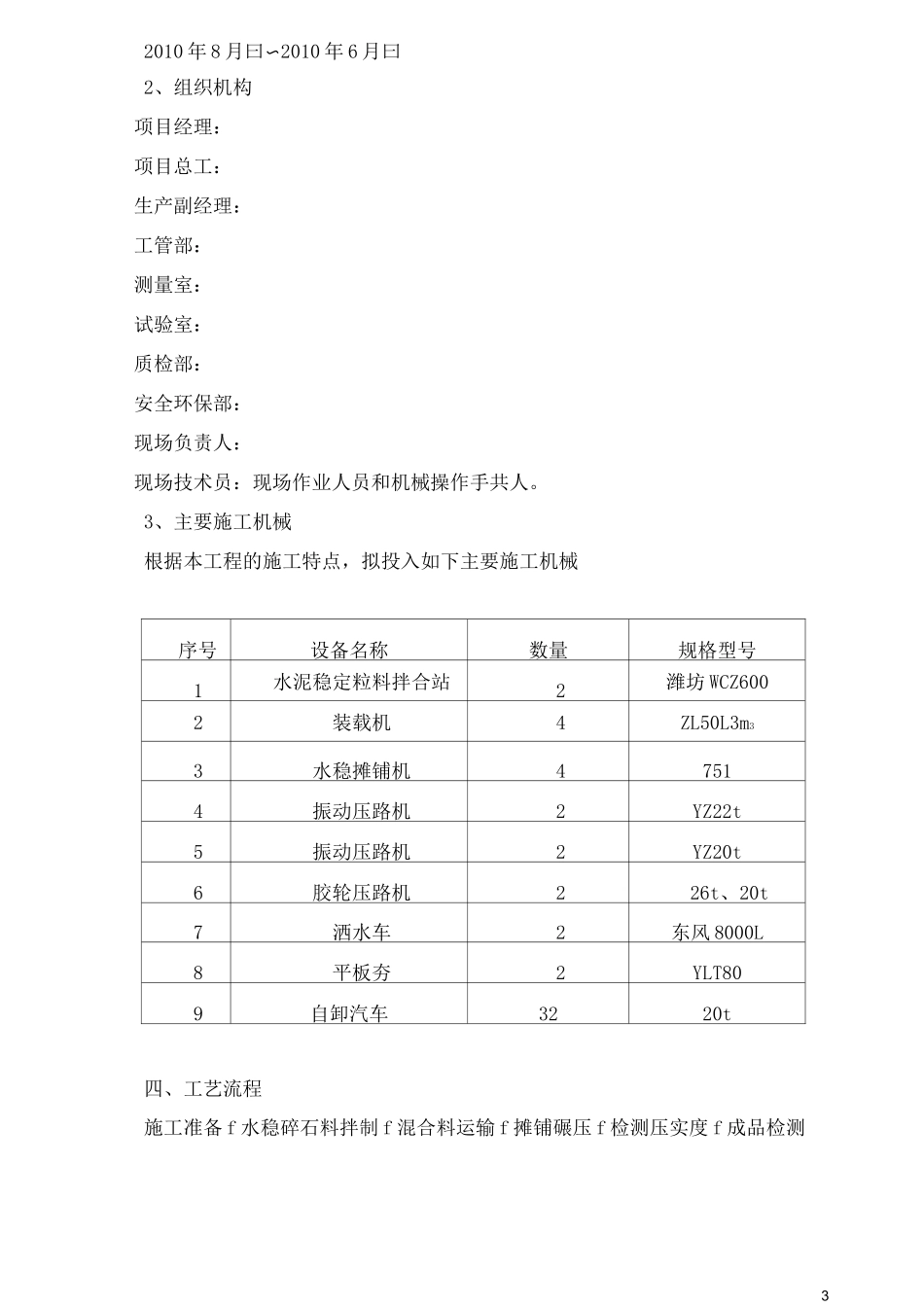
级配碎石下基层试验段施工方案第一章编制依据及原则一、编制依据(1) 、《福建省福州至泉州高速公路扩建(泉州段)路面及交通安全设施工程施工招标文件》。(2) 、《福建省福州至泉州高速公路扩建(泉州段)路面及交通安全设施工程施工招标文件》补遗书。(3) 、《福建省福州至泉州高速公路扩建(泉州段)路面工程第 QB1 合同段两阶段施工图设计文件》(4) 、《福建省高速公路路面施工标准化指南》(试行,2009.11);(5) 、交通部颁发的《公路路面基层施工技术规范》JTJ034—2000;《公路工程质 量 检 验 评 定 标 准 》 ( 土 建 )JTGF80/l—2004 ; 《 公 路 工 程 无 机 结 合 料 试 验 规程》JTJ076—95;(6) 、施工现场踏勘实际情况和调查资料,结合我公司的实际情况,根据所需机械设备、施工管理水平、技术装备及多年积累的类似公路扩建工程施工经验。(7)、福建省公路建设主管部门、当地政府在环境保护等方面的具体规定和要求。二、编制原则(1) 、根据本合同段工程实际情况,制定切实可行的施工方案,合理安排施工顺序,确保工期目标按进度计划圆满完成。(2) 、合理布置施工现场,尽量减少工程消耗,降低生产成本。(3) 、积极推广新工艺、新技术、新材料的应用,增加产品的科技含量。(4) 、采取积极有效的质量、安全环保措施,确保质量目标、安全环保目标的实现。(5) 、采用平行、流水施工方法和网络计划技术组织,进行有序、均衡、连续的施工。2三、试验段的目的:按照施工规范及合同文件要求,在主要分项工程开工前,应先铺筑试验段。本次试验路段长度为 500m,位于 K353+000-K353+500 左幅。将铺筑试验路段的施工方案报送监理工程师审批,在监理工程师批准后,按试验路段施工方案进行试验路段的施工。通过铺筑试验路段,确定以下主要项目:(1)、用于施工的集料配合比例。(2)、混合料的松铺系数(摊铺机行走速度、振幅、频率)(3)、确定标准施工方法:① 、集料数量的控制;② 、混合料的摊铺方式和机具;③ 、合适的拌和机械、拌和方法和拌和时间;④ 、混合料含水量的调整和控制方法;⑤ 、控制拌和均匀性的办法;⑥ 、压实机械的选择和组合,压实的顺序、速度和遍数;⑦ 、拌和、运输、摊铺和碾压机械的协调和配合;⑧ 、密实度的检查方法,初定每作业段的最小检查数量。(4)、确定每一作业段的长度。(5)、确定一次铺筑的合适厚度。四、主要工程准备情况1、材料选择和准备:(1)粗集料:...

1、当您付费下载文档后,您只拥有了使用权限,并不意味着购买了版权,文档只能用于自身使用,不得用于其他商业用途(如 [转卖]进行直接盈利或[编辑后售卖]进行间接盈利)。
2、本站所有内容均由合作方或网友上传,本站不对文档的完整性、权威性及其观点立场正确性做任何保证或承诺!文档内容仅供研究参考,付费前请自行鉴别。
3、如文档内容存在违规,或者侵犯商业秘密、侵犯著作权等,请点击“违规举报”。

碎片内容

级配碎石基层试验段施工方案

您可能关注的文档

确认删除?
VIP
微信客服
  • 扫码咨询
会员Q群
  • 会员专属群点击这里加入QQ群
客服邮箱
回到顶部