电脑桌面
添加小米粒文库到电脑桌面
安装后可以在桌面快捷访问

微型计算机控制技术复习

微型计算机控制技术复习_第1页
1/11
微型计算机控制技术复习_第2页
2/11
微型计算机控制技术复习_第3页
3/11
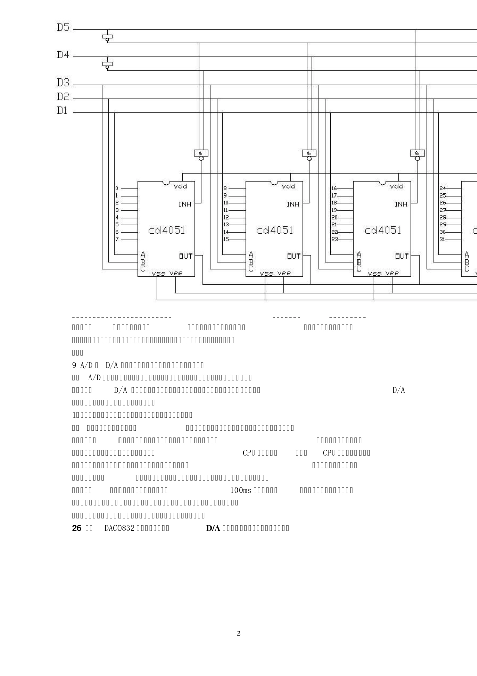
1 1,微型计算机控制系统的硬件由哪几部分组成?各部分的作用是什么? 答:CPU,接口电路及外部设备组成。 CPU,这是微型计算机控制系统的核心,通过接口它可以向系统的各个部分发出各种命令,同时对被控对象的被控参数进行实时检测及处理。 接口电路,微机和生产对象之间进行信息交换的桥梁和纽带。 外部设备:这是实现微机和外界进行信息交换的设备 4,操作指导、DDC 和 SCC 系统工作原理如何?它们之间有何区别和联系? 答:(1)操作指导控制系统:在操作指导控制系统中,计算机的输出不直接作用于生产对象,属于开环控制结构。计算机根据数学模型、控制算法对检测到的生产过程参数进行处理,计算出各控制量应有的较合适或最优的数值,供操作员参考,这时计算机就起到了操作指导的作用。 (2)直接数字控制系统(DDC 系统): DDC(Direct Digital Control)系统就是通过检测元件对一个或多个被控参数进行巡回检测,经输入通道送给微机,微机将检测结果与设定值进行比较, 再进行控制运算,然后通过输出通道控制执行机构,使系统的被控参数达到预定的要求。DDC 系统是闭环系统,是微机在工业生产过程中最普遍的一种应用形式。 (3)计算机监督控制系统(SCC 系统): SCC(Supervisory Computer Control)系统比DDC 系统更接近生产变化的实际情况,因为在DDC 系统中计算机只是代替模拟调节器进行控制,系统不能运行在最佳状态,而 SCC 系统不仅可以进行给定值控制,并且还可以进行顺序控制、最优控制以及自适应控制等SCC 是操作指导控制系统和DDC 系统的综合与发展。 2. 采样周期愈小愈好吗?为什么? 答:不是。若采样间隔太小(采样频率太高), 则对定长的时间记录来说其数字系列就很长,计算工作量迅速增大:如果数字序列长度一定,则只能处理很短的时间历程,可能产生较大的误差。 5 试用CD4051 设计一个32 路模拟多路开关,画出电路图并说明其工作原理。 思路:因为CD4051 只有八个输入接口,所以要构建32 路的多路开关需要用到4 个 CD4051。 32 路的多路开关应有5 个控制口,其中前三个是CD4051 的输入口,后两个是控制口。 (因为CD4051 就有三个输入口) 分别标为D1、 D2、 D3、 D4、 D5( 00000— 11111, 00000 第 0 通道、11111 第 31 通道)。 通过对4 个CD4051 的选择来实现32 个通道口的选择(0— 7、 8— 15、 16— 23、 24— 31)。如选择第三个CD4051 时,可以选...

1、当您付费下载文档后,您只拥有了使用权限,并不意味着购买了版权,文档只能用于自身使用,不得用于其他商业用途(如 [转卖]进行直接盈利或[编辑后售卖]进行间接盈利)。
2、本站所有内容均由合作方或网友上传,本站不对文档的完整性、权威性及其观点立场正确性做任何保证或承诺!文档内容仅供研究参考,付费前请自行鉴别。
3、如文档内容存在违规,或者侵犯商业秘密、侵犯著作权等,请点击“违规举报”。

碎片内容

微型计算机控制技术复习

您可能关注的文档

确认删除?
VIP
微信客服
  • 扫码咨询
会员Q群
  • 会员专属群点击这里加入QQ群
客服邮箱
回到顶部