电脑桌面
添加小米粒文库到电脑桌面
安装后可以在桌面快捷访问

快充报文解析

快充报文解析_第1页
1/9
快充报文解析_第2页
2/9
快充报文解析_第3页
3/9
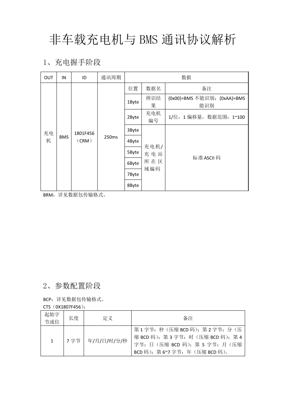
非车载充电机与BMS 通讯协议解析 1、充电握手阶段 BRM:详见数据包传输格式。 2、参数配置阶段 BCP:详见数据包传输格式。 CTS(0X1807F456): 起始字节或位 长度 定义 备注 1 7 字节 年/月/日/时/分/秒 第 1 字节:秒(压缩 BCD 码);第 2 字节:分(压缩 BCD 码);第 3 字节:时(压缩 BCD 码);第 4字节:日(压缩 BCD 码);第 5 字节:月(压缩BCD 码);第 6~ 7 字节:年(压缩 BCD 码)。 OUT IN ID 通讯周期 数据 充电机 BMS 1801F456(CRM) 250ms 位置 数据名 备注 1Byte 辨识结果 {0x00}=BMS 不能识别;{0xAA}=BMS能识别 2Byte 充电机编号 1/位,1 偏移量,数据范围:1~ 100 3Byte 充电机/充电站所 在 区域编码 标准ASCII 码 4Byte 5Byte 6Byte 7Byte 8Byte OUT IN ID 通讯周期 数据 充电机 BMS 1808F456(CML) 250ms 位置 数据名 备注 1Byte 最低输出电压(V) 0.1V/位,0V 偏移量,数据范围:0V~ +750V 2Byte 3Byte 最低输出电压(V) 0.1V/位,0V 偏移量,数据范围:0V~ +750V 4Byte 5Byte 最大输出电流(V) 0.1A/位,-400A 偏移量,数据范围:-400A~ 0A 6Byte 7Byte 保留 8Byte 保留 OUT IN ID 通讯周期 数据 BMS 充电机 100956F4(BRO) 250ms 位置 数据名 备注 1Byte BMS 是否做好充电准备 {0x00}=BMS 未做好充电准备,{0xAA}=BMS 完成充电准备,{0xFF}=无效 2Byte 保留 3Byte 保留 4Byte 保留 5Byte 保留 6Byte 保留 7Byte 保留 8Byte 保留 3、充电阶段 BCS:详见数据包传输格式。 OUT IN ID 通讯周期 数据 充电机 BMS 100AF456(CRO) 250ms 位置 数据名 备注 1Byte 充电机是否做好充电准备 {0x00}=充电机未做好充电准备,{0xAA}=充电机完成充电准备,{0xFF}=无效 2Byte 保留 3Byte 保留 4Byte 保留 5Byte 保留 6Byte 保留 7Byte 保留 8Byte 保留 OUT IN ID 通讯周期 数据 BMS 充电机 181056F4(BCL) 50ms 位置 数据名 备注 1Byte 电压需求(V) 0.1V/位,0V 偏移量,数据范围:0V~ 750V 2Byte 3Byte 电流需求(A) 0.1A/位,-400A 偏移量,数据范围:-400A~ 0A 4Byte 5Byte 充电模式 {0x01}=恒压充电,{0x02}=恒流充电 6Byte 保留 7Byte 保留 8Byte 保留 OUT IN ID 通讯周期 数据 充电机 BMS 181...

1、当您付费下载文档后,您只拥有了使用权限,并不意味着购买了版权,文档只能用于自身使用,不得用于其他商业用途(如 [转卖]进行直接盈利或[编辑后售卖]进行间接盈利)。
2、本站所有内容均由合作方或网友上传,本站不对文档的完整性、权威性及其观点立场正确性做任何保证或承诺!文档内容仅供研究参考,付费前请自行鉴别。
3、如文档内容存在违规,或者侵犯商业秘密、侵犯著作权等,请点击“违规举报”。

碎片内容

快充报文解析

确认删除?
VIP
微信客服
  • 扫码咨询
会员Q群
  • 会员专属群点击这里加入QQ群
客服邮箱
回到顶部