电脑桌面
添加小米粒文库到电脑桌面
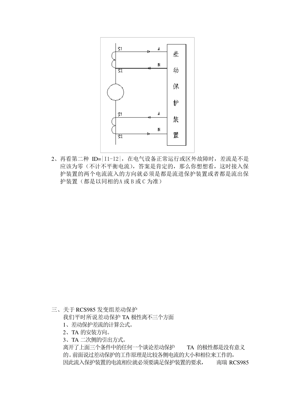
安装后可以在桌面快捷访问

怎样才能正确地确认差动保护所用TA极性的正确性

怎样才能正确地确认差动保护所用TA极性的正确性_第1页
1/6
怎样才能正确地确认差动保护所用TA极性的正确性_第2页
2/6
怎样才能正确地确认差动保护所用TA极性的正确性_第3页
3/6
怎样才能正确地确认差动保护所用TA 极性的正确性 众所周知,发电机和变压器等电气设备所配置的差动保护工作原理就是比较各侧电流的大小和相位,比较电流的大小的概念大家都好理解,但比较电流的相位有时搞得我们的保护人员有些昏头转向,找不到头绪,下面就这一问题谈一下自己的理解和看法,以供参考。 一、首先要搞清楚几个概念 1、同极性和反极性:在电流互感器上标注有一次绕组P1、P2 和二次绕组 S1、S2(有些电流互感器上标为 L1、L2 和K1、K2)。P1 和S1 就是同极性,同样P2 和S2 也是同极性;反之 P1 和S2 及 P2 和S1 就是反极性。什么意思呢?当电流从一次侧P1 端流进的话,那么二次侧电流就会从 S1 端流出,这两个电流在 TA 的铁心中产生的磁通是相互抵消的,因此我们又称为减极性标注。迄今为止,我国的电流互感器都是减极性标注。 2、正引出和反引出: 指的是电流互感器二次绕组与保护装置的连接方式,所谓正引出就是TA 的二次绕组 S1 端与保护装置的A 或B 或C 端连接,S2 与保护装置的同相的N 端相连;而反引出的连接方式恰恰相反。在实 际 的现场 安 装接线 中,接线 人员必 须 都要按 照 正引出的方式接线 ,今后 至 于 需 要反引出由 保护人员来 确认更 改 。 二、差动保护装置的差流计 算 公 式 每 个保护厂 家的保护装置差动电流计 算 公 式各不相同,一般 有两种 : 1、ID=|I1+I2| 2、ID=|I1-I2| 怎样理解呢? 1、先看第 一种ID=|I1+I2|,在电气设备正常 运 行 或区 外 故 障 时,差流是不是应 该 为零 ( 不计 不平 衡 电流),答 案 是肯 定 的,那么你 想 想 看,这时接入 保护装置的两个电流流入 的方向就必 须 是一个流进保护装置,一个流出保护装置( 都是以同相的A 或B 或C 为准 ) 2、再看第二种 ID=|I1-I2|,在电气设备正常运行或区外故障时,差流是不是应该为零(不计不平衡电流),答案是肯定的,那么你想想看,这时接入保护装置的两个电流流入的方向就必须是都是流进保护装置或者都是流出保护装置(都是以同相的A 或 B 或 C 为准) 三、关于 RCS985 发变组差动保护 我们平时所说差动保护 TA 极性离不三个方面 1、差动保护差流的计算公式。 2、TA 的安装方向。 3、TA 二次侧的引出方式。 离开了上面三个条件中的任何一个谈论差动保护TA 的极性都是没有意义的。前面说过差动保护的工作原理是比...

1、当您付费下载文档后,您只拥有了使用权限,并不意味着购买了版权,文档只能用于自身使用,不得用于其他商业用途(如 [转卖]进行直接盈利或[编辑后售卖]进行间接盈利)。
2、本站所有内容均由合作方或网友上传,本站不对文档的完整性、权威性及其观点立场正确性做任何保证或承诺!文档内容仅供研究参考,付费前请自行鉴别。
3、如文档内容存在违规,或者侵犯商业秘密、侵犯著作权等,请点击“违规举报”。

碎片内容

怎样才能正确地确认差动保护所用TA极性的正确性

您可能关注的文档

小辰4+ 关注
实名认证
内容提供者

出售各种资料和文档

确认删除?
VIP
微信客服
  • 扫码咨询
会员Q群
  • 会员专属群点击这里加入QQ群
客服邮箱
回到顶部